Телефония
Главная сайта→
Начало раздела → Телефония
-
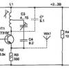
УКВ микропередатчик для телефонного аппарата
Если требуется беспроводное дистанционное прослушивание телефонных
разговоров на своем (чужом) телефонном аппарате, то вам пригодится схема
миниатюрного передатчика с ча ...
-
Усилитель для телефона
Этот усилитель предназначен для тех, кто плохо слышит, он
эффективен и в том случае, когда сигнал в линии по каким-то причинам ослаблен.
Усилитель монтируется на плате р ...
-
Устранение эффекта подзванивания
Данное устройство будет полезно тем, у кого в квартире несколько комнат, а
телефонный аппарат (ТА) один и его звонок можно не услышать из соседней комнаты
или кухни. Наи ...
-
Устройство телефонной связи для двух абонентов
Описываемые здесь устройства предназначены для установления телефонной связи
между двумя абонентами, а также для связи телефониста центрального пульта с
любым из несколь ...
-
Устройство удержания телефонной линии
Предлагаемое устройство выполняет функцию удержания телефонной линии
("HOLD"), что позволяет во время разговора положить трубку на рычаг и
перейти к параллельному телефо ...
||