Схема сварочного аппарата на тиристоре

Главная сайтаНачало разделаЭлектричество в бытуСварочные аппараты → Схема сварочного аппарата на тиристоре

Схема сварочного аппарата на тиристоре

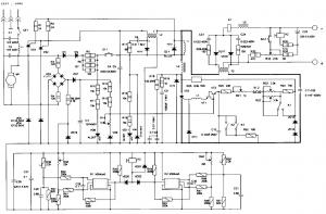
Предлагаю вниманию любителей огня и железа принципиальную схему сварочного аппарата на быстродействующем тиристоре. Схема является копией промышленного сварочного аппарата "Электрон-125". Мощность достаточна , чтобы варить электродом диаметром 3 мм, в большинстве случаев этого достаточно.

Диаппазон регулирования сварочного тока, А ... 40 - 125.

Напряжение холостого хода , В ......................не более 90.

Коэффициент полезного действия , % ..........не менее 60.

Частота преобразования - около 4 kHz.Регулирование выходной мощности осуществляется изменением частоты генератора, выполненного на аналоге однопереходного транзистора VT1 и VT2. Я эту схему сам не делал. Её делал мой знакомый. Схема вполне работоспособна , но есть свои небольшие проблемы: cхема издаёт неприятное пищание, в режиме холостого хода часто щёлкает реле К2 , которое срабатывает при превышении U холостого хода на выходе.
ОПИСАНИЕ РАБОТЫ СХЕМЫ
Импульсный преобразователь выполнен на быстродействующем тиристоре VS3. Генератор открывающих импульсов , как уже писалось выше, выполнен на VT1 и VT2. Запускается преобразователь кнопкой S1. При этом, медленно , через резисторы R5-R8 происходит заряд батареи конденсаторов С4-С5. Светодиод VD11 показывает процесс заряда. В это время генератор импульсов не работает , так как разомкнута пара S1.2. При нажатии кнопки , запускается генератор , открывается тиристор , насыщается Т2 (для снижения скорости нарастания , повидимому, служит L3 ) .Цепь выделенная жирным представляет собой колебательный контур , состоящий из Т2 , С11-С22 и включенного последовательно тиристора. Когда направление тока в контуре меняется на противоположное , через диод VD19 протекает ток , тиристор шунтируется диодом и закрывается. Через Т1 импульсы открывают тиристоры VS1 , VS2 и в работу включается мощный мостовой выпрямитель. Токовое реле К1 срабатывает в момент начала сварки , закорачивая R24 и увеличивая частоту преобразования. К2 - реле, срабатывающее при превышении напряжения холостого хода на выходе, резистором R33 устанавливается порог срабатывания реле .К3 - термореле , срабатывающее при перегреве тиристора VS3 или диодов VD17 и VD18. Схема состоящая из L2, C6, R17, VD10 какую функцию выполняет , я не знаю, но без неё схема тоже работает




counter  ||  Хостинг Web1.0