Бесконтактный съём информации с телефонной линии

Главная сайтаНачало разделаТелевидение и телефонияТелефония → Бесконтактный съём информации с телефонной линии

Бесконтактный съём информации с телефонной линии

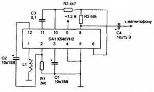
Принцип действия данного устройства заключается в улавливании переменного электромагнитного поля, наводимого вокруг телефонной пары. Для бесконтактного съёма информации с телефонной линии телефонная пара зажимается между чашками броневого сердечника дросселя L1. Сигнал с усилителя подается на микрофонный вход магнитофона или на телефонный капсюль ТА-2. Напряжение питания должно быть в пределах 1, 2 - 3 В. Дроссель L1 имеет 600 витков ПЭВ-0, 05 на сердечнике СБ-30.




counter  ||  Хостинг Web1.0