Анти-АОН

Главная сайтаНачало разделаТелевидение и телефонияТелефония → Анти-АОН

Анти-АОН

В настоящее время получили широкое распространение автоматические определители номера (АОН), собранные на различной элементной базе (КР580ВМ80А, Z80, 1816BE49, комплекты жесткой логики К155, К564 и др.). Все эти системы ориентированы на определение номера вызывающего абонента по информации, высылаемой станцией в ответ на запрос частотой 500Гц - 2.5кГц в двутональном коде "2 из 6" кодирующими частотами 700, 900, 1100, 1300, 1500 и 1700 Гц с отклонениями сигналов не более 15 Гц и длитель- ностью не более 32 мс. Устройство, описание которого приводится ниже, позволяет "ослепить" подобную систему определения номера.

Техническое описание.

1. Назначение и возможности.

Система защиты от определения телефонного номера позволяет на основе современной электронной техники реализовать возможности по защите от определения Вашего номера при телефонном обращении к абоненту, у которого установлены системы АОН типа "Лобь" и др. Данную систему можно использовать как встроенной в телефонный аппарат, так и в виде отдельной приставки к телефонному аппарату.

1. 1. Функциональные возможности.

Система защиты от определения телефонного номера (анти-АОН) обеспечивает защиту Вашего номера от определения абонентом при использовании им системы АОН любого типа.

2. Технические характеристики.

Технические характеристики телефонного аппарата, оснащенного анти-АОНом, можно условно разделить на две группы. В первую группу войдут характеристики, присущие данному телефонному аппарату (электроакустические параметры). Эти характеристики полностью определяются используемым базовым аппаратом.
Вторая группа характеристик определяется специфической функцией, выполняемой данной системой. Следует отметить, что для выполнения этой функции данная система накладывает существенно более жесткие требования на телефонный канал и удовлетворительно может работать лишь с телефонными линиями, характеристики которых соответствуют нормам.

Описание различных узлов.

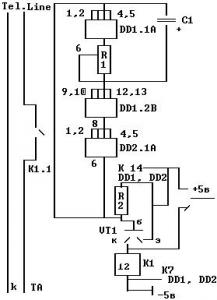
Из анализа принципиальной схемы системы защиты от определения номера видно, что данная система построена на базе трёх логических элементах 4и-не. Основой является задающий генератор, настроенный на частоту 12.626262 Гц.
Вторым функциональным узлом является усилительный каскад, собранный на транзисторе 2N2904, усиливающий импульсы тактового генератора, необходимые для работы третьего функционального узла - исполнительной части.
Исполнительная часть представляет собой реле типа РЭС64А, паспорт РС4.569.724.

Принцип работы системы защиты от определения телефонного номера.

Работа системы защиты основана на воздействии на тракт приема инфор- мации систем АОН, обходя блокировку голосового тракта вызывающего абонен- та и невозможностью передачи по ней каких-либо цифровых или аналоговых сигналов во время передачи информации о его номере. Осуществляется это путем передачи на станцию нетональной информации посредством замыкания линии с частотой 12.626262 Гц.

Инструкция по эксплуатации.

1. Аппаратная реализация.

Конструктивно система защиты выполнена в виде отдельного модуля, залитого эпоксидной смолой для предохранения радиодеталей от внешнего воздействия.

2. Краткое описание работы.

При правильном включении анти-АОНа и нажатии на кнопку Вы услышите характерное тихое ритмическое потрескивание с частотой около 13 Гц, что свидетельствует о нормальной работе устройства. При отпущенной кнопке и поднятой трубке телефонного аппарата в трубке должен быть слышен длинный гудок; при его отсутствии следует нажать на тангенту: при нажатии кнопки в трубке должен раздаться треск с частотой около 13 Гц довольно большой громкости.
Вышеперечисленные условия свидетельствуют о правильной и нормальной работе устройства.
При непосредственной работе с анти-АОНом выполняются следующие действия: набирается нужный номер и после соединения линии нажимается кнопка анти-АОНа и держится приблизительно от 10 до 60 секунд; если же после отпускания кнопки в трубке слышно, что станция начинает слать Вашему абоненту тональную посылку, то следует еще на некоторое время нажатькнопку.

3. Инструкция по экстлуатации.

Имеется расхожее мнение о том, что правильно собранная цифровая система отладки не требует и начинает работать сразу; тем не менее при наличии в схеме хотя бы одной неисправности задача поиска и локализации ее становится практически неразрешимой без применения специализированных систем.
Настройка начинается с проверки значений питающего напряжения, которое должно находиться в пределах от 4.9 до 5.3 Вольт. Затем необходимо добиться частоты задающего генератора, собранного на логических элементах DD1.1, DD1.2, DD2.1, конденсаторе C1, резисторе R1, равной ~12.626262 Гц. Возможны некоторые отклонения от указанной частоты, но при этом не гарантируется соответствие вышеизложенным параметрам. После этого подключают транзистор VT1, резистор R2, служащий для более стабильной работы реле, и реле K1 и проверяют работу всего устройства в целом: при нажатии на кнопку должно происходить срабатывание реле с примерной частотой 12.626262 Гц. (Проверяется всё опытным путём. Ищещ товарища с аоном названиваеш ему регулируя Р1, добиваясь ослепления его аона.)




counter  ||  Хостинг Web1.0