Синтезатор частоты УКВ радиостанции

Главная сайтаНачало разделаУстройстваСинтезаторы частоты → Синтезатор частоты УКВ радиостанции diadoors/shop/category/elektrokaminy/?page=2" target="_blank">http://diadoors/shop/category/elektrokaminy/?page=2 настенные электрокамины.

Г.ПЕЧЕНЬ (EW1EA), г.Минск, ул.Первомайская, 24 - 2 - 18, ф."0микс", тел.(017) 2100-150.

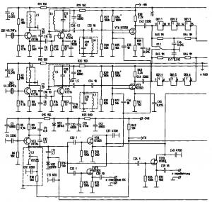
Предлагаемый синтезатор частоты (СЧ) для радиостанции диапазона 144...146МГЦ с первой промежуточной частотой 10, 7 МГц отличается простотой схемотехники и хорошей повторяемостью.

Шаг перестройки - 25 кГц, для перестройки по диапазону применены два десятичных позиционных переключателя, на выходе которых присутствуют сигналы в коде 1-2-4-8. Данный СЧ использует принцип смешивания частот ГУНа и дополнительного высокочастотного генератора для получения низкой ПЧ (0.3...2.3 МГц), подаваемой на делитель с переменным коэффициентом деления (ДПКД). Боле подробно о подобных СЧ написано в [I].

Низкая ПЧ СЧ позволяет применять в ДПКД КМОП микросхемы, отличающиеся экономичностью и не ухудшающие шумовые характеристики СЧ.

Синтезатор частоты УКВ радиостанции

Синтезатор частоты УКВ радиостанции

ДПКД описываемого синтезатора взят из [2] (tnx EU1 DQ). Главное его достоинство - малое количество микросхем (всего 3) и простота получения "репитерного" и "инверсного" сдвигов приема/передачи.

Аналоговая часть СЧ использует простые и удачные схемные решения [1]. Она состоит из ГУНа и двух идентичных каналов (для приема и передачи) формирования фиксированных ВЧ напряжений для смесителей СЧ. Каждый канал содержит следующие узлы:

- кварцевый генератор: для RX - VT2 на частоту 44, 333 МГц, для ТХ - VT1 на частоту 47, 9 МГц;

- утроитель частоты с полосовым фильтром (ПФ) - (соответственно VT5 и L5, C28, L7, C31;VT4HL4, C17, L6, С27);

- смеситель на полевом транзисторе с двумя изолированными затворами (VT7 для RX, VT6 дляТХ);

- формирователь прямоугольных импульсов на микросхеме DD1 (DD1.4...DD1.6 для RX, DD1.1...DD1.3 для ТХ).

ГУН собран по схеме емкостной трехточки; для изменения его частоты при переходе на передачу используется диод КД409, закорачивающий часть витков катушки. В режиме приема частота генерации - 133, 3...135, 3 МГц, при передаче - 144... 146 МГц. В связи с тем, что СЧ изначально разрабатывался для радиостанций "Storno", напряжение питания которых составляет -24 В, ГУН питается этим напряжением через параметрический стабилизатор R23, VD3. Катушка ГУНа намотана на каркасе высокочастотных катушек "Stomo" и закрыта экраном, здесь же распаяны коммутационный диод КД409, развязывающий конденсатор С12 и токоограничительный резистор R10.

Напряжение питания на утроители частоты и смесители подано постоянно, на кварцевые генераторы напряжение питания подается через ключи на транзисторах VT12 (RX) и VT11 (ТХ).

После формирователя прямоугольных импульсов сигналы с частотами 0, 3...2, 3 МГц (в зависимости от коэффициента деления ДПКД) поступают на ДПКД через коммутатор на микросхеме DD2, т.е. из канала формирования частоты приема (передачи). Вследствие высокой чувствительности формирователя на микросхеме DD1 обязательно требуется применение реле К1 для шунтирования входа неработающего в данном режиме (RX или ТХ) формирователя.

ДПКД состоит из счетчика DD4 и двух сумматоров DD5 и DD6, на входы которых подается от переключателей перестройки код частоты и от переключателя режима (на выводы 2 DD5 и 4 DD6) сигнал режима: симплекс, репитерный или инверсный. Примененные в формирователе и ДПКД импортные микросхемы недороги и доступны через фирмы, поставляющие импортные комплектующие под заказ.

Сигнал с выхода ДПКД поступает на один из входов фазового детектора (ФД) микросхемы DA1, на второй вход которой приходят импульсы с частотой 25 кГц, получаемые делением на четыре микросхемой DD7 частоты 100 кГц генератора на микросхеме DD3.

С выхода ФД напряжение рассогласования через фильтр R57, С54, R58, С55 поступает на варикап ГУНа, замыкая петлю ФАПЧ. Через цепочку R 17, С 14 на этот же варикап подается модулирующее напряжение в режиме передачи. Необходимая девиация частоты устанавливается регулировкой амплитуды модулирующего напряжения в микрофонном усилителе.

Питание аналоговой и цифровой схем СЧ (за исключением ГУН) - +9 В от стабилизатора DA2 К142ЕН8А. Потребляемый ток - около 50 мА.

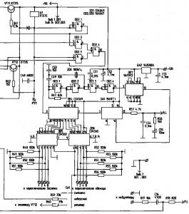
Конструкция и детали. Как уже упоминалось, СЧ разрабатывался для установки в радиостанции "Stomo". Большая часть деталей его схемы собрана на печатной плате (за исключение генератора на 100 кГц и делителя на DD7). Катушки ГУНа и ПФ намотаны на каркасах от контуров радиостанций "Storno" и имеют подстроечные сердечники. Катушка ГУНа имеет 4 витка посеребренного провода диаметром 0, 7 мм, отвод - 0, 75 витка от вывода, подключенного к корпусу. Катушки ПФ также имеют 4 витка провода ПЭВ диаметром 0, 6 мм. Катушки генераторов имеют по 9 витков провода ПЭВ диаметром 0, 2 мм. При повторении СЧ для других радиостанций контура можно изготовить, используя данные, приведенные в [1]. Если в радиостанции отсутствует напряжение -24 В, то из [1] в этом случае используется и ГУН, изменение частоты которого при передаче осуществляется отключением дополнительного конденсатора от контура ГУНа [3]. Удобно для этой цели использовать реле РЭС60 (вместо примененного РЭС15), одна пара контактов которого замыкает вход неработающего формирователя прямоугольных импульсов, а другая - подключает конденсатор к контуру ГУНа в режиме приема.

Настройка
Легко и быстро настроить СЧ можно применяя осциллограф с широкой полосой пропускания и частотомер с верхним пределом не менее 150 МГц. Можно рекомендовать следующий порядок:

1. Зашунтировав кварцевый резонатор генератора 44, 333 МГц конденсатором 2... 10 нф и контролируя частоту на коллекторе транзистора VT5, настроить генератор на данную частоту вращением подстроечного сердечника катушки L2. Отпаять шунтирующий конденсатор и, вращая подстроечный сердечник, добиться максимальной стабильности частоты генерации. Если этот максимум не на частоте 44, 333 МГц - необходимо последовательно с кварцевым резонатором включить либо индуктивность (при частоте генерации выше необходимой), либо конденсатор (при частоте генерации ниже необходимой) и подобрать их значения. Эта операция может занять довольно много времени, но выполнить ее необходимо - от этого зависит стабильность и точность установки частоты СЧ.

2. Настроить ПФ утроителя на частоту 133, 0 МГц.

3. Операции, описанные в пунктах 1 и 2, проделать для канала передачи, замкнув точку РТТ коммутатора DD2 на корпус. Соответствующие частоты - 47, 9 МГц и 143, 7МГц.

4. Отключить точку РТТ от корпуса, подать -24 В на ГУН, подключить к выходу истокового повторителя VT10 частотомер, отпаять резистор R57 от вывода 13 DA1 и, подавая через этот резистор внешнее постоянное напряжение 1, 3...7 В, настроить подстроечным сердечником ГУН на частоты 132, 5...135, 5 МГц соответственно. Устанавливать шаг перекрытие ГУНа по частоте не следует. Если перекрытие заметно отличается в ту или иную сторону, необходимо подобрать конденсатор С1.

5. Установить напряжение, при котором частота ГУНа - около 133, 3 МГц, т.е. начало диапазона 144 МГц для приемника.

6. Вновь подключить точку РТТ к корпусу и проконтролировать частоту ГУНа. Значение частоты должно быть около 144 МГц, в противном случае необходимо подобрать точку подключения диода КД409 к контуру ГУНа. Для достижения необходимого результата операции пунктов 5 и 6 следует проделать несколько раз.

7. Измерить частоту на выводе 14 DA1. При необходимости конденсаторами С49, С50 установить значение 25 кГц ±1 Гц.

8. Подключить резистор R57 к выводу 13 DA1.

Если применяемые детали исправны, а в монтаже нет ошибок, СЧ настроен и готов к работе. Приводимая ниже таблица показывает соответствие значений установленной частоты положению переключателей. Из таблицы видно, что репитерные каналы начинаются с десятичной цифры 4, а цифра единиц соответствует номеру канала, т.е. 43 - 3-й репитерный канал, 45 - 5-й репитерный канал.

Частота, МГц

Значение переключ.

Частота, МГц

Значение переключ.

Частота, МГц

Значение переключ.

Частота, МГц

Значение переключ.

144, 000

00

144, 500

20

144, 000

40

144, 500

60

144, 025

01

144, 525

21

144, 025

41

144, 525

61

144, 050

02

144, 550

22

144, 050

42

144, 550

62

144, 075

03

144, 575

23

144, 075

43

144, 575

63

144, 100

04

144, 600

24

144, 100

44

144, 600

64

144, 125

05

144, 625

25

144, 125

45

144, 625

65

144, 150

06

144, 650

26

144, 150

46

144, 650

66

144, 175

07

144, 675

27

144, 175

47

144, 675

67

144, 200

08

144, 700

28

144, 200

48

144, 700

68

144, 225

09

144, 725

29

144, 225

49

144, 725

69

144, 250

10

144, 750

30

144, 250

50

144, 750

70

144, 275

11

144, 775

31

144, 275

51

144, 775

71

144, 300

12

144, 800

32

144, 300

52

144, 800

72

144, 325

13

144, 825

33

144, 325

53

144, 825

73

144, 350

14

144, 850

34

144, 350

54

144, 850

74

144, 375

15

144, 875

35

144, 375

55

144, 875

75

144, 400

16

144, 900

36

144, 400

56

144, 900

76

144, 425

17

144, 925

37

144, 425

57

144, 925

77

144, 450

18

144, 950

38

144, 450

58

144, 950

78

144, 475

19

144, 975

39

144, 475

59

144, 975

79


Переключатель SA1 должен быть в положении "репитер". При переводе переключателя SA1 в положение "инверсный" прием/передача осуществляется на частотах репитера.

Литература:
1. Радио. - 1990. - N6. - С.23-29.
2. Funkschau. - 1990. ~ N5.-C.107-108.
3. Радиолюбитель. - 1992. -N4.-C.16.

Радиолюбитель. KB и УКВ 9/97, с34-36.


counter  ||  Хостинг Web1.0