Синтезатор частоты на современной элементной базе

Главная сайтаНачало разделаУстройстваСинтезаторы частоты → Синтезатор частоты на современной элементной базе

В.СТАСЕНКО, 396600, Воронежская обл., г.Россошь, ул.Куйбышева, 62. Тел.(9396) 2-28-97

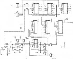
В настоящее время промышленностью освоен выпуск интегральных схем, которые позволяют строить компактные синтезаторы частот с высокими эксплуатационными параметрами. Синтезаторы могут быть использованы в радиоприемниках, радиопередатчиках и другой подобной аппаратуре. Особенно важно иметь компактный и экономичный синтезатор частоты (СЧ) вносимой аппаратуре связи на диапазоны 27 МГц и 144...146МГц. Одной из таких микросхем является микросхема типа КР1015ХК2 [1]. Синтезатор частоты с ее применением строится по структурной схеме, описанной в "РЛ" N 1/92 г. Принципиальная схема синтезатора частоты для радиостанции из "РЛ" N 2, 4, 5/92 г. на диапазон 144...146 МГц и промежуточной частотой 10, 7 МГц приведена на рис.1.

Синтезатор частоты на современной элементной базе

Рассмотрим его работу. Микросхема DD2 КР1015ХК2 имеет 20-разрядный приемный регистр с последовательным вводом информации, в который записываются данные, устанавливающие коэффициенты деления делителя с переменным коэффициентом деления (ДПКД), поглощающего счетчика (ПС) и делителя частоты с фиксированным коэффициентом деления (ДФКД). Формат приемного регистра и временная диаграмма процесса записи в него информации приведены на рис.2.

Синтезатор частоты на современной элементной базе

Puc.2

Перезапись информации из приемного регистра микросхемы в ее буферный регистр осуществляется подачей импульса положительной полярности на вывод 7 после прихода на вывод 5 двадцатого информационного разряда. На вывод 6 микросхемы поступают такты для записи информации в приемный регистр. Первый разряд регистра определяет коэффициент деления ДФКД. Если он установлен равным 0, то его коэффициент деления равен 1024, если 1 - то 2560. Разряды со 2 по 8 определяют коэффициент счета поглощающего счетчика, а разряды с 9 по 20 - коэффициент деления ДПКД. Первым вводится в микросхему 20 разряд, последним - 1. Генератор С4, управляемый напряжением (ГУН), выполнен по схеме емкостной трехточки с общей базой на транзисторе VT2 типа КТ316Д. Перестройка его частоты осуществляется варикапом VD2 типа КВ109Б. С ГУ На сигнал поступает на усилители на транзисторах VT3 и VT4 типа КТ399А. С выхода транзистора VT4 сигнал через емкости С24 и С25 поступает на приемник и передатчик соответственно. С выхода усилителя на транзисторе VT3 сигнал приходит на делитель частоты 64/65, выполненный на микросхеме DD1 типа КФ193ПЦ8. С вывода 2 этой микросхемы предварительно поделенный сигнал рабочей частоты попадает на микросхему DD2 типа КР1015ХК2, выполняющую роль ДПКД, ДФКД, ИЧФД и имеющую в своем составе элементы ФНЧ. Опорный генератор также построен на этой микросхеме. Его частота определяется кварцевым резонатором ZQ1 на частоту 12, 800МГц. Таким образом, при записи "1" в первый разряд регистра управления микросхемы DD2 эта частота будет делиться до частоты 12, 5 кГц, на которой и происходит сравнение. Сигнал с ИЧФД через вывод 16DD2 поступает на ФНЧ на элементах С7, С8, R4, который определяет полосу захвата и полосу удержания системы ФАПЧ. При элементах, указанных на схеме, полоса захвата ФАПЧ будет около 15 МГц, а время установления около 250 мс. Далее управляющее напряжение через резистор R6 и катушку L1 поступает на варикап VD2 и осуществляет перестройку ГУН. С вывода 1 микросхемы DD2 сигнал, фиксирующий срыв слежения ФАПЧ, подается на детектор на диоде VD1 типа КД522Б и далее - на ключ на транзисторе VT1 типа КТ315Б, который управляет светодиодом. При захвате кольца ФАПЧ светодиод HL1 будет погашен. Запись информации в микросхему DD2 осуществляется через вывод 1 платы, а тактовая частота и стробирующий сигнал подаются через выводы 3 и 2 платы соответственно. Модулирующее напряжение поступает на вывод 4 платы и далее через ФНЧ на элементах С12, R8, С14 - на варикап VD2, где осуществляется частотная модуляция. Необходимую девиацию частоты можно выставить резистором R7. Для записи кода частоты в регистр микросхемы DD2 СЧ и управления коммутацией "прием-передача" служит блок управления, показанный на рис.3.

Синтезатор частоты на современной элементной базе

Работа блока управления основана на том, что на входах мультиплексоров DD5, DD7, DD10 типа К561КП2 устанавливается необходимый код частоты и далее, в последовательном виде, выдается через вывод 1 платы. Так как мультиплексор DD10 служит для выдачи восьми нулей, то его с успехом можно заменить истоковым повторителем на транзисторе КП303В, но при построении подобного синтезатора на диапазон 430...470 МГц он понадобится. Номер необходимого канала устанавливается на переключателях SA1 и SA2, причем переключатель SA1 имеет 16 положений, а переключатель SA2 -10. Переключателем SA2 выставляют номер группы каналов, а переключателем SA1 - номер канала в группе. Таким образом можно установить 160 каналов через 12, 5 кГц. На микросхемах DD3, DD8, DD9T типа K561ИM1 построен сумматор, который вычитает промежуточную частоту в режиме приема. Сумматор работает в дополнительном коде. Тактовый генератор блока управления собран на элементах DD1.2 и DD1.4, Узел переключения "прием-передача" имеет кнопку SB1, диод VD1 - типа КД522Б и одновибратор - на элементах DD1.1 и DD1.3 типа К561ЛА7. На счетчике DD4 типа К561ИЕ10 и элементе D6.1 построен узел счета до 20. Питается СЧ от двух стабилизированных источников напряжением +5 В и +9 В.

Синтезатор частоты вместе с блоком управления собран на печатной плате из двустороннего фольгированного стеклотекстолита толщиной 1, 5 мм и размером 190х55 мм. При изготовлении платы необходимо сохранить максимальную площадь общего провода как со стороны установки элементов, так и с противоположной стороны. Катушка L2 бескаркасная, имеет 4 витка провела ПСР 0, 8, намотанных на оправке диаметром 5 мм. Длина намотки катушки - 6 мм. Катушки L1, L3 и L4 представляют собой дроссели типа ДМ-01 индуктивностью 10 мкГн. Их также можно намотать на кольцах из феррита марки 600 НН...2000НН, типоразмера К7х4х2, уложив 15 витков провода ПЭВ-2 толщиной 0, 25 мм равномерно по всей окружности. Настройка синтезатора частоты сводится к установке при помощи конденсатора С15 необходимой частоты, генерируемой ГУНом. Вместе с тем, с помощью конденсатора С6 необходимо выставить частоту опорного генератора как можно ближе к 12, 8МГц. Может понадобиться подбор элементов ФНЧ: R4, С7, С8. Это необходимо для расширения полосы захвата ФАПЧ при его отсутствии в момент перехода с приема на передачу, хотя последнее маловероятно. На этом настройка синтезатора заканчивается.

ЛИТЕРАТУРА

1. Якубайтис С. В. Цифровые и аналоговые интегральные микросхемы., М.: Радио и связь, 1989г.с.496.




counter  ||  Хостинг Web1.0