М. СЕРБЕНКО (UB2MF), 349950, г.Кировск, Луганской обл., кв-л 60 лет Октября, 18-115
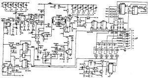
Синтезатор используется в трансивере с ПЧ 5, 5 МГц. Подобная структура синтезатора успешно используется в трансивере заводского изготовления "Контур-111" (г.Харьков). Конструкция синтезатора приведена на рис.2. Она используется на протяжении полугода в трансивере с двумя преобразованиями. Отличительные особенности этого синтезатора - хорошие шумовые характеристики, которые ненамного хуже, чем у обычного ГПД, небольшие размеры, плавная перестройка, а также доступность элементной базы - всего б микросхем. К недостаткам можно отнести то, что здесь нет растяжки по диапазонам и перекрытие на всех диапазонах равно 1, 7 МГц, что определяет диапазон 28 МГц. В ГПД нет никаких коммутаций, что способствует стабильности, одинаковой плотности настройки и расстройки на всех диапазонах.
Блок-схема СЧ приведена на рис. 1.
Сигнал ГПД, который полностью определяет стабильность СЧ, подается в смеситель, в котором вычитается из частоты ГУНа и выделяется контурами L7 - L11 - это так называемая ПЧ синтезатора. После сигнал поступает на формирователь импульсов на транзисторе VT11, а с выхода транзистора - на микросхему D3, которая делит его на 4. Это сделано для того, чтобы не выходить за пределы паспортного значения граничной частоты D4. Она равна 12 МГц. С выхода делителя на 4 сигнал подается на ДПКД, коэффициент деления которого устанавливается подачей лог. 1 (лог.1=3-4, 5 В) на входы предустановки микросхемы D4. Микросхема D5 и транзистор VT14 нужны для работы счетчика D4. С выхода D4 сигнал подается на фазовый детектор (ФД), туда же подается напряжение образцовой частоты 500 кГп с кварцевого генератора. Сигнал ошибки с ФД через простой ФНЧ, собранный на С9, С10, R2, подается на варикап в ГУНе. При использовании в трансивере ПЧ 5, 5 МГц частоты ГУНа совпадают на диапазонах 3, 5-14; 7-18; 10-21 МГц, что позволяет использовать общие контуры как ГУНов, так и смесителей синтезатора. ГУН собран по схеме емкостной трехточки и имеет 2 эмиттерных повторителя для смесителя трансивера и 2 эмиттерных повторителя- для смесителя синтезатора, причем VT4 выступает в роли ответвителя напряжения. Напряжение на выходе VT4 должно быть в пределах 0, 3 - 0, 4 В и подбирается конденсатором С18. Смеситель СЧ особенностей не имеет и работает от - 0, 2 В. Схема смесителя не отличается от ранее опубликованной в [1]. ДПКД на микросхеме D4 имеет 4 входа предустановки. При отсутствии лог. 1 на входах коэффициент деления D4 равен 1. В дальнейшем при подаче лог. 1 на входы D4 через делители напряжения R38 - R41 и R42 - R45 и диодную матрицу VD9 - VD 13 устанавливается нужный Кдел. для данного диапазона.
Кдел. микросхемы D4 для каждого диапазона указан в табл. 1.
Таблица 1.
|
Диапазон RX/TX. МГц |
Частота ГУН. МГц |
ГПД начало-конец, МГц |
Частота на диап. выходе смесителя. МГц |
Кдел. D3 |
Кдел. ДПКД D4 |
|
1.83-1.93 |
7.3-7.4 |
5.3-5.4 |
2 |
4 |
1 |
|
3.5-3.8 |
9-9.3 |
5-5.3 |
4 |
4 |
2 |
|
7.0-7.3 |
12.5-12.8 |
4.5-4.8 |
8 |
4 |
4 |
|
10-10.5 |
15.5-16 |
5.5-6 |
10 |
4 |
5 |
|
14.0-14.4 |
8.5-8.9 |
4.5-4.9 |
4 |
4 |
2 |
|
18.0-18.3 |
12.5-12.8 |
4.5-4.8 |
8 |
4 |
4 |
|
21.0-21.5 |
15.5-16 |
5.5-6 |
10 |
4 |
5 |
|
28-29.7 |
22.5-24.2 |
4.5-6.2 |
18 |
4 |
9 |
Кварцевый генератор собран на транзисторе VT12, он работает на частоте 5 МГц. На транзисторе VT13 собран формирователь импульсов, которые делит на 10 микросхема D6. На выходе ее получается напряжение образцовой частоты 500 кГц. Собственно, не обязательно применять кварц на 5 МГц, можно использовать кварц на 1 МГц, 2 МГц, при этом вместо микросхемы К155ИЕ2 можно включить делитель на 2 или 4 соответственно на микросхеме К155ТМ2. Впрочем, сосем не обязательно сравнивать именно на 500 кГц, только при этом нужно пересчитать Кдел. ДПКД и частоту работы ГПД. ФД собран на микросхемах D 1, D2 и транзисторах VT5, VT6, VT7.
Много различных схем ФД было опробовано в СЧ, но приведенная на рис.2 оказалась лучшей из всех по захвату и удержанию частоты. Схема ФД полностью взята из [2]. Стабильность СЧ полностью определяется стабильностью ГПД, схема которого традиционна и особенностей не имеет. Все методы стабилизации частоты ГПД описаны достаточно хорошо в литературе [1 - 3]. Единственное, что требуется - это установить предел перестройки конденсаторами С34, С36, С37 4, 5-6, 2 МГц. Конденсатором С32 подбирают требуемое значение расстройки. Смонтирован синтезатор на печатной плате из двустороннего стеклотекстолита размерами 120 х 80 мм. Требования к монтажу те же, что к любой цифровой технике. Катушки L1 - L5 и L7 - L11 намотаны на каркасах от ПЧ транзисторных приемников, снабженных экранами и сердечниками. Данные частоты настройки контуров приведены в табл.2.
Таблица 2.
|
Диап. |
Частоты настройки конутров, МГц |
|||||||||
|
L1 |
L2 |
L3 |
L4 |
L5 |
L7 |
L8 |
L9 |
L10 |
L11 |
|
|
1.8 |
7.3 |
2 |
||||||||
|
3.5 |
8.5 |
4 |
||||||||
|
7 |
12.5 |
8 |
||||||||
|
10 |
15.5 |
10 |
||||||||
|
14 |
8.5 |
4 |
||||||||
|
18 |
12.5 |
8 |
||||||||
|
21 |
15.5 |
10 |
||||||||
|
28 |
22.5 |
18 |
||||||||
Данные числа витков и значения емкости не приводятся, т.к. зависят от конкретно выбранных каркасов и сердечников. ГПД выполнен отдельным блоком на плате размером 50 х 40 мм и соединяется со смесителем синтезатора тонким коаксиальным кабелей с волновым сопротивлением 75 Ом. Микросхемы D1 и D2 в ФД для уменьшения размеров платы и длин проводников устанавливают одна над другой (D1 над D2), соединив предварительно по схеме нужные выводы. Дроссели Др1, Др2 могут быть 50 - 150 мГн, реле типа РЭС-49. Т1, Т2 намотаны на кольцах К12х6х5, имеющих проницаемость 200 - 1000 НН (некритично). На месте диодов смесителя КД503А хорошо работают также КД521, КД522, КД514А, КД512 и др., им подобные. КП302В заменяется на любой этой серии. Микросхему D3 К531ТМ2 можно заменить на К555ТМ2, К1533ТМ2 или К131ТМ2. Настройка СЧ заключается в установке частоты ГУН, она должна быть ниже примерно на 10 % частоты, приведенной в табл. 2. Фрагмент настройки ГУН приведен в [1]. Контура смесителя СЧ L7 - L11 настраиваются на частоты, которые приведены также в табл.2. Для этого отключают питание от ГПД и ГУНа (для того, чтобы их сигналы не мешали) и в эмиттер VT10 с ГСС подают сигнал требуемой частоты с уровнем около 0, 2 В, затем по вольтметру, подключенному к базе VT11, добиваются максимальной амплитуды напряжения настройкой контуров L7 - L11 в резонанс. Для устойчивой работы напряжение на базе транзистора VT11 должно быть - 0, 5В. Питается СЧ от трех напряжений - +5 В; +12В;+15В. Синтезатор может быть рассчитан на другое значение ПЧ трансивера, например, 5; 9; 8, 814 МГц и др. Для этого придется изменять Кдел. D4. Это можно сделать в соответствии с табл.3.
Таблица 3.
|
Кдел. D4 в |
Входы D4 коде: 1.2.4.8 |
Лог. состоян. на вх. |
|
1 |
1, 2, 4, 8 |
0 |
|
2 |
1 |
|
|
3 |
2 |
1 |
|
4 |
1.2 |
1 |
|
5 |
4 |
1 |
|
6 |
1, 4 |
1 |
|
7 |
2, 4 |
1 |
|
8 |
1, 2, 4 |
1 |
|
9 |
8 |
1 |
|
10 |
1, 8 |
1 |
|
11 |
2, 8 |
1 |
|
12 |
1, 2, 8 |
1 |
|
13 |
4.8 |
1 |
|
14 |
1.4, 8 |
1 |
|
15 |
2, 4, 8 |
1 |
|
16 |
1, 2, 4, 8 |
1 |
Комбинируя входы предустановки D4, можно получать Кдел от 1 до 16. ГПД СЧ к тому же можно застабилизировать с помощью цифровой шкалы, как это сделано в [3].
Литература.
1. Жемков С. Синтезатор частоты трансивера/ Радиолюбитель. 1992, N 9, С.35 - 36.
2. Денисов В. Синтезатор частоты трансивера/ Радио. - 1990, N 2, С.33.
3. Лаповок Я. Высокостабильный ГПД/ Радио. - 1989, N 3, С.23 - 25.