Синтезатор частоты для радиостанции диапазона 144...146 МГц

Главная сайтаНачало разделаУстройстваСинтезаторы частоты → Синтезатор частоты для радиостанции диапазона 144...146 МГц

В.СТАСЕНКО (RA3QEJ), 396600, г.Россошь, Воронежской обл., ул. Куйбышева, 62. тел.(7396) 2-28-97

В настоящее время промышленностью освоен выпуск микросхемы однокристального синтезатора частоты, построенного по схеме прескалера. Эта микросхема типа К1508ПЛ1 выполнена по КМОП технологии в планарном 14-выводном корпусе. Загрузка коэффициентов деления в регистр управления микросхемы производится в последовательном коде. Микросхема содержит в своем составе делитель частоты с фиксированным коэффициентом деления (ДФКД) и делитель частоты с переменным коэффициентом деления (ДПКД). ВЬвод производится через вывод 4 микросхемы. Код имеет длину 19 разрядов (табл. 1), причем разряды F0...F15 определяют коэффициент деления ДПКД, а разряды R0...R2 - коэффициент деления ДФКД.

Табл.1 Распределение содержимого кода управления в регистре

Разряды регистра управления

18

17

16

15

14

13

12

11

10

9

8

7

6

5

4

3

2

1

0

R2

R1

R0

F15

F14

F13

F12

F11

F10

F9

F8

F7

F6

F5

F4

F3

F2

F1

F0

N1

N2


Синтезатор частоты для радиостанции диапазона 144...146 МГц

Коэффициенты деления ДФКД, которые возможно установить в данной микросхеме приведены в табл.2.

Табл.2

Код управления ДФКД

Коэффициент деления N1

Значение частоты при использования
кварцевого резонатора на 10 МГц

R2

R1

R0

0

0

0

1600

6.25 кГц

0

0

1

800

12.5 кГц

0

0

0

400

25 кГц

0

1

1

200

50 кГц

0

0

0

2000

5 кГц

1

0

1

1000

10 кГц

1

1

0

500

20 кГц

1

1

1

100

100 кГц


Временная диаграмма загрузки коэффициентов деления в регистр управления микросхемы приведена на рис.1.

Для примера найдем код управления синтезатора для случая: Fvco=145 МГц-основная частота генератора, управляемого напряжением (ГУН а); Fкв= 10 МГц - частота кварцевого резонатора; FDIV2=12, 5 кГц - частота сравнения (дискрет перестройки). Тогда:
N1=Fкв/FDIV2=10 МГц/12, 5 кГц=800.
N2=Fvco/FDIV2=145 МГц/12, 5 кГц=11600.
На вход микросхемы D1 - 10 (VCO) необходимо подавать напряжение от генератора, управляемого напряжением (ГУНа) уровнем не менее 1 В.

Синтезатор частоты для радиостанции диапазона 144...146 МГц

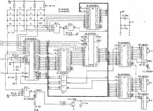
Частота сравнения выбрана равной 12, 5 кГц и равна дискрету перестройки синтезатора по диапазону. Таким образом весь диапазон 144 - 146 МГц разбит на 160 дискретных частот или каналов. Загрузка микросхемы D1 типа К1508ПЛ1 производится через выводы 2, 3, 4 как было описано выше. Кварцевый резонатор ZQ1 - на частоту 10 МГц. Конденсатор С3 служит для точной установки частоты сравнения. На вход 10 микросхемы можно подавать сигнал с частотами до 200 МГц, причем при входной частоте 200 МГц его амплитуда может снижаться с 1 В до 100 мВ. На выходе фазового детектора микросхемы D1 включены диоды VD1 и VD2 для уменьшения нелинейных искажений при модуляции по частоте. Линейно-интегрирующий фильтр на элементах R7, С5, С4 определяет время перестройки синтезатора с одной частоты на другую. Оно составляет около 50 мс. На транзисторе VT1, диоде VD4, светодиоде HL1 типа АЛ307БМ построен индикатор захвата кольца захвата фазовой автоподстройки частоты (ФАПЧ). Транзистор VT1 -типа КТ315Б. При захвате ФАПЧ светодиод гаснет. С линейно-интегрирующего фильтра напряжение рассогласования по частоте подается на варикап VD3 типа КВ109Г. ГУН построен на транзисторе VT2 типа КТ325Б по схеме с общей базой. Такая схема является более широкополосной и выдает большую амплитуду сигнала по сравнению со схемой общий эмиттер. Буферный усилитель ГУНа для микросхемы DA1 построен на резистивном усилителе на транзисторе VT4 типа КТ325Б. Модулирующее напряжение на варикап VD3 подается через вывод 4 платы. Выходное напряжение синтезатора на приемник и усилитель мощности радиостанции снимается с истока транзистора VT3 типа КП307Г.

Синтезатор частоты для радиостанции диапазона 144...146 МГц

Он построен на микропроцессоре типа K1830BE31, выполненном также по КМОП технологии. Клавиатура контроллера содержит 16 кнопок S1...S16, которыми устанавливается номер канала от 0 до 160 при предварительном нажатии кнопки "канал" - "К". Кнопки "<-" и "->" служат для смещения на один канал ниже или выше по частоте. При длительном удержании этих кнопок производится быстрая перестройка по каналам. При нажатии кнопки "СК" осуществляется сканирование каналов, начиная с установленного и выше по частоте. Процесс сканирования носит кольцевой характер. На каждом канале синтезатор задерживается на 5 секунд. При повторном нажатии на любую из кнопок сканирование прекращается на канале, установленном на текущий момент времени. В контроллере имеется возможность записи до 10 выбранных каналов при нажатии кнопки "П". Нажатие на кнопку "П" -после каждого набора запоминаемого канала. При этом набранным каналам присваиваются номера от 0 до 9. Чтобы теперь установить один из заранее подготовленных каналов, необходимо просто нажать одну из кнопок с соответствующей цифрой. Для смены подготовленного канала необходимо нажать кнопку с другой цифрой. Кнопка "СКП" позволяет осуществлять сканирование предварительно выбранных каналов. В момент записи номера канала загорается светодиод HL2 "Запись" типа АЛ307БМ. Индикатор номера канала построен на светодиодных матрицах HG1... HG3 типа АЛС324А. При отсутствии нажатия на клавиатуру в течение 3-х минут происходит гашение индикации путем отключения регистров D7, D8 и индикаторов HG1... HG3 как наиболее энергопотребляющих при помощи ключа на транзисторе VT1 типа КТ815Б. При этом загорается светодиод HL1 "Работа" типа АЛ307БМ. Клавиатура контроллера работает по прерываниям по входу INTO микросхемы D1. Переключение "прием-передача" осуществляется при помощи прерывания INT1, при этом порт Р1 микросхемы D1 переводится в режим ввода и происходит опрос разряда порта Р1.6. Пока на нем регистрируется контроллером низ-кии логический уровень, в управлящий регистр синтезатора частот записывается код частоты передачи выбранного канала. Частота приема в данном синтезаторе устанавливается после отпускания клавиши "прием-передача". Эта клавиша подключается через вывод 7 контроллера. Данный синтезатор рассчитан на работу с радиостанциями, у которых первая промежуточная частота равна 10, 7 МГц. Можно выбрать и другую промежуточную частоту, но при этом придется переписать некоторые ячейки памяти ПЗУ контроллера. Через выводы 1, 2, 3 платы код частоты с контроллера подается на плату синтезатора. При отсутствии у радиолюбителя данного микропроцессора контроллер можно построить на микропроцессоре другой серии или выполнить на "жесткой" логике, как это было сделано в статье в "РЛ" N 10, 1993 г.

Схема соединения плат синтезатора и контроллера приведена на рис.4.

Синтезатор частоты для радиостанции диапазона 144...146 МГц

Puc.4

Стабилизаторы напряжения на +5В и +9В построены па микросхемах D1 типа КР142ЕН5А и D2 типа КР142ЕН8А соответственно. Питается синтезатор от источника питания напряжением +12В. Конструктивно синтезатор частот выполнен на двух печатных платах из двустроннего фольгированного стеклотекстолита. Необходимо осуществить хорошую экранировку обеих плат. Катушка L1 синтезатора намотана на каркасе из органического стекла диаметром 5 мм и содержит 30 витков провода ПЭВ-2 диаметром 0, 15 мм, намотанных виток к витку. Катушка L2 - бескаркасная и имеет 4 витка провода ПСР-0, 8, намотанных на оправке диаметром 5 мм, длина намотки - 8 мм. Настройка синтезатора начинается с контроллера. При правильном монтаже и исправных комплектующих элементах, а также при правильно запрограммированном ПЗУ контроллер настройки не требует. Подключив контроллер к синтезатору, устанавливают частоту 145 МГц, что соответствует каналу номер 80, и вращением ротора конденсатора С6 добиваются напряжения В точке его соединения с варикапом VD3 и резистором R8 - 3 В Все это производят при нажатой клавише "прием-передача", т.е. в режиме передачи, затем отпускают клавишу "прием-передачу", при этом на выходе синтезатора должна установиться частота в 134, 3 МГц. Контроль частоты ведут цифровым частотомером на выводе 6 платы синтезатора. При необходимости сжимают или. растягивают витки катушки L2. Затем подают модулирующее напряжение на вывод 4 платы синтезатора с частотой 1 кГц и амплитудой 250 мВ. Резистором R13 устанавливают девиацию частоты, равную 3 кГц. Контроль ведут измерителем девиации частоты типа СКЗ-43 или любым другим. Можно установить девиацию и по имеющемуся ЧМ приемнику на 144...146 МГц по наиболее громкому и чистому сигналу. Измеритель девиации подключают к выводу 6 платы синтезатора. Девиацию устанавливают при нажатой клавише "прием-передача", т.е. в режиме передачи. Вращением ротора конденсатора С3 и сердечника катушки L1 устанавливают точно частоту сравнения в 12, 5 кГц. На этом настройка синтезатора частот заканчивается.

По вопросам приобретения рисунков печатных плат, комплекта документации, прошивки ПЗУ, а также микросхем синтезатора и процессора просьба обращаться к автору.

Радиолюбитель 4/95, с.41-44.


counter  ||  Хостинг Web1.0