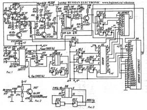
Синтезатор частот предназначен для работы в радиостанциях с первой ПЧ 10, 7 МГц. Вырабатывает 8 частот на передачу и 8 но прием с разносом 10, 7 МГц. Шаг сетки 12, 5 кГц. Номер канала набирается в двоичном коде на входах управления "1", "2. "4"; Uпит - 9 В; Iпот - 13 мА. Переход с приема на передачу осуществляется сигналом А. Задающие генераторы приема и передачи выполнены Ha VTl и VT2 по схеме емкостной трехточки (рис.1). F)), где Ст - C100+ + C4C5/(C4+ С5) (для передачи). Напряжение ВЧ, равное примерно 1 В, через С6 (С9) поступает на делитель с переключаемым коэффициентом деления (ДПКД), который собран на D), VT3, D2, D3, D4.Коэффициент деления ДПКД (Кдел) М - 4 (1 ON+ А). Число А задается на управляющих входах D3 в двоично-десятичном коде. Число N устанавливается на входах D4 согласно таблице. Схема управления собрано на D6, D7. 4, D7. 3, D5, генератор опорной частоты - на D9. Далее опорная частота с вывода 4 D9 поступает на делитель с фиксированным Кдел, собранным на D8, D7. 1, D7. 2. С выхода делителя Fon - 3125 Гц поступает но вход фазового детектора (ФД) (выв. 14 D9). Но другой вход ФД поступает сигнальная частота, примерно равная 3125 Гц. Управляющее напряжение с выхода ФД через ФНЧ (R18, R19, C16, C17) поступает на варикапы генераторов. Модулирующее НЧ напряжение (примерно 1 В) подается на RЗ. Между ГУН передатчика и усилителем мощности необходимо поставить буферный каскад (рис. 2). Следует иметь в виду, что на плате нет места для установки С4. С8, 08, 09. В синтезаторе можно использовать кварц но 1 МГц, но при этом необхо димо переделать опорный делитель согласно рис. 3. Настройка синтезатора сводится к точной установке генератора опорной частоты емкостью 04 по выводу 4 D9. Проверяют прохождение сигнальной и опорных частот на входы ФД. Изменение напряжения в точке* КТ' при вращении LI (L2) свидетельствует о наличии захвата в кольце ФАПЧ. Подстройкой L1 (L2) в точке 'КТ' выставляют Uy -4, 5 В. Необходимо помнить, что по цепи управления варикапами должна быть минимальная утечка на корпус (06). Этот конденсатор должен быть ксиднополупроводниковым с минимальнмы током утечки (К52-1. К53-4 и т. д.). При использовании резонатора на 1 МГц 08, 09 можно не устанавливать. Катушки 11, 12 содержат примерно 15 витков на каркасе диаметром 5 мм.
|
564ИЕ15 (N) |
561ИЕ11 (А) | Управляющие входы | ||||||||||||||||||
| 200 | 100 | 80 | 40 | 20 | 10 | 8 | 4 | 2 | 1 | 8 | 4 | 2 | 1 | А | •4 | •2- | "1" | f. kHz | ||
| 0 | 0 | 0 | о | 1 | 0 | 1 | 1 | 1 | о | о | 1 | о | 0 | 0 | 0 | 0 | 27150 | |||
| 0 | 0 | о | о | 1 | 0 | 1 | 1 | 1 | о | о | 1 | 1 | 0 | 0 | 0 | 1 | 271 62, 5 | |||
| 0 | 0 | о | о | 1 | 0 | 1 | 1 | 1 | о | 1 | о | о | о | 0 | 1 | 0 | 27175 | |||
| 0 | 0 | о | о | 1 | 0 | 1 | 1 | 1 | о | 1 | о | 1 | о | 0 | I | 1 | 271 87, 5 | |||
| 0 | 0 | о | о | 1 | 0 | 1 | 1 | 1 | о | 1 | 1 | о | о | 1 | 0 | 0 | 27200 | |||
| 0 | 0 | о | о | 1 | 0 | 1 | 1 | 1 | о | 1 | 1 | 1 | о | 1 | 0 | 1 | 2721 2, 5 | |||
| 0 | 0 | о | о | 1 | 0 | 1 | 1 | 1 | 1 | о | о | о | о | 1 | 1 | 0 | 27225 | |||
| 0 | 0 | о | о | 1 | 0 | 1 | 1 | 1 | 1 | о | о | 1 | о | 1 | 1 | 1 | 27237, 5 | |||
| 0 | о | о | 1 | 1 | 0 | 0 | 0 | 1 | о | 1 | 1 | о | 1 | 0 | 0 | 0 | 16450 | |||
| 0 | о | о | 1 | 1 | 0 | 0 | 0 | 1 | о | 1 | 1 | 1 | 1 | 0 | 0 | 1 | 16462, 5 | |||
| 0 | о | о | 1 | 1 | 0 | 0 | 0 | 1 | 1 | о | о | о | 1 | 0 | 1 | 0 | 16475 | |||
| 0 | о | о | 1 | 1 | 0 | 0 | 0 | 1 | 1 | о | о | 1 | 1 | 0 | 1 | 1 | 16487, 5 | |||
| 0 | о | о | 1 | 1 | 0 | 0 | 1 | 0 | о | о | о | о | 1 | 1 | 0 | 0 | 16500 | |||
| 0 | о | о | 1 | 1 | 0 | 0 | 1 | 0 | о | о | о | 1 | 1 | 1 | 0 | 1 | 16512, 5 | |||
| 0 | о | о | 1 | 1 | 0 | 0 | 1 | 0 | о | о | 1 | о | 1 | 1 | 1 | 0 | 16525 | |||
| 0 | о | о | 1 | 1 | 0 | 0 | 1 | 0 | о | о | 1 | 1 | 1 | 1 | 1 | I | 16537, 5 | |||
В. В. Васильев. Оренбург. 460051. а/я 2395
Радиоаматор 8-95--14