Синтезатор частоты для портативной радиостанции

Главная сайтаНачало разделаУстройстваСинтезаторы частоты → Синтезатор частоты для портативной радиостанции

Публикация в "РЛ" N 8/91 схемы и описания "Портативной радиостанции личного пользования" вызвала большой читательский интерес. Анализируя поступающую почту, я пришел к выводу, что основным препятствием при повторении этой конструкции является приобретение кварцевых резонаторов с разносом частот в 465 кГц. Другим недостатком является одноканальность радиостанции. Поэтому для ее усовершенствования был разработан синтезатор частоты, в котором используется всего один кварцевый резонатор на частоты от 500 кГц до 2 МГц.

Синтезатор частоты позволяет работать на всех 11 каналах, разрешенных для работы с частотной модуляцией в диапазоне 27 МГц. Его также можно выполнить и в одноканальном варианте (при этом схема упростится) а также перестроить на частоты, разрешенные для работы с амплитудной модуляцией.

Структурная схема синтезатора частоты приведена на рис.1. Синтезатор построен по принципу кольца фазовой автоподстройки частоты (ФАПЧ) и делителя частоты с переменным коэффициентом деления (ДПКД).

Синтезатор частоты для портативной радиостанции

Puc.1

Управляемый генератор G1 работает на частоте передачи или гетеродина в зависимости от состояния тангенты "прием - передача". С его выхода сигнал поступает на приемник, передатчик и ДПКД, состоящий из счетчика с переключаемым коэффициентом деления ПД. Последний делит входную частоту на 10 и 11, в зависимости от выбираемого канала и состояния поглощающего счетчика LN. Затем сигнал поступает собственно на ДПКД, где устанавливается необходимый канал и учитывается сдвиг частоты при переходе с приема на передачу. Общий коэффициент деления делителя частоты от входа ПД до выхода ДПКД определяется так:

N=a+10*b,

где a, b - коэффициенты, устанавливаемые узлом установки частоты СУЗ.

С выхода ДПКД сигнал с частотой около 1, 25 кГц поступает на импульсно-частотный фазовый детектор (ИЧФД). Сюда же поступает опорная частота, вырабатываемая генератором G2 и пониженная делителем Д до 1, 25 кГц. Выходное напряжение с ИЧФД фильтруется ФНЧ, который определяет полосу захвата и полосу удержания кольца ФАПЧ. Затем оно поступает на варикапы управляемого генератора G1 и производит его подстройку до совпадения опорной частоты и частоты генератоа G1 с учетом коэффициентов деления. Сравнение ведется на частоте 1, 25 кГц.

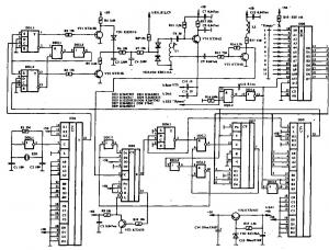
Принципиальная схема синтезатора частоты приведена на рис.2. Опорный генератор выполнен на элементе D2.1 микросхемы К564ЛН2. Кварцевый резонатор Z1 применен на частоту 500 кГц. Делитель частоты с фиксированным коэффициентом деления делит эту частоту на 400, т.е. до 1, 25 кГц. Он выполнен на микросхеме D4 К564ИЕ15. Сигнал с этой частотой подается как опорный на ИЧФД, собранный на элементах D1, D2.2, D3.1 и транзисторах VT1, VT2.

Синтезатор частоты для портативной радиостанции

Генератор, управляемый напряжением, выполнен на транзисторе VT4 типа КТ316Д по схеме индуктивной трехточки. Его частота перестраивается с помощью варикапной матрицы КВС111 A напряжением, поступающим с ИЧФД через фильтр нижних частот на элементах СЗ, R6, С4. Сюда же с микрофонного усилителя поступает и модулирующее напряжение через резистор R8.

Сигнал с ГУНа приходит на приемник и передатчик радиостанции через емкости С10, С11. Затем он попадает на буферный усилитель на транзисторе VT5 типа КТ315В. Усиленный, он подается на делитель 10/11, выполненный на микросхеме D5 К153ИЕ10. На транзисторе VT3 построен быстродействующий инвертор сигнала.

С вывода 11 микросхемы D5 сигнал подается на триггер D6.1, микросхемы К564ТМ2, делящий частоту еще в два раза. Это сделано потому, что счетчик ДПКД D9 типа К564ИЕ15 при напряжении питания 5 В может устойчиво работать лишь на частоте не выше 1, 5 МГц. Узел управления переключением делителя 10/11 построен на элементах D2.4, D3.2, D3.3 и поглощающем счетчике D7 типа К564ИЕ11.

ДПКД собран на микросхеме D9. Управление его коэффициентом деления осуществляется кодами из ПЗУ D8. В качестве ПЗУ применена микросхема К573РФ4, но лучше, для снижения потребляемого тока, применить 2764С.

Номер канала устанавливается с помощью переключателя SA1. На элементах D2.5, D3.4 построена схема подавления дребезга контактов переключателя "прием-передача". С нее управляющий сигнал подается на ДПКД для организации сдвига частоты на 465 кГц при переходе с приема на передачу. Питается синтезатор от стабилизатора напряжения, построенного на транзисторе VT6 и стабилитроне VD2.

Конструктивно синтезатор частоты выполнен на печатной плате из двухстороннего фольгирован-ного стеклотекстолита размером 65 х 60, которая располагается в корпусе радиостанции на месте элементов питания (см. "РЛ" N 8). Элементы питания располагаются позади печатной платы в специальном контейнере. При этом толщина корпуса радиостанции увеличивается с 20 до 33 мм.

Напряжение питания радиостанции в таком исполнении следует увеличить до 9 В, что будет способствовать устойчивой работе синтезатора частоты, а также увеличит выходную мощность передатчика.

Катушка L1 намотана на каркасе диаметром 5 мм и имеет 15 витков провода ПЭВ-2 диаметром 0, 25 мм с отводом от 5 витка, считая от заземленного конца. Катушка L2 намотана на ферритовом кольце типоразмера К7х4х2 из феррита Ф600НН и содержит 20 витков того же провода. Коды, записанные в ПЗУ, приведены в таблице.

Номер канала

Передача. Адрес

Передача. Код

Прием. Адрес

Прием. Код

1

001

06

801

47

2

002

66

802

А7

3

004

07

804

48

4

008

67

808

А8

5

010

08

910

49

6

020

68

820

А9

7

040

09

840

50

8

080

69

880

В0

9

100

10

900

51

10

200

70

А00

В1

11

400

11

С00

52

По оставшимся адресам ПЗУ может быть записана любая информация. Переключатель каналов SA1 выведен на панель рядом с регулятором шумопонижения.

При подключении синтезатора к радиостанции следует пользоваться схемами рис.3 и рис.4. Каскад радиостанции, ранее выполнявший роль гетеродина, теперь будет буфером-усилителем. Гетеродинная часть микросхемы DA1 КД74ПС1 также выполняет роль буфера. Катушки L1 и L2 на рис. 4 намотаны на кольце из феррита М50ВЧ2 размером К7х4х2 и содержат по 10 витков провода ПЭВ-2 диаметром 0, 25 мм. Обмотки мотаются двумя проводами одновременно, скрученными с небольшим шагом.

Синтезатор частоты для портативной радиостанции


Настройка синтезатора сводится к установке частоты ГУНа сердечником катушки L1 так, чтобы при переключении каналов и переходе с приема на передачу происходил уверенный захват частоты с помощью кольца ФАПЧ. О захвате можно судить по форме напряжения на выводе 12 DA1.2. "Картинка" на экране осциллографа должна быть устойчивой. Резистор R8 подбирают по отсутствию срыва слежения ФАПЧ при наиболее громких звуках, произносимых в микрофон.

В синтезаторе можно использовать микросхемы типов К564, К561, К176, D5 - типа К555. Транзисторы можно применить типа КТ312, КТ315, КТ316 и т.д. Варикапную матрицу КВС 111 A можно заменить двумя варикапа-ми типов КВ109, КВ110, КВ124, Д901. В ПЗУ применима также микросхема К573РФ6. При использовании же микросхем К573РФ2 и К573РФ5 число каналов сократиться до 10. Матрицу ПЗУ можно собрать и на диодах типа КД522Б, хотя это займет значительно больше места.

Вместо резисторов R18 - R28 желательно применить резисторные блоки типов Б19-1 или Б19-2 соответствующего номинала. При использовании в синтезаторе кварцевых резонаторов на частоту, отличную от той, которая выбрана автором, необходимо перестроить коэффициент деления микросхемы D4 с помощью соответствующей распайки перемычек так, чтобы на выводе 23 импульсы следовали с частотой 1, 25 кГц.

Правильно настроенный синтезатор частоты потребляет ток от источник питания напряжением 9 В не более 15 - 20 мА.

При повторении радиостанции с синтезатором частоты печатную плату лучше изменить, разработав заново. Это позволит уменьшить габариты всего устройства. В авторском варианте эта радиостанция имеет размеры 150 х 70 х 25 мм при питании от аккумуляторов.

В. СТАСЕНКО (RA3QEJ) 394029, г.Воронеж, ул.Щорса, 164 - 42.

(РЛ 1-92)




counter  ||  Хостинг Web1.0