Синтезатор частоты для автомобильной радиостанции диапазона 27 МГц

Главная сайтаНачало разделаУстройстваСинтезаторы частоты → Синтезатор частоты для автомобильной радиостанции диапазона 27 МГц

В. ВАСИЛЬЕВ, 460040, г. Оренбург, пр. Гагарина, 23 - 20

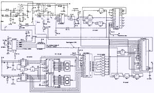
Данный синтезатор частот (СЧ), показанный на рис. 1, использован в автомобильной радиостанции с двойным преобразованием частоты. Первая ПЧ имеет стандартное значение 10, 7 МГц. СЧ вырабатывает стандартную 40 канальную сетку частот для работы передатчика и необходимую сетку гетеродинных частот для работы первого смесителя приемника. В данной конструкции предусмотрено смещение сетки на 5 кГц.

Синтезатор частоты для автомобильной радиостанции диапазона 27 МГц

Рабочий диапазон в режиме передачи 26975...27365 кГц (26970...27360 кГц) (вход А). Рабочий диапазон в режиме приема - 16275...16665 кГц (16270...16660кГц) (выход В). Шаг сетки- 10 кГц. Уровень модулирующего НЧ напряжения - 300...900 мВ. Крутизна характеристики управления - 300 кГц/В. Время перестройки частоты: не более 100 мс. Хотя на сегодняшний день имеются однокристальные СЧ, все они имеют динамическое управление и предполагают запись многоразрядного слова в последовательном коде. При этом схема управления для таких синтезаторов получается довольно сложной и содержит - 14 - 16 корпусов серии 561 для устройства, подобного приведенному в статье. По сравнению с другими подобными конструкциями СЧ, включая опубликованные в "РЛ", данная конструкция обладает наибольшим отношением эффективность/затраты. Данный СЧ представляет собой однопетлевое кольцо фазовой автоподстройки частоты (ФАПЧ) с импульснофазовым детектором с тремя состояниями (ИЧФДЗ). Управляемый генератор (УГ) для работы на передачу собран на Т1 по схеме емкостной трехточки и включается при открывании Т2. Сигнал через С6 поступает на делитель с переключаемым коэффициентом деления (ДПКД), который образован злементами D1, D2, D3, D4. Коэффициент деления ДПКД M=4x(10N+A). Число A зaдается на управляющих входах D3 в двоично-десятичном коде. Число N устанавливается на входах D4. Составными частями ДПКД являются: высокочастотный предварительный делитель на 40/44, программируемый счетчик D3, низкочастотный делитель D4. Сигнал с УГ вначале поступает на D 1, который в зависимости от сигнала управления работает в режиме деления на 40 или 44. С выхода D1 (вывод 5) импульсная последовательность поступает на преобразователь уровня ЭСЛ -> КМОП, собранный на Т5, и затем через схему блокировки (D2) подается на счетный вход программируемого счетчика D3. С помощью счетчика D3 происходит управление делителем D1. На D6 собран опорный генератор (ОГ), вырабатывающий колебания 500 кГц. На этом же элементе собран ИЧФДЗ. На элементе D7 собран делитель сигнала ОГ до значения Fоп=1250Гц. Сигнал с выхода ДПКД и опорное колебание 1250 Гц поступают на вход ФД. В зависимости от соотношения фаз на выходе ФД (вывод 13 D6) появляется управляющее напряжение (Uупр), кoтopoe через ФНЧ (R18, R19, С19, С20) воздействует на варикап V1 (V2) УГ и подстраивает его так, что бы фазовое рассогласование свести к минимуму. В режиме захвата частота УГ будет точно равна Fуг=FопM и ее нестабильность не будет превышать нестабильности кварцевого генератора. Схема управления и индикации собрана на элементах D8, D9, D10, D11, HG1, HG2, D12, D13, D14. Кнопка SB1 управляет счетчиком младших разрядов, a SB2 - старших, что удобно при поиске нужного канала. Все кодовые комбинации, необходимые для управления СЧ, записаны в РПЗУ D12. Настройка СЧ сводится к точной установке частоты 500 кГц конденсаторами С16, С17. Катушками L2 (в режиме передачи) и L1 (в режиме приема) необходимо выставить Uупр=4, 5 В в точке КТ (при двадцатом номере канала на индикаторе). Частота УГ определяется соотношением (в режиме передачи) Fпер=1/2пSqr(L2Cт). Ст=С2+С4*С5/С4+С5. Ток потребления определяется в основном собственно схемой управления и индикации, а синтезатор имеет Iпотр=12 мА. Варикапы V1, V2 лучше использовать типа КВ132А, вместо 564ИЕ15 можно использовать КА561ИЕ15А. Конденсатор С19 должен быть с минимальным током утечки (оксидно-полупроводниковый).

Литература

1. Левин В. и др. Синтезаторы частот с системой импульсно-фазовой автоподстройки.- М.: Радио и связь, 1989.
2. Манасевич В. Синтезаторы частот. Пер. с англ. - М., 1979.

Радиолюбитель 6/94, с.20-21.




counter  ||  Хостинг Web1.0