Синтезатор частот для портативной радиостанции

Главная сайтаНачало разделаУстройстваСинтезаторы частоты → Синтезатор частот для портативной радиостанции

С.ШЕВЧЕНКО, 333004, Крым, г.Симферополь, пр.Победы, 60 - 28

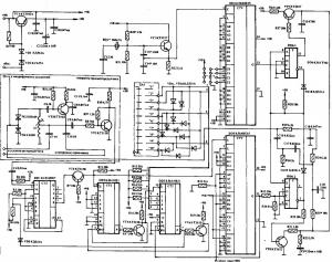
Устройство обеспечивает генерацию сетки частот в диапазоне 27150 - 27262, 5 кГц при передаче и в диапазоне 27615 - 27727, 5 кГц при приеме для 1 б каналов с шагом 12, 5 кГц. Оно предназначено для встраивания в портативную радиостанцию УКВ-диапазона 27 МГц с питанием от источника тока напряжением 9 вольт. При разработке синтезатора частот учитывались требования простоты, минимального энергопотребления и доступности комплектующих элементов. Синтезатор построен на основе кольца фазовой автоподстройки частоты (ФАПЧ), включающего в себя делитель с переменным коэффициентом деления (ДПКД), импульсный частотнофазовый детектор (ИЧФД), фильтр нижних частот (ФНЧ) и генератор приемопередатчика. Кроме того, в состав синтезатора входят формирователь опорной частоты, диодный шифратор номера канала и стабилизатор напряжения +5В.

Синтезатор частот для портативной радиостанции

С генератора приемопередатчика на транзисторе VT2 через буферный усилитель VT3 сигнал поступает на ДПКД (микросхемы DD1, DD2, DD3, DD5, транзисторы VT4...VT6). Его коэффициент деления определяется формулой: К=К1хК4хК5+(КЗ-К4хК5)хК2, где К1, К2 - коэффициент деления счетчика DD1 при различных уровнях сигнала управления, поступающего на его вход предустановки от микросхемы DD3 (К1 = 13, К2 = 12); К3 - коэффициент деления счетчика DD5, который изменяется в зависимости от режима работы радиостанции ("Прием - Передача") подачей напряжения +9В на контакт "Uпит.прм." от соответствующего переключателя при приеме и его снятием при передаче (при приеме К3=1841, при передаче- 1810);К4 - коэффициент деления счетчика DD2 (К4-10); К5 - коэффициент деления счетчика DD3, который изменяется от выбора номера канала от 0 (Nк=1) до 9 (Nк=10), устанавливаемого переключателем SA1. Транзистор VT4 используется как преобразователь уровня сигнала, VT5, VT6 - инверторы.

Принятые в схеме конкретные значения коэффициентов деления обусловлены диапазоном вырабатываемых синтезатором частот, частотным сдвигом между двумя соседними каналами (12, 5кГц) и между частотами, генерируемыми при приеме и передаче (465 кГц), а также частотой сравнения, с которой напряжение сигнала поступает с выхода ДПКД к ИЧФД (1, 25 кГц). Например, если установлен Nк=5, то К5=4, и в режиме передачи Кпрд.=13х10х4+(1810-40)х12=21760. При частоте сравнения fср=1, 25 кГц получаем частоту генерации 21760х1, 25=27200 кГц. В режиме приема Кпрм.=13х10х4+(1841-40)х12=22132 и частота генерации 22132х1, 25=27665 кГц. ДПКД работает следующим образом. Очередной сигнал напряжением единичного уровня с выхода G микросхемы DD5 производит предустановку номера канала на входах счетчика DD3. При этом сигналы с выхода Р микросхемы DD3 и коллектора транзистора VT6 устанавливают коэффициент деления счетика DD1 К1-13 и разрешают счет счетчику DD 2. После отсчета числа периодов Т=Тген.х13, поступающих с выхода DD1, равного Nкх10, напряжение нулевого уровня с выхода Р DD3 и единичного (с коллектора VT6) устанавливают К1=12 и останавливают работу счетчика DD2 до появления очередного сигнала напряжением лог."1" на выходе G микросхемы DD5. формирователь сигнала опорной частоты состоит из задающего генератора на транзисторе VT7 и делителя частоты на микросхеме DD4. Частота задающего генератора стабилизирована кварцевым резонатором BQ1. На выходе G микросхемы DD4 вырабатывается сигнал с частотой 1, 25 кГц. При принятой на схеме частоте резонатора 500 кГц коэффициент деления счетчика DD4 равен 400 (установвлен перемычками на входах Сi). Возможно использование резонаторов с другими частотами от 125 кГц до 1, 5 МГц, кратными частоте 125 кГц. Необходимый коэффициент деления устанавливается распайкой перемычек на входах DD4. Настройка опорного генератора на принятую частоту заключается в подборе конденсаторов С13, С14. В состав ИЧФД входят два D-триггера DD6, транзисторы VT8, VT9. На диодах VD18, VD 19 собрана схема лог."И" сигналов, поступающих с инверсных выходов триггеров DD6.1, DD6.2. Схема устанавливает триггеры в единичное состояние. При совпадении, либо малой разности фаз сигналов, поступающих на входы С триггеров, транзисторы VT8, VT9 закрыты. При увеличении разности фаз, в зависимости от их соотношения, открывается либо транзистор VT8, либо транзистор УТ9"и происходит заряд или разряд конденсаторов ФНЧ, в состав которого входят C15, R33, C19, R35, C20. Проходя далее через двойной Т-образный мост (R29, R30, R34, С16...С18), подавляющий остаточный фон 1, 25 кГц, напряжение сигнала поступает на варикапы VD3, VD4 генератора приемопередатчика, перестраивая его частоту так, чтобы на выходе ДПКД устанавливалась частота 1, 25 кГц. Подбором резистора R1 устанавливается напряжение +5В на выходе стабилизатора, собранного на транзисторе VT1, диоде VD 1, стабилитроне VD2. Диод VD1 служит для термокомпенсации напряжения стабилизации. Шифратор номера канала собран на диодах VD6...VD17. На выходе шифратора устанавливается инверсный двоичный код. В режиме передачи напряжение питания +9В от переключателя "Прием-Передача", входящего в состав радиостанции, подается на микрофонный усилитель и усилитель мощности передатчика. Необходимо установить такой размах сигнала на выходе микрофонного усилителя, при котором девиация частоты генератора приемопередатчика не превышала бы 3 кГц. В режиме приема напряжение питания этим же переключателем подается к приемному тракту радиостанции. Второй группой контактов переключателя антенное гнездо переключается от входа приемника к выходу усилителя мощности передатчика и наоборот. Синтезатор частот вместе с генератором приемопередатчика собран на одной двусторонней печатной плате размером 60х114 мм. В синтезаторе частот использованы резисторы типа МЛТ, С2-23, С2-33, электролитические конденсаторы типа К53-18, конденсаторы С7, С10 - типа КД26, остальные - КМ-56. Катушка индуктивности L1 намотана на пластмассовом каркасе диаметром 5 мм с сердечником 100 ВЧ проводом ПЭВ-2 0, 5 мм. Число витков - 4с отводом от середины. Переключатель каналов SA1 - типа ПР2-10П1НВР.

Настройка синтезатора начинается со стабилизатора +5В. Затем устанавливается опорная частота 1, 25 кГц на выходе G микросхемы DD4 путем настройки генератора на транзисторе VT7 и установки требуемого коэффициента деления счетчика DD4. Затем разрывается кольцо ФАПЧ - выход Т-моста отключается от генератора приемопередатчика. Также отключается и выход микрофонного усилителя. К генератору, в точку соединения варикапов VD3, VD4 подключается движок переменного резистора 10 - 20 кОм, один вывод которого соединяется с цепью +9В, а другой - с общим проводом. Изменяя напряжение на движке резистора в пределах 2 - 4 В и вращая сердечник катушки индуктивности L1, добиваются частоты генерации 27150 кГц. Далее, установив Nк=1 и режим "Передача", контролируют на выходе G счетчика DD5 напряжение сигнала с частотой 1, 25 кГц. Затем, удалив переменный резистор и вновь замкнув кольцо ФАПЧ, контролируют в этом же режиме частоту генерации 27150 кГц. При необходимости подбирается номинал резистора R35. При изменении режима работы с передачи на прием должна устанавливаться частота генерации 27615 кГц. Далее, переключая номер канала до 10, контролируют частоту генерации в обоих режимах. При переключении с канала на соседний канал частота генерации должна изменяться на 12, 5 кГц. Наконец, подключив к генератору приемопередатчика выход микрофонного усилителя и установив режим "Передача", добиваются, чтобы девиация частоты генератора не превышала 3 кГц. Проще всего это сделать, прослушивая настраиваемую радиостанцию через какой-либо приемник и добиваясь неискаженного на слух приема. На этом настройка синтезатора заканчивается. Суммарный ток, потребляемый синтезатором и генератором приемопередатчика по питанию +9В, не превышает 8 - 10 мА.

При выборе диапазона частот учитывались требования практической достаточности 10 каналов и возможность работы на частоте, принятой для многих одноканальных радиостанций диапазона 27 МГц. При некотором усложнении схемы, добавив к микросхеме DD3 еще одну - типа К561ИЕ11, в качестве счетчика старших разрядов, и изменив схему шифратора номера канала с коэффициентом деления счетчика DD5 - можно увеличить число каналов до 256. Несложно изменить также и частотный интервал между смежными каналами, например, установить 10 кГц. Для этого необходимо установить опорную частоту 1 кГц, изменить коэффициент деления счетчика DD5 и перестроить Т-мост на частоту 1 кГц.

На основе этой схемы можно построить синтезаторы частот и для других частотных диапазонов. Думается, ее можно также использовать в качестве базовой при разработке промышленной однокристальной схемы синтезатора.


Радиолюбитель 9/93, с.14-15.




counter  ||  Хостинг Web1.0