Расчет синтезатора на основе ФАПЧ с ДПКД

Главная сайтаНачало разделаУстройстваСинтезаторы частоты → Расчет синтезатора на основе ФАПЧ с ДПКД

С.ГУРОВ, 195248, Санкт-Петербург, ул.Пороховская, 54/1 - 72.

Целью статьи является показать на примере микросхемы синтезатора (КР1015ХК2, 3) расчет коэффициентов деления и частотных соотношений синтезатора частоты на основе ФАПЧ с ДПКД как наиболее простого и доступного основной массе радиолюбителей.

В статье не предлагается схема синтезатора частоты, а дается только расчет коэффициентов деления и соотношений частот. Приведенная универсальная схема управления синтезатором предназначена для микросхем синтезаторов с последовательным вводом данных (КР1015ХК2, 3 и т.п. [8]). Микросхемы синтезаторов других типов имеют более удобный интерфейс и практически не требуют дополнительной "обвески" (микросхема NJ8820 [2, 3]). Поэтому приведена только блок-схема синтезатора, и то не вся ее часть. Причем основная ее часть (кроме ВД и ФНЧ) обычно содержится в микросхемах синтезаторов частот (например КР1015ХК2, 3; NJ8820 и т.п. [8]).



Расчет синтезатора на основе ФАПЧ с ДПКД

Структурная схема синтезатора [1] показана на рис.1, на котором приняты следующие обозначения:

Код управления синтезатором показан на рис.2.

Расчет синтезатора на основе ФАПЧ с ДПКД

Рис.2.

Основные соотношения частот синтезатора:

Fвх=Fо*К*Кдпкд+Fo*N*Кпс,

где К - коэффициент деления ВД (Квд).

Расчет коэффициентов деления

Коэффициент деления ДПКД

Кдпкд=Fвх/(Fо*К),

т.е. целое число без остатка.

Коэффициент деления ПС

Кпс=(Fвх/(Fо*К)-Кдпкд)/(N*Fo),

т.е. остаток, от деления при вычислении Кдпкд, деленный на минимальный шаг сетки частот.

Коэффициент деления ОД

Код=Fкв/Fо,

т.е. частота опорного кварца, деленная на опорную частоту ФД.

Некоторые типы синтезаторов имеют фиксированные коэффициенты деления ОД (КР1015ХКЗ имеет Код=1024; 2560; 5120).

Пример расчета синтезатора

1. Исходные данные:

2. Исходя из Fвх и Fmax выбираем Кдел 20/22, т.е. Квд=20, N=2.

Далее вычисляем Fo, как dF/N=25/2= 12, 5 кГц.

Возьмем Код=1024, тогда Fкв=12, 5*1024=12800 кГц.

Если взять Кдел 40/44, получим Fo=6, 25 кГц и при Код=1024 Fкв=6, 25*1024=6400 кГц.

Теперь определим dFдпкд (шаг частоты на единицу кода ДПКД) как FоКвд=6, 25*40=250.

Далее можно рассчитать код ДПКД и код ПС:

Код ДПКД=Fвх/(dFдпкд=135000/250=540. Т.к. остаток равен нулю, код ПС=0.

Для частоты 135050 кГц остаток = 50 и, следовательно, код ПС=50/25=2.

3. При расчете нужно учитывать следующие ограничения:

Универсальная схема управления синтезатором

Данный вариант схемы рассчитан на диапазон УКВ ЧМ 145 МГц, 80 основных и 80 дополнительных каналов.

Схема состоит из двух основных (самостоятельных) узлов:

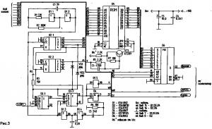
Схема формирования и ввода кода (рис.3) рассчитана на синтезатор типа КР1015ХК3 или любой другой с вводом кода в последовательном виде (до 32-х разрядов). Приведенный вариант рассчитан на двадцатиразрядный код Для изменения разрядности кода необходимо изменить К пересчета счетчика D2. Коды частот, вводимых в синтезатор, записываются в ПЗУ. Как составить прошивку ПЗУ - описано ниже.

Расчет синтезатора на основе ФАПЧ с ДПКД

Схема включает в себя следующие узлы:

Запуск схемы осуществляется импульсом START. Схема привязки формирует импульс разрешения счета D2 и включения питания D5, привязанный к переднему фронту импульсов генератора D1, D2. После отсчета 20 импульсов схема запуска переходит в исходное состояние и питание снимается с D5. С выхода D6 выдаются данные, с выхода D4 выдаются синхроимпульсы ввода данных в синтезатор, с вывода 13 D3.2 выдается сигнал записи кода в ПДКД синтезатора (может иметь постоянно высокий уровень).

Работа универсальной схемы управления синтезатором

  1. Устанавливается код выбранного канала (ТТЛ уровни на выводах 1-6, 23, 22, 19D5).
  2. По сигналу START (положительный импульс) происходит установка в "1" триггера D3.1.
  3. Положительному перепаду синхроимпульса, вырабатываемого генератором на D 1.1, D 1.2, устанавливается в "1" триггер D3.2. Сигналом низкого уровня с вывода 12 D3.2 разрешается работа счетчика (коэф. 20) на D2.1, D2.2, а сигналом высокого уровня с вывода 13 D3.2 разрешается выдача синхроимпульсов записи на синтезатор через D4 и подается питание на ПЗУ D5 с помощью D1.5 и VT1. Так же формируется сигнал высокого уровня на входе выбора синтезатора (ЗАПИСЬ).
  4. Данные, вводимые в синтезатор, с помощью мультиплексора D6 преобразуются в последовательный код.
  5. Синхроимпульсы записи данных формируются из импульсов генератора D1.1, D1.2 элементами D1.3, D1.4, С2, С3, R4. Синхроимпульс генератора задерживается, а затем из его переднего фронта формируется короткий импульс. Таким образом синхроимпульс записи всегда точно попадает на соответствующий ему бит данных.
  6. После того как счетчик отсчитает 20 импульсов, на выводах 11 D2.2 и 5 D2.1 появляются сигналы высокого уровня, что приводит к появлению сигнала- высокого уровня на выводах 4 D3.1 и 10 D3.2. Триггеры D3.1, D3.2 устанавливаются в исходное состояние. Таким образом счетчик прекращает счет, снимается питание с ПЗУ, прекращается подача синхроимпульсов записи на синтезатор, сигнал выбора синтезатора (ЗАПИСЬ) переходит в низкий уровень и происходит занесение введенных данных в счетчики синтезатора.
  7. После изменения кода нужно подать сигнал START, и новое значение кода вводится в синтезатор.
  8. Схема построена на КМОП микросхемах, которые могут питаться от напряжения 3...15 В. ПЗУ имеет питание 5 В и поэтому резистор R6 нужно подобрать в зависимости от напряжения питания так, чтобы при подаче питания на ПЗУ оно не превышало 5...5, 5 В.
  9. Нужно также учесть, что синтезатор по управляющим входам обычно имеет ТТЛ уровни, поэтому может потребоваться включение схем фиксации уровня по сигналам, подаваемым на синтезатор. Схема фиксации уровня - включенный последовательно в цепь сигнала резистор (1...5 кОм) и диод, подключенный катодом к цепи питания синтезатора.
  10. Приведенная схема наладки не требует. Частота генератора не критична, при указанных номиналах - около 100 кГц.

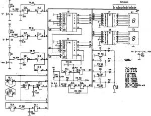
Схема формирования номера канала и индикации

Схема (рис.4) содержит двоично-десятичный счетчик номера канала (D5, D6), который используется для индикации номера канала (D7, D8, HL1, HL2) и адресации ПЗУ. Максимальный номер канала, который может быть реализован в данной схеме - 99 (на приведенной схеме максимальный номер канала - 80).

Расчет синтезатора на основе ФАПЧ с ДПКД

Рис.4. Схема формирования номера канала и индикации

При включении и переполнении счетчика схема устанавливается на 40-й канал (можно установить любой перепайкой входов SO...S3 счетчиков D5, D6).

Кнопками S1, S2 производится увеличение или уменьшение номера канала. Кнопка S3 предназначена для модификации кода синтезатора, например для уменьшения частоты передачи на 600 кГц в репитерном режиме. На элементах D1.5, D1.6, D2.6, D4 выполнена схема установки счетчика. На элементах C8...C11, VD4...VD7, R14...R18 выполнена схема формирования сигнала START для схемы ввода кода синтезатора. Как видно из схемы, сигнал START формируется в следующих случаях:

Схема формирования сигнала START На рис.5 приведен вариант схемы формирования сигнала START, который удобно применять при использовании вместо электронной схемы формирования номера канала кодирующих переключателей типа ПП8-1 или подобных. Эта схема является, по сути, схемой привязки фазы импульса записи кода в ДПКД к фазе опорной частоты синтезатора, что исключает появление импульсов рассогласования на выходе фазового дискриминатора синтезатора при записи постоянного кода в ДПКД.

Расчет синтезатора на основе ФАПЧ с ДПКД

Работа схемы формирования сигнала START (рис. 5)

Из положительного перепада импульса генератора формируется короткий положительный импульс START, который подается на схему управления синтезатором. Из отрицательного перепада импульса генератора формируется импульс установки в " 1" триггера. Положительным перепадом сигнала опорной частоты синтезатора (вывод 14 КР1015ХКЗ) триггер сбрасывается в "О". Сигналом (отрицательный перепад) с выхода триггера происходит занесение введенной в синтезатор информации в его счетчики. Таким образом происходит временная привязка записи информации к опорной частоте синтезатора, исключаются появление импульсов рассогласования на выходе фазового детектора синтезатора и выбег частоты в кольце ФАПЧ.

Частота генератора должна выбираться исходя из скорости реакции схемы на смену канала (1...10 Гц).

Нужно учесть, что сигнал, поступающий с синтезатора, имеет высокий уровень - около 5 В. Поэтому схема работает при напряжении питания не более 9 В. В противном случае по выходу нужно поставить схему фиксации уровня. Схема не критична к номиналам элементов и не требует настройки.

Расчет объема ПЗУ и распределение данных в ПЗУ

1. Определим необходимый объем ПЗУ для синтезатора гетеродина УКВ трансивера на 145 МГц с шагом сетки частот 25 кГц (ПЧ - 10, 7 МГц), выполненного на микросхеме КР1015ХКЗ. Число шагов (частот при заданном шаге сетки) 2000 кГц/25 кГц=80.

Тип ПЗУ - К573РФ2(5) (в качестве примера).

Длина кода, задающего частоту синтезатора КР1015ХКЗ - 20 разрядов, т.е. 3 байта. Для удобства адресации приходится брать 4 байта. Следовательно, при двоичной адресации объем ПЗУ=4х80=320 байт. Если использовать двоично-десятичный счетчик (тогда один счетчик используется для индексации и адресации ПЗУ, как на рис.4), то из 16 частот будут использоваться только 10. Следовательно, к рассчитанному ранее объему ПЗУ добавится лишних (не используемых) 6x4x8= 192 байта. Получаем объем ПЗУ 320+192=512 байт.

2. Рассмотрим распределение данных в ПЗУ для схемы управления синтезатором КР1015ХКЗ.

Код управления синтезатором приведен на рис.2.

Для приведенной схемы управления данные в ПЗУ расположены следующим образом:

1 байт - код ДПКД

7 6 5 4 3 2 1 0

2 байт - код ПС и код ДПКД

3 2 1 0 11 10 9 8
ПС ДПКД

3 байт - 4 разряда свободны , Код, код ПС

X X X X Код 6 5 4
СВОБ ОД ПС

свободные разряды для ПЗУ К573РФ2(5) удобно оставлять = 1;

4 байт - свободный (для указанного типа ПЗУ=11111111).

Составляя прошивку ПЗУ, нужно учитывать, какой тип адресации будет использоваться:

Прошивка составлена для режима двоично-десятичной адресации. Первые 512 байт - для режима симплексной связи.

Вторые 512 байт рассчитаны на репитерный режим работы для частот выше 146, 6 МГц (10 репитерных каналов), т.е. частота ниже на 600 кГц, чем в первой половине прошивки.

Схема формирования номера канала и индикации (вариант 2).

Приведенная схема использует двоичную адресацию ПЗУ, что позволяет более полно использовать его объем.

В приведенном на схеме варианте формируются адреса (в двоичном коде) 256 частот диапазона 145 МГц.

Частоты формируются с шагом 5 кГц. При этом схема индикации показывает частоту настройки в следующем виде:

Причем разряд "единицы МГц" может принимать только два значении - 4 и 5, а единицы кГц - 0 и 5. Поэтому для схемы индикации необходимо только 2 счетчика. Соответствие между частотой настройки (адрес ПЗУ) и индикацией задается с помощью начальной установки счетчиков адреса (D4, D5) и индикации (D8, D9, D2.2). В варианте, приведенном на схеме, установлен адрес, соответствующий частоте индикации 145450 кГц (на индикаторе отображается 5.450). При включении питания и переполнении счетчика происходит установка этой частоты (перепайкой входов SO...S3 счетчиков индикации может быть задано другое значение). Приведенная схема применена для управления синтезатором типа NJ8820 английской фирмы Plessey [2, 3].

Для сокращения числа микросхем применена упрощенная схема индикации единиц МГц и единиц кГц (D7.2, VT1...VT4) и младший разряд счетчика адреса используется в схеме индикации.

При этом для правильной работы счетчика индикации пришлось ввести схему подавления ложных импульсов, возникающих при смене направления счета (D6.2, D6.3, VD3...VD6, R9, R10, С5). В остальном приведенная схема похожа на схему рис.4.

Схемы формирования номера канала и индикации могут быть использованы в любых схемах синтезаторов частот и не являются обязательными. Они выполняют только сервисные функции. Схемы представляют собой обычные реверсивные счетчики с начальной установкой и выполнены на "подручной" элементной базе [9]. Единственной особенностью можно считать применение диодной логики, но это оправдано для КМОП микросхем, так как позволяет удешевить схему и уменьшить ее габариты. Данные схемы могут быть выполнены на другой элементной базе. Предложенные схемы приведены лишь в качестве примера.

Заключение

Для построения синтезатора на микросхеме КР1015ХК2 (ХКЗ) достаточно собрать схему, приведенную на рис.3, 5.

В качестве переключателя номера канала лучше использовать кодирующий переключатель типа ПП8-1. Схема (рис.5) может быть заменена кнопкой формирования сигнала START. При этом кнопку надо нажимать каждый раз после смены номера канала.

На страницах журнала "Радиолюбитель" уже публиковались схемы синтезаторов, и в том числе - на микросхеме КР1015ХКЗ [7].

Основная масса опубликованных в журнале "Радиолюбитель" и наиболее часто применяемых радиолюбителями синтезаторов построена по приведенной на рис.1 схеме. Отличаются они лишь тем, что выполнены на разной элементной базе и могут содержать или не содержать внешний делитель и поглощающий счетчик. Поэтому все приведенные расчеты справедливы и для этих схем.

Принцип работы синтезатора, построенного по схеме рис. 1, достаточно хорошо описан в литературе [6, 4, 1] и понятен из приведенных в статье соотношений частот и коэффициентов деления.

Схема включения микросхемы КР1015ХК2(3) приведена в [5, 7]. Конечно, все возможности синтезатора можно реализовать только при использовании микропроцессорного контроллера.

При этом можно получить любой сервис:

При этом схема получается довольно простой, и вся нагрузка ложится на программное обеспечение. Однако с точки зрения расчета синтезатора все изложенное выше справедливо и для микропроцессорного контроллера.

Все приведенные схемы были практически реализованы. Однако из-за недостатка времени и средств печатные платы не разрабатывались. Поэтому могу предложить только помощь в разработке прошивок ПЗУ.

Приведенная информация наверняка известна многим радиолюбителям. Однако, надеюсь, некоторые идеи и технические решения будут для кого-нибудь интересны.

Дополнительную информацию по микросхемам синтезаторов частоты КР1015ХК2, 3 (включая возможность приобретения) можно получить по адресу: 601600, Г.Александров, Владимирской обл., ул.Институтская, 3 или по телефону в Александрове (09244) 95-6-84, 96-9-39) ПО "ЭЛЕКС".

Литература

1. Калихман С.Г., Шехтман Б.И. Цифровая схемотехника в радиовещательных приемниках. - М.: Радио и связь, 1982.
2. CQDL. - 1991,-N6.
3. Personal Communications 1C Handbook, 1992, GEC PLESSEY.
4. Хоровиц П., Хилл У. Искусство схемотехники. - М.: Мир.
5. Атаев Д.И., Болтников В.А. Аналоговые интегральные микросхемы для бытовой радиоаппаратуры.
6. Справочник радиолюбителя-коротковолновика. - Киев: Техника, 1984.
7. Радиолюбитель. - 1994. - N 10. S.Funkamateur, - 1989. - N10.
9. Шило В. Популярные цифровые миросхемы. - Челябинск, Металлургия, 1989.





counter  ||  Хостинг Web1.0