Радиопередатчик на 30МГц (220v)

Главная сайтаНачало разделаХобби и развлеченияШпионские штучки → Радиопередатчик на 30МГц (220v)

Радиопередатчик на 30МГц (220v)

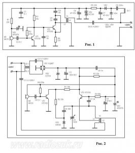
На рисунке изображены две схемы радиопередатчика.
Они работают от сети 220v.

Краткое описание:
Микрофон МКЭ-3, имеет встроенный усилитель (его схема подключения показана на сайте в разделе «микрофоны»).
Красный провод подключается к минусу, синий плюсу, а третий выход.
Если чувствительность микрофона будет недостаточной, конденсатор С2 можно взять на 1мкФ(Рис.1) С9(Рис.2).
Катушки L1, L2 на Рис. 1 намотаны на ферритовом сердечнике d=3мм, проводом ПЭВ-0, 25.
L1 – 15 витков; L2 – 3 витка(наматывается поверх первой катушки).
На Рис. 2: Катушка L1 радиопередатчика содержит десять витков (ПЭВ-0, 3), L2 – два витка (ПЭВ-0, 3). L1, L2 наматывается на каркасе d=5мм с сердечником.
Каждый дроссель в схеме радиопередатчика содержит 100 витков провода ПЭВ-0, 1, намотанных на ферритовом сердечнике 3мм.
В качестве антенны в схемах используется сеть.
Правильно настроенные и собранные радиопередатчики могут выжать до 300метров (радиуса действия).
PS: И в заключении: при сборке радиопередатчиков, будьте предельно осторожны, в схеме используется опасное для жизни напряжение 220 вольт!




counter  ||  Хостинг Web1.0