Передатчик на микросхеме Motorola MC2833

Главная сайтаНачало разделаХобби и развлеченияШпионские штучки → Передатчик на микросхеме Motorola MC2833

Передатчик на микросхеме Motorola MC2833

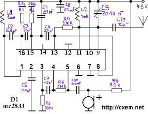
Рабочая частота 65-108 МГц Напряжение питания 2, 8-9 вольт Потрябляемый ток 3 мА Дальность 25-300 метров Окружающая температура -30о...+75о

Наладка производится с помощью включенного и настроенного на предпологаемую частоту приемника. Плавно изменяя расстояние между витками L1 любым диалектриком нужно настроить передатчик на частоту приемника. Если динамик приемника расположен вблизи микрофона, то появится сильный акустический резонанс (свист). Конденсатор С9 нужно настроить по максимуму излучения. Для этого можно собрать один из измерителей представленных на сайте. Для 88-96 МГц L1-10 витков, а L2-11 витков провода 0.8 мм диаметр намотки 3.5 мм. Для 65-74 МГц L1-12...13 витков. Микрофон любой, электретный. Для различных типов микрофонов можно подобрать R6 по лучшему звучанию. Но не следует поднимать напряжение на микрофоне более 2 В. Собранную плату целесообразно экранировать.

Хочу выразить огромную благодарность Стрельцову Ивану из Нефтеюганска, который прислал рисунки печатной платы передатчика. Ее размер 26 х 29 мм. Как видно из рисунка печатной платы - Иван использовал планарный корпус микросхемы MC2833. Если возникнут вопросы или конструктивные предложения - можете писать Ивану или мне.Т.к. приходит много писем по-поводу данной схемы - привожу дополненный рисунок, а также схему стандартного подключения и рисунки печатных плат для него. Данные взяты с сайта Motorola. Данную микросхему на радиорынке в Киеве я без проблем купил за 10 грн. (около $2).




counter  ||  Хостинг Web1.0