Универсальное охранное устройство

Главная сайтаНачало разделаУстройстваОхранные устройства → Универсальное охранное устройство

Универсальное охранное устройство

Универсальное охранное устройство для квартиры, гаража, автомобиля является многофункциональным и может использоваться для охраны автомобиля, квартиры или гаража. При срабатывании сигнализации включается звуковой сигнал. Устройство имеет встроенный источник питания и в аварийной ситуации является энергонезависимым. Вся схема устройства вместе со звуковым сигналом выполнены в одном корпусе.

Универсальное охранное устройство

При охране автомобиля устройство работает с двумя типами внешних датчиков: а) для дверей (датчики открывания дверей или датчик механических колебаний, см. статью "Датчики для охранной сигнализации") — включает звуковой сигнал с задержкой 6 секунд; б) для закрытого капота и багажника — мгновенное включение звукового сигнала.

Владелец автосторожа при срабатывании сигнализации по звуку легко может определить группу датчиков, сработавших во время охраны.

Схема автосторожа обеспечивает после включения охраны задержку 12±2 секунд для выхода из машины и 6±1 секунд при входе в автомобиль для отключения сигнализации скрытно установленным тумблером S1 до срабатывания звукового сигнала.

Схема подключения автосторожа обеспечивает блокировку системы зажигания (второй парой контактов тумблера S1) на все время охраны вне зависимости от срабатывания датчиков.

В охранном устройстве предусмотрена светодиодная индикация режима срабатывания датчиков сигнализации, что удобно при установке и эксплуатации, так как является индикатором нормальной работы всей схемы.

Устройство питается от аккумулятора автомобиля, но в случае аварийной ситуации (при его отключении) схема автоматически переключается на встроенный резервный источник питания, при этом потребляемый ток в режиме ОХРАНА не превышает 0, 5 мА.

При охране квартиры или гаража электропитание устройства осуществляется от встроенного источника питания, которым является блок из шести элементов А316 или аккумуляторов НКГЦ-0, 45, при этом ток потребления в режиме ОХРАНА не превышает 0, 5 мА и элементы питания обеспечат работу устройства в режиме ОХРАНА не менее одного года (если не срабатывал звуковой сигнал).

Работает устройство с двумя линиями от датчиков:

а) датчик двери — включает звуковой сигнал с задержкой 6 секунд;

б) датчик закрытого окна или вторых дверей — включение звукового сигнала мгновенно.

Схема сторожа обеспечивает после включения режима охраны за держку в 12 секунд для выхода из квартиры и 6 секунд при входе — для отключения сигнализации до срабатывания звукового сигнала.

В схеме сигнализации имеется светодиодная индикация режима срабатывания датчиков, что является показателем работы.

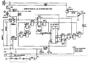
Электрическая схема собрана на четырех микросхемах КМОП серии, что обеспечивает малое потребление тока, и состоит из триггера на элементах D1.1...D1.3, генератора на частоту около 500 Гц — D2.2 и D2.3, счетчика тактовой частоты D3 и схемы селекции временных интервалов на микросхеме D4. Транзисторы VT1 и VT2 позволяют усилить ток в нагрузке, которой является внутренний малогабаритный динамик (ЗГДШ-14-4), а также может подключаться внешний источник сигнала — гудок автомобиля.

В момент включения питания схемы на выходах счетчика D3 устанавливается (цепью СЗ, R4) лог. "0". Это обеспечивает появление лог. "1" на выводе D4/10 и лог. "0" на D1/3. При этом будет работать автогенератор и связанный с ним счетчик до момента времени, пока на выводе D3/2 не появится "1". Если ни один из датчиков не сработал, то через 12 секунд появится лог. "1" на выводе D1/3 — генератор остановится. С этого момента устройство будет находиться в режиме ОХРАНА, и срабатывание датчиков приведет к переключению триггера на элементах D1.1...D1.3 (на выводе D1/4 появится лог. "1", а на выводе D1/3 — "0"), что приведет к продолжению работы генератора и счетчика, а на выходной нагрузке через 6 секунд появится звуковой сигнал.

Применяемые резисторы и конденсаторы можно использовать любого типа. Все элементы схемы, кроме светодиода HL1, тумблера S1, динамика ВА1, резистора R5, элементов питания и датчиков, размещены на односторонней печатной плате размером 110х45 мм. При этом потребуется сделать шесть объемных перемычек (если использовать двухстороннюю печатную плату, то эти перемычки удобно выполнить печатными проводниками).

Транзистор VT1 крепится к теплорассеивающей пластине (радиатору). В качестве переключателя S1 применен тумблер ТЗ или любой аналогичный с двумя переключающими контактами.

При правильной сборке и исправных деталях схема не требует настройки. Общие габариты всего устройства, при использовании малогабаритного источника звука, не превышают 140х120х60 мм .

Особенностью приводимой схемы является отсутствие электролитических конденсаторов, что позволяет повысить ее надежность и расширить диапазон рабочих температур для устройства охраны.

Универсальное охранное устройство

усовершенствованная схема

Приведенную охранную сигнализацию можно легко усовершенствовать, дополнив ее рядом полезных функций:

— ограничение времени звучания (4...5 минут) сигнала в случае постоянного нарушения охранного шлейфа;

— при включении блока охраны скрытно установленным тумблером SA1; если датчик F1 будет находиться в положении, показанном на схеме, то независимо от состояния других датчиков устройство будет ждать, пока он сработает (например при выходе из помещения), после чего начнется отсчет времени задержки (12 секунд) включения режима ОХРАНА (индикатором начала отсчета времени является мигание зеленым цветом светодиода HL1);

— при входе в помещение необходимо в течение 6 секунд отключить сигнализацию до срабатывания звукового сигнала оповещения, а чтобы вы не забыли, что помещение находилось под охраной, в течение этого интервала времени пьезоизлучатель HF1 будет издавать прерывистый звуковой сигнал небольшой громкости.

Для выполнения всех этих функций в схему добавлены узлы: ограничителя времени звучания звукового сигнала на счетчике D5; триггера на элементах D6 для обеспечения режима ожидания начала отсчета временного интервала 12 секунд. Светодиод HL1 и пьезоизлучатель HF1 позволяют более полно контролировать режимы работы устройства, что удобно при эксплуатации.

В начальный момент включения питания схемы (А1) импульс, сформированный цепью C4-R5, обеспечивает обнуление счетчика D5 (на выходе D5/7 появится логическая "1", т. е. напряжение питания). При этом на выводах элементов схемы будут состояния: D6/10 — лог. "1"; D1/1 — "0"; D1/2 — "0"; D1/3 ~ "1"; D7/1 — "О"; D7/13 — "0".

После срабатывания датчика F1 на выводе D6/9 появится лог. "1" (D6/10 — "О"), что приведет к появлению на выходе D1/3 лог. "О". Начнет работать генератор и связанный с ним счетчик D3, до момента времени (12 секунд), пока на D4/10 не появится лог. "О" (на D1/3 —лог. "1", что остановит работу генератора). При этом схема переходит в режим ОХРАНА и будет находиться в таком состоянии, пока не сработает любой датчик.

Если сработает один из датчиков F1 или F2 (когда схема находится в режиме ОХРАНА), это приведет к переключению триггера на элементах D1.1...D1.3 (на выводе D1/4 появится лог. "1", а на выводе D1/3 — "О"), что включит работу генератора и счетчика D3. В этом случае через 6 секунд появится звуковой сигнал оповещения (ВА1). За этот интервал времени необходимо отключить блок охраны, что, не зная места расположения тумблера SA1, сделать постороннему невозможно.

При срабатывании датчика F3 звуковой сигнал появится без задержки.

Когда блок охраны работает в режиме ОПОВЕЩЕНИЕ, кроме звукового сигнала, будет красным цветом светиться индикатор HL1. Сдвоенный светодиод HL1 можно заменить двумя любыми обычными светодиодами с разным цветом свечения.

Для того чтобы снизить ток потребления схемой при работе светодиода в режиме индикации, напряжение на него подается импульсами. Из-за инерции зрения это незаметно.

Топология печатной платы.

Универсальное охранное устройство

Универсальное охранное устройство

В стационарных условиях лучше, если устройство будет иметь смешанное питание — от сети и аккумулятора. При этом, основным является сетевой источник, а в аварийной ситуации (при отключении сети) автоматически подается резервное питание от аккумулятора (см. рисунок выше).

В качестве датчиков F1...F3 для сигнализации удобно использовать герконовые контакты, например КЭМ-1, совместно с магнитом. Они малогабаритны и имеют высокую надежность. Чаще всего бывает достаточно всего одного датчика (F1) на входной двери.

В случае кратковременного срабатывания датчиков схема из режима ОПОВЕЩЕНИЕ автоматически возвращается в режим ОХРАНА. Длительность звучания сигнала оповещения зависит от того, какой датчик сработал, и по звуку можно легко определить группу сработавших датчиков.

Применяемые резисторы, конденсаторы и пьезоизлучатель (HF1) по дойдут любого типа, малогабаритные. Вместо транзисторов КТ3102 можно применить КТ315Г(Е), КТ3107 заменяется на КТ361Г(Е). Транзистор VT5 и стабилизатор DA1 крепятся на теплорассеивающих пластинах.

В качестве диодов VD1...VD4 подойдут любые импульсные, VD5... VD11 заменяются на КД213А или аналогичные.

Для сетевого блока питания трансформатор Т1 можно использовать с напряжением во вторичной обмотке 12...16 В и мощностью не менее 15 Вт. Так, например, подойдут унифицированные трансформаторы типа: ТПП266- 220-50, ТПП276-220-50, ТПП286-220-50. В этом случае, при монтаже, сохраняется нумерация выводов, указанная на схеме.

Блок охраны размещается в скрытом месте, а соединения с датчиками лучше выполнять перевитыми между собой проводами, что исключит влияние внешних наводимых помех.

При правильной сборке и исправных деталях схема начинает работать сразу и настройки, как правило, не требует.

При необходимости временные интервалы 6 и 12 секунд можно одновременно изменить подбором номинала резистора R4. Резистор R13 позволяет ограничить мощность звука в динамике.




counter  ||  Хостинг Web1.0