Автоматический селектор входных сигналов услителя

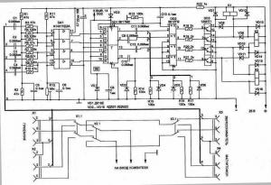
Главная сайтаНачало разделаУстройстваБытовая электроника → Автоматический селектор входных сигналов услителя Данное устройство может работать в составе звукоусилительного комплекса или в виде отдельной приставки к любому усилителю. Оно обеспечивает автоматическое подключение одного из четырех входов к усилителю при появлении на этом входе звукового сигнала с уровнем более 60 мВ. Это сделает пользование радиоаппаратурой более удобным, а также отпадает необходимость в переключателях входного сигнала.

Схема устройства не вносит искажений в звуковой сигнал, так как его коммутация осуществляется поляризованными реле К1...КЗ типа РПС32 или

аналогичными, с двумя группами переключающих контактов. Это позволяет использовать схему в высококачественной радиоаппаратуре. Второй отличительной особенностью приведенной схемы является однополярное питание, а также малое потребление тока. Поляризованные реле не требуют постоянного питания для фиксации положения контактов и в данной схеме потребляют энергию только в момент переключения группы контактов для выбора входа с источником сигнала.

Схема селектора (см. рис. 1.10) собрана на трех микросхемах, одной транзисторной матрице DD3 и трех реле (К1...КЗ). Она состоит из четырех компараторов на элементах операционных усилителей DA1, с выходов которых сигнал с логическим уровнем поступает на один из триггеров на DD1. В момент переключения соответствующего триггера по положительному фронту перепада напряжения дифференцирующая цепь из конденсатора С9...С12 и резистора R14...R17 формирует импульс, который усиливается одним из транзисторов матрицы DD3. Этот импульс и переключает контакты реле в нужное положение.

В начальный момент включения питания схемы, даже если нет входных сигналов, будет всегда подключен вход Х1 — это обеспечивает импульс, сформированный цепью R13 и С13 в момент включения. К этому входу лучше подключать источник сигнала, который наиболее часто используется.

При настройке схемы необходимо резистором R12 выставить порог срабатывания компараторов DA1 так, чтобы при отсутствии входных сигналов на выходах компараторов был логический "О".

При использовании поляризованных реле с низковольтным питанием, например из серии РПС45, РПС43, напряжение питания схемы может быть значительно снижено. В схеме применено реле типа РПС32Б РС4.520.224 .

Вторая схема селектора, приведенная на рис. 1.11, рассчитана на работу с двумя входами и содержит две микросхемы и одно поляризованное реле РПС45 РС4.520.755-08 (или РС4.520.755-18) с номинальным напряжением обмотки 6, 3 В (фактически оно срабатывает при меньшем напряжении).

Схема может питаться от любого источника с напряжением 4, 5...9 В и позволяет применить ее даже в переносной радиоаппаратуре. Ток потребления схемой не превышает 3 мА, а без применения светодиодов индикации работающего входа HL1 и HL2 он будет еще меньше. Использование индикации подключенного входа не является необходимым, и их можно исключить из схемы, если она питается от автономного источника.

Принцип работы схемы и ее настройка аналогична приведенной на рис. 1.10. Так как микросхема DA1 из-за внутреннего сопротивления не может обеспечить нулевое напряжение на выходе, то в схеме выполнено на диодах VD2 и VD3 смещение напряжения питания логической микросхемы DD1.

Используемые в обоих схемах операционные усилители можно заменить на 140УД6 (соответствующим количеством), но при этом возрастет потребляемый ток и габариты устройства.

Резисторы и конденсаторы подойдут любого типа, малогабаритные.

Автоматический селектор входных сигналов услителя

Рис. 1.10

Автоматический селектор входных сигналов услителя

Рис. 1.11




counter  ||  Хостинг Web1.0