Триггер на транзисторной оптопаре 4N35

Главная сайтаНачало разделаЭлектроника в промышленностиОптоэлектроника → Триггер на транзисторной оптопаре 4N35

Триггер на транзисторной оптопаре 4N35

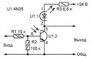
Предлагаемый триггер (схема на рисунке ниже) отличается тем, что в одном из своих состояний он практически не потребляет ток. Изготовлен он на основе транзисторной оптопары 4N35.

Резистор R1 ограничивает базовый ток её транзистора U 1.2 на безопасном уровне, R2 предохраняет его от работы в режиме с «оборванной» базой, резистор R3 ограничивает ток через излучающий диод U1.1.

Триггер работает следующим образом. В исходном состоянии транзистор оптопары закрыт, ток через излучающий диод не протекает, и устройство ток не потребляет. При подаче на вход импульса напряжения положительной полярности транзистор открывается и зажигается излучающий диод. Благодаря оптической положительной обратной связи транзистор остаётся открытым и после окончания импульса — триггер переходит во второе устойчивое состояние. Переключить его в исходное состояние можно, только подав на вход импульс напряжения отрицательной полярности или отключив питание.

В устройстве можно применить практически любую транзисторную оптопару с выводом базы фототранзистора. Подойдут импортные 4N25— 4N28, 4N35—4N37, CNY17, TLP331, отечественная АОТ128 с буквенными индексами А—В, необходимо только подобрать сопротивление резистора R3 в зависимости от питающего напряжения и необходимого для устойчивой работы тока через излучающий диод. Напряжение питания не должно превышать предельно допустимого значения коммутируемого напряжения для применённой оптопары.




counter  ||  Хостинг Web1.0