Приставка для электрогитары

Главная сайтаНачало разделаХобби и развлеченияМузыканту → Приставка для электрогитары

Приставка для электрогитары

Автор статьи - музыкант, играющий в рок-группе, исследовал большое число гитарных приставок отечественного и импортного производства c режимами "Distortion" и "Overdrive" и пришел к выводу: почти все они обладают более или менее ярко выраженными недостатками звучания - неприятным, резким тембром; повышенными уровнями шума и фона и т. д. В результате многочисленных экспериментов ему удалось создать оптимальную, на его взгляд, гитарную приставку, свободную от указанных недостатков.

Многие приставки для электрогитар имеют слишком резкое, "ядовитое" звучание. К ним, например, относятся приставки отечественного производства серии "Гамма", а также зарубежные - фирм DOD и BOSS. В меньшей степени - "Crock" завода "Промал". Единственная отечественная приставка, обладающая более или менее сбалансированным спектром звучания, - "Лель DD" завода "САМ". Она дает богатый обертонами, сочный тембр, но, к сожалению, лишь в режиме "Драйв". При переключении в режим "Драйв-дистошн" появлялся очень неприятный "хрустящий" звук.

Автор использовал с некоторыми изменениями схемотехнику приставки "Лель DD", исключив из нее узел, создающий эффект "дистошн". Сигнал подают на узел эффекта "Драйв"-приставки. Непосредственно за ним включено устройство, о котором рассказано в статье С. Година и А. Казакова "Приставки к электромузыкальным инструментам" ("В помощь радиолюбителю", вып. 101).

Ниже приведено полное описание модифицированной приставки "Лель DD", поэтому ее могут повторить все желающие.

Технические характеристики


· Входное сопротивление, не менее, кОм ......................... 470 
· Амплитудное значение выходного напряжения, не более, В ....... 0, 6 
· Напряжение питания, В ........................................ 9...12 
· Потребляемый ток, не более, мА ............................... 20 
· Отношение сигнал/(шум+фон), не хуже, дБ ...................... 42 

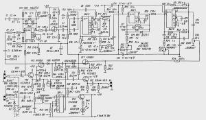
Приставка содержит электронный переключатель и блок преобразования спектра. Переключатель использован от приставки "Лель DD". Он содержит триггер DD1.1 и полевые транзисторы VT3, VT4 и VT7, работающие в переключательном режиме (см. схему). Предположим, что при включении питания на инверсном выходе триггера устанавливается напряжение низкого уровня, а на прямом - высокого, которое закрывает транзисторы VT3 и VT7, отключая вход и выход блока преобразования спектра. Напряжением низкого уровня открывается транзистор VT4 и закрывается транзистор VT5. Светодиод HL1 выключен. Сигнал проходит с входа приставки на выход, минуя преобразователь спектра.

Приставка содержит электронный переключатель и блок преобразования спектра. Переключатель использован от приставки "Лель DD". Он содержит триггер DD1.1 и полевые транзисторы VT3, VT4 и VT7, работающие в переключательном режиме (см. схему). Предположим, что при включении питания на инверсном выходе триггера устанавливается напряжение низкого уровня, а на прямом - высокого, которое закрывает транзисторы VT3 и VT7, отключая вход и выход блока преобразования спектра. Напряжением низкого уровня открывается транзистор VT4 и закрывается транзистор VT5. Светодиод HL1 выключен. Сигнал проходит с входа приставки на выход, минуя преобразователь спектра.

Кратковременное нажатие на кнопку SB1 приводит к переключению триггера: теперь на инверсном выходе устанавливается напряжение высокого уровня, а на прямом - низкого. Транзистор VT4 - закрыт, а VT5 - открыт. Светодиод сигнализирует о работе приставки в режиме "Эффект". Транзисторы VT3 и VT7 открываются и подключают соответственно вход и выход приставки к преобразователю спектра. При последующем нажатии на кнопку переключатель возвращается в исходное состояние.

Вторая часть JK-триггера - DD1.2 - не используется. Его входы (выводы 9-12) соединены вместе и подключены к общему проводу приставки.

В режиме "Эффект" сигнал подается на логарифмический усилитель-ограничитель (операционный усилитель DA1.1), производящий предварительное преобразование. Далее с выхода буферного каскада на полевом транзисторе VT1 сигнал поступает на перестраиваемый фильтр (операционный усилитель DA1.2). Подстроечными резисторами регулируют: R13 - тембр; R16 - частоту; R19 - коэффициент усиления на резонансной частоте. С выхода фильтра через регулятор "уровень 1" (подстроечный резистор R21) сигнал подается на вход второго, основного преобразователя, выполненного на операционном усилителе DA2.1. Степень ограничения сигнала регулируют переменным резистором R28 "Драйв". Затем сигнал поступает на второй фильтр (операционный усилитель DA2.2). Резистором R31 регулируют его добротность (в приставке "Crock metall" этот регулятор обозначен как "presence"). Переменным резистором R35 "Частота" регулируют степень насыщенности сигнала высшими гармониками.

С выхода второго фильтра преобразованный сигнал поступает на выход приставки.

В отличие от используемых в оригинальных устройствах операционных усилителей КР140УД608 и К140УД6 автор применил К157УД3, отличающийся низким уровнем шума. Замена на К157УД2 нежелательна по той же причине. Кроме указанного на схеме, можно использовать операционные усилители серий К544 и К574, а также аналогичные импортного производства. Транзисторы можно применить указанных серий с любым буквенным индексом. В авторском варианте все транзисторы - в металлических корпусах для снижения уровня помех. Транзистор VT5 может быть в пластмассовом корпусе или любой из серий КТ315, КТ342.

В темброобразующих цепях нежелательна установка керамических конденсаторов из-за их склонности к микрофонному эффекту. Рекомендуются конденсаторы К73-16 и К73-17.

Подстроечные резисторы R6, R13, R16, R19, R21 и R31 установлены на плате внутри корпуса приставки. Ручки переменных резисторов R28, R35 и R36 выведены наружу для оперативного управления работой приставки. Разъемы Х1 и X4 - "Jack".

Приставку питают от батареи "Корунд" или внешнего источника напряжением 9...12 В.

Налаживание начинают с предварительной установки движков подстроечных и переменных резисторов: R6 - в крайнее левое по схеме положение (соответствует минимальному искажению сигнала); R13 - крайнее верхнее; R16 - чуть выше крайнего нижнего; R19 - крайнее нижнее; R21 - около середины; R28 - выше середины; R31 - крайнее левое; R35 - посередине; R36 - примерно 3/4 максимальной громкости. Дальнейшее налаживание производится на слух до получения желаемого тембра.

Приставка позволяет получить сочный, насыщенный обертонами звук. Ее применение совместно с дополнительными "исказителями" сигнала нецелесообразно.

Экспертиза звучания была проведена с гитарами "Fender stratocaster", "Gybson", "Ibanez", "Samick", "Lead Star", а также несколькими качественными экземплярами любительского изготовления. В результате слепого тестирования, в котором были использованы электрогитара "Gybson", описываемая приставка, приставки фирмы DOD - "Trash master", "Super overdrive", "Death metal", "Metal maniac" и гитарный комплекс "Park", предпочтение единодушно было отдано приставке, предложенной автором.

Для снижения уровней шума и фона рекомендую применять приставку с заземленной аппаратурой и блоками питания с высоким коэффициентом стабилизации. Допустимо ее использование совместно с устройствами "Compression sustainer".




counter  ||  Хостинг Web1.0