Многоголосный эми

Главная сайтаНачало разделаХобби и развлеченияМузыканту → Многоголосный эми

Многоголосный эми

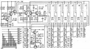
В отличие от большинства известных устройств подобного рода, многоголосный ЭМИ, схе­ма которого изображена на рисунке, содержит не 12. как обычно, а всего лишь 7 генера­торов тона.

Такое упрощение возможно потому, что в гармо­нических аккордах соседние звуки, напримep, до и до-диез, ре и ре-диез и т.д. используются очень редко.

Каждый генератор тона обслу­живает два соседних звука в каждой октаве и, как видно из схемы соединений, показанной в левой части рисунка, неодно­именных. Так, если во второй октаве (по рисунку — правой) генератор генерирует колебания звуков си и си-бемоль, то в пер­вой он генерирует звуки ля и ля- бемоль, а в малой (на рисунке условно не показана) — соль и соль-бемоль. Благодаря этому, количество аккордов, в которых не получается полного многозвучия, оказывается очень не­большим, и по исполнительским возможностям ЭМИ с умень­шенным числом генераторов то­на практически не уступает инструментам с 12 генератора­ми (на нем только нельзя взять так называемые диссонирующие аккорды).

Все генераторы тона одина­ковы по схеме и отличаются один от другого лишь номиналами резисторов 1R5 — 7R5 частотозадающнх цепей. Основу каж­дого из генераторов (для при­мера рассмотрим тот, схема ко­торого изображена полностью) составляет несимметричный мультивибратор на транзисто­рах 1V1, 1V2 с эмиттерной связью по переменному току. Частота генератора зависит от сопротивления в цепи эмиттера транзистора 1V1. Сигнал соот­ветствующего тона с коллектора этого транзистора поступает на вход усилителя НЧ через фильтр нижних частот 1R8, 1С2, 1R9 и эмиттерный повторитель на транзисторе V4. Питаются ге­нераторы тона от стабилнзатора напряжения, собранного на транзисторе V6 и стабилитро­не V5.

В ЭМИ применено частотное вибрато, частоту которого ре­гулируют переменным резисто­ром R27. Собственно генератор вибрато выполнен на транзис­торах VI и V2.

Прн распайке контактуры сле­дует помнить, что контакты выключателя SI должны находиться под клавишей си второй окта­вы. S2 — под клавишей си-бе­моль той же октавы и т. д. Кон­денсаторы 1С1, 1С2 и т д. же лательно применить безындук­ционные, с возможно меньшим ТКЕ, а транзисторы генерато­ров тона — с близкими стати­ческими коэффициентами пере­дачи тока h21э и низкими обратнымн токами Iкбо




counter  ||  Хостинг Web1.0