Имитатор звучания пружин рабочего барабана плюс рабочий барабан переменного объема

Главная сайтаНачало разделаХобби и развлеченияМузыканту → Имитатор звучания пружин рабочего барабана плюс рабочий барабан переменного объема

Имитатор звучания пружин рабочего барабана плюс рабочий барабан переменного объема

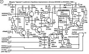
Схемы этого модули получают запускающий импульс, пропорциональный силе удара, от модуля классического рабочего барабана. На транзисторах VT1, VT3, VT4 собран попсовый рабочий барабан с понижающейся после удара частотой. Остальная часть модуля - модулятор для имитации пружин, к обоим вариантам рабочих барабанов. Для генерации шума, используется эммитерный переход VT5 в режиме лавинного пробоя. Микросхема DA1 и цепи коррекции, обеспечивают металлический призвук шумовому сигналу. Полевой транзистор VT6, в перевернутом включении, является модулятором огибающей шумового сигнала. Переключатель S1 позволяет выбрать тип основы звучания рабочего барабана. После наложения сигнала с модулятора пружин, звучание барабана достаточно похоже на натуральное. Регулятор послезвучания пружин (4, 7 Мом), для подстройки под различный темп исполнения, вынесен отдельно от модуля на панель управления. У меня переключатель S1 типа П2К впаян в плату и выведен на лицевую панель, на нем же плата и держится. При повторении следует длинну цепи от вывода 7 DA1 до VT6 делать покороче, а сам модуль экранировать от остальных электростатическим экраном, во избежание наводок сигнала генератора шума. Для этой цели удобно использовать металлизованную бумагу от сигарет, заземлив ее. Резистором R2 устанавливается режим, вблизи начала появления шума на выходе модулятора, но при полном еще его отсутствии.




counter  ||  Хостинг Web1.0