«Правильное» ЗУ NiMh/NiCd аккумуляторов электроотвертки

Главная сайтаНачало разделаУстройстваМикроконтроллеры → «Правильное» ЗУ NiMh/NiCd аккумуляторов электроотвертки Автор:Виталий Спорыш

Все началось с приобретения электроотвертки «Einhell» 4.8BAS. Она верой и правдой отслужила три года, пережила полномасштабный ремонт квартиры, завинтила не одну сотню саморезов, после чего приказала долго жить… Развиваемое усилие уменьшилось в несколько раз, в течение двух суток после зарядки, аккумулятор умирал полностью, даже если отверткой не пользовались.

«Правильное» ЗУ NiMh/NiCd аккумуляторов электроотвертки

Вскрытие показало: из четырех аккумуляторов один с внутренним КЗ, емкость остальных сразу после зарядки составляет 500мА*ч, а через день 150мА*ч при паспортной - 1000мА*ч. Дальнейшее расследование показало, что механика в неплохом состоянии, однако вскрытие родного ЗУ обнаружило внутри следующие детали: трансформатор, с выходным напряжением ~6В, диодный мост и … все.

Так как новая отвертка стоила на местном рынке 29$, а четыре аккумулятора АА DURACEL 1700mA*ч удалось найти за 11$ (и они помещались в аккумуляторный отсек), было решено заменить аккумуляторы, и собрать «правильное» ЗУ.

При поиске подходящей схемы в интернете была найдена статья [2], после чего было решено собрать ЗУ работающего по следующему алгоритму:

1. Выбор режима работы (разряд-заряд, или только заряд).
2. Определение наличия аккумулятора.
3. Разряд (если был выбран)
4. Пред-зарядка (pre-charge).
5. Быстрая зарядка (fast charge).
6. Дозарядка (top-off charge).
7. Поддерживающая зарядка.

Схема же была разработана на базе статьи [1], с использованием дешевой зарядки от мобильного телефона (в моем случае NOKIA). Однако схема была доработана для возможности зарядки нескольких аккумуляторов, и применен более дешевый и компактный контроллер ATINY 13V (1, 5$).

Применение готового ЗУ от телефона облегчает задачу, так как ЗУ изначально обладает свойствами источника тока – отпадает необходимость в блоке питания с гальванической развязкой и стабилизаторе тока. Такое ЗУ обладает так же хорошим КПД, отпадает необходимость в дополнительном охлаждении.

«Правильное» ЗУ NiMh/NiCd аккумуляторов электроотвертки

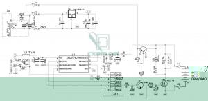
На схеме ZU - обозначена зарядка от NOKIA, с небольшими переделками: вторичная обмотка трансформатора была увеличена на 4витка, после чего на холостом ходу зарядка стала выдавать 9В (до переделки было 6, 5В), а при нагруженных аккумуляторах ток зарядки составил 480мА (был 320мА). Разборка трансформатора не составляет труда, если его предварительно положить сердечником на жало разогретого паяльника на 1…2мин, после чего клей размягчается и сердечник без проблем рассоединяется.

Так же к силовой обмотке трансформатора был добавлен еще один выпрямитель на элементах VD10 (FR107) и С9 (навесным монтажом возле трансформатора). Он служит для питания контроллера. Раздельное питание необходимо для того, что бы при разряженных аккумуляторах не было просадок напряжения на контроллере. При начальной зарядке контроллер выдает зарядные импульсы с 20% заполнением, и в паузах конденсатор С9 успевает достаточно зарядится, что бы питать схему управления. В связи с этим применен и стабилизатор с низким падением напряжения LM-2940-3.3 на 3.3В.

Вход РВ4 контроллера работает как вход при включении ЗУ, и опрашивает кнопку SA1 для выбора режима. При подключении ЗУ к аккумуляторам, порт переключается на выход и управляет свечением светодиода VD1, который сигнализирует о текущем режиме работы.

Ключ на VT4 служит для разрядки аккумуляторов, а так же для создания разрядного импульса в режиме зарядки с разрядным импульсом. В качестве транзистора IRLL110 можно применить любой аналогичный, или составной биполярный n-p-n, например КТ972, КТ827, при этом необходимо увеличить сопротивление R10 до 1кОм.

Ключ на VT1, VT2 служит для подачи зарядного тока на аккумуляторы. В качестве VT1 возможно применение любого маломощного n-p-n транзистора с коэффициентом передачи не менее 100 (например, КТ315Б). VT2 может быть любым аналогичным с коэффициентом передачи тока не менее 40 (например, КТ816Б).

Резисторы R4, R5 служат для согласования уровня напряжения на аккумуляторе с напряжением опорного источника напряжения контроллера (1, 1В). При указанных номиналах максимальное измеряемое напряжение составит 1, 1/560*3560=6, 99В., одна ступенька АЦП: 6, 99/1024=6, 83мВ.

VD2 служит для защиты от перегрузки порта АЦП контроллера, С8 – для фильтрации помех.

Размер платы при применении SMD элементов составил всего 50х35мм. Общий размер блока ЗУ 60х44х38мм. (без вилки) – и это при токе зарядки в 480мА. без значительного нагрева ЗУ. Внешний вид плат ЗУ:

«Правильное» ЗУ NiMh/NiCd аккумуляторов электроотвертки

Общий алгоритм работы зарядного устройства следующий:

При включении ЗУ, включается зарядный ключ VT1, VT2 и измеряется напряжение на аккумуляторе. Светодиод VD1 при отсутствии аккумулятора не светится. Если напряжение на аккумуляторе понижается ниже 7В, ЗУ понимает, что аккумулятор присутствует и переходит к дальнейшим действиям. В связи с этим минимальное напряжение без нагрузки телефонной зарядки должно быть гарантировано выше 7В.

Пока нет аккумулятора, опрашивается кнопка SA1. Если она была нажата, предварительно выбирается режим предварительной разрядки. Светодиод VD1 при этом начинает мигать два раза в секунду, а светодиод VD4 погашен.

После установки аккумулятора напряжение на разъеме Х4 понижается, и включается режим предварительного разряда, если он был выбран, в противном случае ЗУ переходит к фазе предварительной зарядки.

В фазе предварительного разряда ключ зарядного тока VT1, VT2 отключается, и включается разрядный ключ VT4, при этом загорается светодиод VD4. Этот режим длится до тех пор, пока напряжение на аккумуляторах не понизится ниже 4В (1В на элемент). В этом режиме контролируется время разряда, если аккумулятор не будет разряжен за 10 часов, (ток разряда ~170мА), ЗУ перейдет в режим аварии, ключи отключатся, светодиод VD1 начнет мигать пять раз в секунду.

После режима разряда ЗУ переходит в режим предварительного заряда, при этом заряд идет импульсами 0, 2с. с паузами 0, 8с. (20% заполнение). Этот режим длится не менее 1мин. и заканчивается при достижении на аккумуляторах напряжения более 4В. Он служит для «раскачивания» аккумуляторов, если они глубоко разряжены. Светодиод VD1 при этом мигает раз в секунду короткими вспышками. Если в течение 30 мин. ЗУ не может «раскачать» аккумуляторы, то оно переходит в режим аварии (см. выше).

После предзаряда ЗУ переходит к основному быстрому режиму заряда. В этом режиме контроллер проводит измерения циклически раз в секунду. При этом в начале каждого цикла отключается ток заряда, делается пауза 10мс., после чего в безтоковой паузе делается подряд четыре измерения, которые в дальнейшем усредняются. При измерении напряжения без тока заряда исключается падение напряжения на сопротивлении контактов, которое может быть достаточно значительным, что повышает точность измерения. Общая безтоковая пауза составляет около 20мс. Как преимущество такого метода называют лучшее выравнивание концентрации активных веществ по всему объему, меньшую вероятность образования крупных кристаллических образований на электродах и их пассивации. Если же аккумуляторы были предварительно разряжены в ЗУ, то аккумуляторы заряжаются по методу FLEX negative pulse charging. Его отличие состоит в том, что после измерения напряжения кратковременно (на 5мс.) включается разрядный ключ для увеличения эффекта регенерации. Как преимущество такого метода называют более низкую температуру аккумулятора в процессе зарядки и способность устранять крупные кристаллические образования на электродах (вызывающих эффект «памяти»). В этом режиме светодиод VD1 мигает раз в секунду, с равными засветками-паузами. Если имеются разрядные импульсы, светодиод VD4 короткими вспышками извещает о них.

Окончания заряда определяется по условию ∆V<=0. Для этого во время заряда, ЗУ суммирует каждую секунду измеренные усредненные значения напряжения. Раз в минуту контролер делит полученное значение на 60, и таким образом получает усредненное значение напряжения за минуту. В памяти хранятся эти значения за последние 12мин. Каждую минуту проверяется условие: если десять из 11 предыдущих напряжений больше или равны последнему измеренному, значит кривая заряда идет на спад или горизонтальна, режим заряда прекращается. Одно выпадение допускается, для уменьшения влияния единичных импульсных помех. В режиме быстрой зарядки проверяется время заряда. Если оно более 5ч., ЗУ переходит в режим аварии.

После быстрой зарядки ЗУ переходит в режим дозарядки, при этом происходит 20% заполнение импульсов (аналогично фазе предзарядки), при этом средний зарядный ток составлял около 100мА. Положительным эффектом дозарядки является выравнивание заряда аккумуляторов в батарее, т.е. аккумуляторы, которые полностью заряжены, будут рассеивать подводимую энергию в виде тепла, в то время как другие будут заряжаться. Фаза дозарядки длится 20мин. В этом режиме светодиод VD1 мигает раз в секунду с длинной засветкой и короткой паузой.

После окончания дозарядки ЗУ переходит в режим поддерживающей зарядки. Аккумуляторы поддерживаются в заряженном состоянии короткими (5мс. раз в секунду) импульсами. Светодиод VD1 постоянно светится – аккумуляторы заряжены.

«Правильное» ЗУ NiMh/NiCd аккумуляторов электроотвертки

Если в любом из режимов отсоединить аккумуляторы, то ЗУ перейдет в режим аварии (светодиод VD1 начнет мигать пять раз в секунду, все ключи выключены).

При эксплуатации ЗУ аккумуляторы заряжались немногим более 4ч., при этом, если их сразу же поставить на разряд, время разряда составляло около 10ч., что соответствует емкости аккумуляторов 1700мА*ч. Во время заряда температура аккумуляторов повышалось от комнатной (22°С) до 34…36°С, причем наибольший прирост температуры в 5..6°С наблюдался за последние 20…30мин. быстрой зарядки, что дополнительно свидетельствует о правильном определении конца заряда. Транзисторы VT2 и VT4 нагреваются не боле чем до 40С – так что никаких радиаторов. Если при повторении у кого то будет греться VT2 – уменьшайте сопротивление R9.

Программа писалась в среде CodeVisionAVR V2.04.4a и прилагается к статье. Прошивка микроконтроллера производилась с помощью обычного LPT программатора, состоящего из 4-х резисторов (в интернете находится без особого труда). Запрограммированные фьюзы: CKSEL1=SUT0=0 – галочки (внутренний генератор 9, 6МГц, но затем программно делится на 8).

Если необходимо заряжать не четыре, а например 3 аккумулятора, то можно или пропорционально пересчитать коэффициент деления резисторов R4, R5 (например, R5 уменьшить до 2100 Ом), или изменить константы в начале Си-программы (в программе много примечаний, разобраться несложно). Однако при этом следует учесть, что при переходе в режим основного заряда напряжение на выходе телефонной зарядки будет немногим более 3В, что может быть недостаточно для питания стабилизатора контроллера, поэтому возможно будет необходимо домотать 4…5 витков к основной обмотке (заряжающей аккумуляторы), и питать выпрямитель стабилизатора от полученной «удлиненной» обмотки. При этом желательно, что бы напряжение на выходе выпрямителя VD10, С9 не опускалось ниже 4В.


Литература
Дмитрий Мосин. Умная зарядка NiMh AA аккумуляторов // radiokot/circuit/power/charger/10/
Ридико Л.И. Немного о зарядке NiMH и NiCd аккумуляторов //http://radiomaster.com/index.php?newsid=668
Спорыш В.В Простое интеллектуальное зарядное устройство NiMh/NiCd аккумуляторов //Радиоаматор. – 2011. - №1, 2.




counter  ||  Хостинг Web1.0