Музыкальный звонок, который умеет всё (Z80)

Главная сайтаНачало разделаУстройстваМикроконтроллеры → Музыкальный звонок, который умеет всё (Z80)

Тема электронных квартирных звонков неоднократно обсуждалась на страницах различных радиолюбительских журналов, и, тем не менее, всегда вызывает живой интерес, т. к. с одной стороны, звонок, имеющий даже самый красивый и приятный звук, рано или поздно надоедает, а с другой, всегда можно придумать что-то оригинальное, свое, ни на что не похожее. Предлагаю на суд читателей электронный звонок, собранный на основе популярного 8-разрядного микропроцессора Z-80, который умеет "проиграть'' в динамик любой оцифрованный звук с частотой дискретизации 22 кГц и длительностью больше секунды. Данная оцифровка записана в УФ-ПЗУ совместно с маленькой исполняемой программкой в машинных кодах Z-80. Применение перепрограммируемой ПЗУ обуславливает легкость смены звука звонка без применения паяльника. Кстати, выбор в качестве основы процессора Z-80 продиктован в основном дешевизной и общедоступностью оного. И хоть конструирование звонка на базе целого микроконтроллера сильно напоминает "забивание гвоздей наручными часами", тем не менее, в результате получилось, на мой взгляд, дешево и сердито :-) Схема представлена на рисунке.

Музыкальный звонок, который умеет всё (Z80)

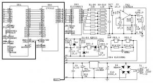
Рис.1. Схема музыкального звонка

В качестве памяти использована микросхема 27C512, занимающая все адресное пространство процессора, а в качестве порта - регистр 1533ИР23. Выходы регистре Q0 - Q7 соединены с простейшим резисторным цифроаналоговым преобразователем, формирующим уже готовый звуковой сигнал, который осталось отфильтровать от нежелательных ультразвуковых составляющих конденсатором С1, отрегулировать по наиболее подходящей громкости потенциометром R17 и усилить по мощности микросхемой К174УН14. Мощности усилителя вполне достаточно даже пользователям с пониженным слухом. Поскольку процессор работает только с одним кристаллом памяти, только в режиме чтения и только с одним портом в режиме записи, оказалось возможным полностью отказаться от дешифратора адреса и максимально упростить схему выбора кристаллов, задействовав только два сигнала MREQ и IORQ процессора. Сброс организован на элементах R21, С7 и VD1, задающий генератор, вырабатывающий меандре частотой 4МГц, выполнен на элементах DD3.1 и DD3.2. с применением кварцевого резонаторе BQ1. Запускается звонок по приходу лог. "0" на вход аппаратного маскируемого прерывания (сигнал INT). Узeл DD3.5, DD3.6, R23, С8, VD3 служит для защиты от помех, возникающих на проводах, ведущих к звонковой кнопке КН. Цифровая часть звонка питается напряжением +5В, стабилизированным микросхемой КР142ЕН5А.
Несколько слов о "прошивке". Исполняемый код расположен по адресам 0000H - 009FH:

 0000 F3 3E 80 D3 7F 3Е E0 BA ED 56 30 05 FB 00 16 FF 0010 76 FВ 06 FF 48 06 FF 10 FE 41 10 F8 10 FE 01 А0 0020 00 21 FF FF 0A D3 7F 56 06 06 10 FE 43 ED 42 26 0030 03 03 16 ED 16 FF С7 00 06 02 46 42 3E 80 D3 7F 0040 10 FA 42 AF D3 7F 10 FB 41 10 EF AF BA 26 02 15 0050 С7 16 80 С7 77 61 76 F7 32 32 6В F7 6D 6F 6Е 6F 0060 2D 2D 2D 2D 2D 2D 2D 2D 2D 2D 2D 2D 2D 2D 2D 2D 0070 00 28 63 29 20 4А 75 6C 79 2С 20 31 39 39 37 00 0080 00 53 74 6F 72 63 68 61 6B 20 4В 2Е 20 4D 2Е 00 0090 2D 2D 2D 2D 2D 2D 2D 2D 2D 2D 2D 2D 2D 2D 2D 2D 

А дальше, с адреса 00A0H и до конца (FFFFH) находится оцифрованный эвуковой сигнал который можно получить из обыкновенного звукового файла .WAV MS WINDOWS формата 22 кГц МОНО. Единственное, что нужно сделать перед тем, как использовать такой файл - удалить его заголовок в любом простом редакторе (например, встроенным в Volkov Commander). Автор обычно делает так:
1. Берется .WAV файл, который требуется воспроизвести звонком.
2. Файл приводится в формат 22 кГц МОНО любой программой, позволяющей это сделать (например, SOUNDRECORDER, входящий в поставку MS WINDOWS).
3. В том же SOUNDRECORDER'e редактируется файл так, чтобы он занимал не больше 65536 байт.
4. Встроенным в Volkov Commander редактором проверяется длина файла и, если он не длиннее 65536 байт, убираются первые 160 байтов этого файла и вместо них вручную набивается 160 байтов приведенного выше кода.
5. С помощью программатора "прошивается" ППЗУ.

Для большей экономичности можно отказаться от светодиода и применить процессор, выполненный по технологии К-МОП, например КР1858ВМ3.

К.Сторчак, г.Киев




counter  ||  Хостинг Web1.0