Металлоискатель Tracker F

Главная сайтаНачало разделаХобби и развлеченияМеталлоискатели → Металлоискатель Tracker F

Металлоискатель Tracker F

Принцип действия металлоискателя. Прибор циклически измеряет частоту поискового генератора и вычисляет ее приращение. В зависимости от типа мишени (ферромагнетик или неферромагнетик), от ее размера и удаления от катушки это приращение меняет свою величину и свой знак. На основе анализа этой информации в микроконтроллере производится распознавание и индикация. Прибор может работать в статическом и динамическом режиме.
Главная особенность алгоритма это то, что на самом деле измеряется не частота, а период колебаний. Уход частоты при приближении к мишени получается достаточно малый. Чтобы измерить столь малый уход, время измерения должно быть достаточно большим - десятки секунд. Этот факт входит в противоречие с требованием работы металлоискателя в реальном масштабе времени. Для реального металлоискателя время обработки сигнала не должно превышать 20-40мс. Однако если измерять не частоту, а усредненный период колебаний генератора за 20-40мс, то можно получить вполне приемлемый результат.
Прибор работает следующим образом. Сначала измеряется период колебаний вдали от мишеней. Это значение берется в качестве эталонного. Затем в цикле производится измерение периода частоты и вычитание эталонного значения. В статическом режиме эта разность подвергается "логарифмированию" и подается на индикацию - 3 светодиода это уход частоты в плюс и столько же в минус. В динамическом режиме полученные данные подвергаются согласованной квазиоптимальной фильтрации. Это позволяет отфильтровать полезный сигнал на фоне помех от грунта и и от других дестабилизирующих факторов. Результат подается на индикацию. В этом режиме отклик нашего металлоискателя очень напоминает поведение индукционного металлоискателя - над мишенью сначала индикатор "отклоняется" в одну сторону, затем в другую. Кроме световой в приборе реализована и звуковая индикация - каждому светодиоду (кроме нулевого) соответствует звуковой сигнал определенной частоты, так что при поиске можно ограничиться слуховым контролем.

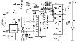
Назначение переключателей:
S0: сброс прибора;
S1: зарезервирован;
S2: Вкл - порог обнаружения высокий, Выкл - низкий;
S3: время измерения Вкл - 30ms, Выкл - 120ms(для медленного поиска);
S4: автоподстройка Вкл/Выкл (только для динамического режима);
S5: режим Вкл - статический, Выкл - динамический.




counter  ||  Хостинг Web1.0