Металлоискатель из доступных элементов

Главная сайтаНачало разделаХобби и развлеченияМеталлоискатели → Металлоискатель из доступных элементов

Металлоискатель из доступных элементов

Этот металлоискатель способен обнаруживать такие крупные металлические предметы как железное ведро или крышку от люка, водопроводную трубу, на глубине до одного метра, а такие мелкие предметы как монеты или шурупы он способен обнаружить на глубине до 15-20 см.

Прибор построен на основе самых распространённых деталей, которые имеются в запасах любого радиолюбителя. Металлоискатель выполнен по известному и широко применяемому в таких приборах принципу биений между частотами двух высокочастотных генераторов, частота одного из которых постоянна, а частота второго меняется под действием внешних металлических предметов изменяющих индуктивность его катушки при попадании а зону её периметра.

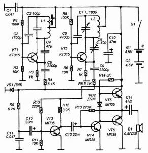
Принципиальная схема показана на рисунке. Генератор постоянной частоты выполнен на транзисторе VT1. Частота его колебаний определяется параметрами контура L1C3 и находится около 1 МГц. Второй генератор выполнен на транзисторе VT2, он тоже вырабатывает сигнал примерно той же частоты. Разница состоит в том, что в первом генераторе, в его контуре, используется небольшая катушка с ферритовым сердечником, и на её индуктивность внешние металлические предметы практически не оказывают существенного действия. Катушка контура второго генератора наоборот намотана на большом каркасе в виде рамки и она не имеет сердечника. В результате её индуктивность сильно меняется при её приближении к металлическому прибору, который в этом случае начинает выполнять функции перемещающегося сердечника.

Сигналы от обеих генераторов поступают на диодный смеситель на диоде VD1 и на конденсаторе С12 получается продукт вычитания частот генераторов. Чем ближе эти частоты тем меньше частота ЗЧ на этом конденсаторе, а чем более отличаются частоты генераторов тем выше тон звука в динамике В1, на который сигнал - продукт работы диодного смесителя, поступает через низкочастотный усилитель на транзисторах VT3-VT6.

Таким образом, при помощи переменного конденсатора С7 второй генератор настраивают таким образом, чтобы при отсутствии поблизости металлических предметов тон звука в динамике был самым низким. Затем при приближении катушки L2 к металлу частота генератора на VT2 начинает изменяться и разность частот генераторов увеличивается, а следовательно тон в динамике будет подниматься, и при точном нахождении металла перейдет в пронзительный писк.

Катушку L1 наматывают на ферритовом стержне диаметром 8 мм от магнитной антенны радиоприёмника. Длина стержня уменьшена до 30 мм (стержень подпилен пилкой для медицинских ампул и обломан). Предварительно на стержень надевают каркас - гильзу, склеенную из ватмана, которая перемещается по нему с некоторым трением. Катушка содержит 110 витков провода ПЭВ диаметром 0, 2-0, 3 мм. Отвод делается от 16-го витка считая от коллектора VT1.

Катушка L2 - поисковая, она намотана на каркасе, представляющем собой рамку размерами 120X220 мм сделанную из оргстекла, пластмассы или дерева. Намотка ведётся проводом ПЭВ диаметром 0, 4-0, 6 мм, катушка содержит 45 витков с отводом от 10-го считая от коллектора VT2. Катушку соединяют с основным блоком трёхжильным экранированным проводом (можно использовать низкочастотный аудиошнур). Катушка расположена на расстоянии около 1 метра от основного блока (закреплена на алюминиевой трубке или деревянной рейке).

Сам прибор (основной блок, содержащий генератор на VT1 и УЗЧ с динамиком и батареей питания) смонтирован в корпусе от неисправного радиоприёмника, от этого же приёмника используется динамик и переменный конденсатор, и стержень для катушки L1. Монтаж ведётся на полностью демонтированной плате этого приёмника используя где возможно дорожки, или монтажные провода. Конструкция может быть и другой, всё зависит от возможностей и желания. Конденсатор С7 может быть с минимальной ёмкостью не более 10 пФ, и максимальной не менее 150 пФ. Транзисторы КТ315 можно заменить на КТ3102 или КТ312, КТ316. Транзисторы МП35 можно заменить на МП35-МП38. а транзистор МП39 на МП39-МП42. Диоды Д9 с любой буквой, или Д2, Д18, ГД507. Динамик любой сопротивлением от 4-х до 100 Ом, например динамик от радиоприёмника или головные телефоны.

Батарея питания на 9В, в данном случае две "плоские батарейки" по 4, 5В включённые последовательно, но можно использовать "Крону" на 9В или батарею из шести элементов по 1, 5В. Питание от сетевого источника не желательно, при этом возникает фон переменного тока и понижается чувствительность прибора в целом.

Настройка заключается в подстройке L1 таким образом чтобы при среднем положении ротора конденсатора С7 при отсутствии внешних металлических предметов в динамике был слышен звук самого низкого тона. В дальнейшем, при работе подстройка перед началом поиска будет производится конденсатором С7.

При отсутствии генерации генератора на VT1 нужно подобрать номинал С4 или (и) подстроить режим работы каскада подбором номинала R2. Если не возбуждается генератор на VT2 нужно подстроить С8 и подогнать режим работы транзистора подбором номинала R6.

Прибор отличается высокой чувствительностью и работа с ним требует определённых навыков, так что нужно потренироваться.

При работе нужно учитывать, что приближении к чёрным металлам (железо, сталь, чугун) частота генератора на VT2 уменьшается, а при приближении к цветным - возрастает.




counter  ||  Хостинг Web1.0