Звуковой испытатель кварцевых резонаторов

Главная сайтаНачало разделаУстройстваИзмерительная техника → Звуковой испытатель кварцевых резонаторов

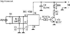
Работоспособность практически любых радиочастотных кварцевых резонаторов можно достаточно просто проверить с помощью несложного устройства, схема которого показана на рисунке.

Устройство формирует звуковой тон при подключенном исправном резонаторе. Микросхема DD1 является двоич ным счетчиком, в составе которой имеется генератор.

Чтобы генератор возбудился, к нему следует подключить внешний резонатор, резистор (R1) и два конденсатора емкостью по 10 пф (С1, С2) - генерация возникает на основной частоте резонатора. Затем делите-ли частоты микросхемы понижают частоту сформированного сигнала до значения звуковых частот.

Транзистор VT1 -усилитель, позволяющий подключить в его коллекторную цепь низкоомную звуковую головку для индикации низкочастотных колебаний.

Опытный образец испытателя уверенно работал с резонаторами от 1 до 27 МГц. В последнем случае частота звуковых колебаний на выходе пробника будет около 6, 6 кГц.

В устройстве можно использовать отечественную микросхему типа 1051ХЛ2 и транзистор КТ315Б. В качестве звуковой головки подойдет любая малогабаритная с мощностью 0, 25-0, 5 Вт и сопротивлением звуковой катушки не менее 8 Ом.

Звуковой испытатель кварцевых резонаторов




counter  ||  Хостинг Web1.0