Логический пробник

Главная сайтаНачало разделаУстройстваИзмерительная техника → Логический пробник best-renta/news/2-avtomobil-naprokat-chto-kak-i-zachem" target="_blank">машина напрокат без водителя

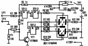
Пробник максимально прост и содержит минимальное количество радиодеталей. В нем применен полупроводниковый знакосинтезирующий индикатор АЛС324Б. Прибор индицирует три различных состояния на входе: отсутствие сигнала (загорается знак -|), напряжение низкого логического уровня (горит 0), напряжение высокого логического уровня (горит 1). Питается устройство от источника постоянного тока напряжением 9 В (батарея "Корунд"). Принципиальная схема логического пробника показана на рисунке 1. Транзистор VT1 выполняет роль электронного ключа. Элементы DD1.1 и DD1.3 микросхемы DD1 служат для усиления входного сигнала, а DD1.2 используется в качестве сравнивающего устройства. Логическая информация отображается знакосинтезирующим индикатором HG1. Постоянные резисторы R6-R10, R12, R13 ограничивают ток светодиодов индикатора, а подстроечный резистор R3 служит для установки пробника в исходное состояние при отсутствии входного сигнала. Батарея GB1, стабилитрон VD1 и подстроечный резистор R11 образуют стабилизированный источник питания постоянного тока.

Предположим, что после включения питания сигнал на входе пробника отсутствует (щупы ХР1 и ХР2 не подключены к электрической цепи проверяемого устройства). При этом транзистор VT1 будет заперт и на входе 9 элемента DD1.2 установится напряжение высокого логического уровня. Такой же величины будет напряжение на входах 5 и 6 DD1.1, а следовательно, и на выходе 1 DD1.3 и входе 8 DD1.2. В результате на выходе 10 DD1.2 установится логический 0, и на индикаторе HG1 загорятся сегменты g, b и с (последние два через резисторы R12 и R13 подключены непосредственно к "минусовому" проводу питания), обозначая отсутствие сигнала на входе пробника.

Если теперь на вход подать напряжение высокого логического уровня, состояние элементов DD1.1 и DD1.3 не изменится, зато транзистор VT1 откроется и на входе 9 DD1.2 установится логический 0. Элемент DD1.2 переключится, на его выходе появится логическая 1 и сегмент g индикатора погаснет. В то же время сегменты b и c продолжают светиться, образуя цифру 1.

Подадим на вход пробника напряжение низкого логического уровня. Транзистор VT1 снова окажется запертым, а вот элементы DD1.1 и DD1.3 переключатся в противоположные состояния и на выходе 1 DD1.3 и входе 8 DD1.2 установится логический 0. При этом элемент DD1.2 также переключится, и на его входе появится напряжение высокого логического уровня. В результате сегмент g погаснет, а сегменты а, d, e, f загорятся, образуя вместе с непрерывно горящими сегментами b и с изображение цифры 0.

Логический пробник

Рис.1 Принципиальная схема логического пробника

Все элементы пробника, за исключением батареи питания GB1, тумблера SA1 и щупов ХР1 и ХР2, размещаются на монтажной плате размером 62x30 мм, изготовленной из фольгированного гетинакса или стеклотекстолита толщиной 1-2 мм (рис.2).


В устройстве можно использовать следующие детали. Транзистор КТ601 - КТ603, КТ608 с любым буквенным индексом. Вместо индикатора АЛС324Б можно применить любой другой с разделенными катодами, например КЛЦ201. Стабилитрон - КС156А или КС147А. Постоянные резисторы-ВС, МЛТ, ОМЛТ, С2-23, С2-33; подстроечные - СПЗ-16. Допустимо также использовать подстроечные резисторы СП4; однако необходимо будет несколько изменить конструкцию монтажной платы с учетом его габаритов и расположения выводов. Тумблер - малогабаритный, например ПДМ или МТ1, МТД1. Щупы- от промышленного измерительного прибора.


Настройка. Прежде всего вращением движка подстроечного резистора R11 подберите напряжение питания микросхемы DD1, чтобы оно составляло 5 В. Затем при отсутствии входного сигнала установите пробник в исходное состояние, переведя движок R3 в крайнее правое по схеме положение. При этом на индикаторе должны гореть сегменты b и с. Далее, медленно вращая движок R5 в обратную сторону, добейтесь свечения сегмента g. Теперь пробник готов к работе.

Логический пробник

Рис.2 Печатная плата и схема расположения элементов




counter  ||  Хостинг Web1.0