Устройство для обнаружения движущихся металлических предметов

Главная сайтаНачало разделаЭлектроника в промышленностиДатчики и индикаторы → Устройство для обнаружения движущихся металлических предметов

Устройство для обнаружения движущихся металлических предметов

Принцип действия описываемого устройства основан на влиянии вихревых токов, возникающих в металлическом предмете, на добротность катушки, создающей магнитное поле. Его можно использовать для выявления нежелательных металлических предметов в движущейся массе какого-либо сырья или готовой продукции, для подсчета металлических деталей или числа транспортных средств, следующих через контрольный пункт и т. д.

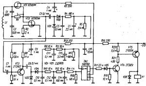
Принципиальная схема устройства изображена на рисунке. Оно состоит из генератора (VT1, VT2), узла обработки его сигнала (VT3, DA1) и электронного реле (VT4, VT5, К1). Датчиком служит катушка L1. образующая с конденсаторами С1 и С2 колебательный контур генератора. Транзистор VT2 выполняет функции источника стабильного тока и динамической нагрузки транзистора VT1. Амплитуда генерируемых колебаний стабилизируется благодаря подаче на затвор этого транзистора (через интегрирующую цепь R4C6R5 и катушку L1) постоянной составляющей выпрямленного диодами VD1, VD2 выходного напряжения генератора.

Узел обработки сигнала содержит эмиттерный повторитель на транзисторе VT3, выпрямитель. выполненный по схеме удвоения напряжения на диодах VD3, VD4, интегрирующие цели R9C11R11C13 и R10C12R12C14 с разными постоянными времени и компаратор на ОУ DA1. В установившемся режиме выходное напряжение компаратора равно 0, транзисторы VT4. VT5 закрыты и реле К1 обесточено.

В момент включения питания потенциал затвора транзистора VT1 равен 0, его крутизна максимальна и генератор самовозбуждается. По мере зарядки конденсатора С6 амплитуда колебаний плавно уменьшается и через несколько секунд стабилизируется на некотором уровне. Примерно к этому же времени устанавливается нулевое напряжение на выходе ОУ DA1.

При приближении металлического предмета к катушке L1 потери в контуре L1C1C2 возрастают и амплитуда генерируемых колебаний на некоторое время (определяется параметрами элементов цепи R4C6R5) падает. В результате напряжение на выходе выпрямителя (VD3, VD4), а с небольшой задержкой - и на инвертирующем входе ОУ DA1 уменьшается, и поскольку потенциал его другого входа к этому времени измениться не успевает (из-за большей постоянной времени цепи R10C12R12C14), выходное напряжение компаратора скачком понижается. При этом открываются транзисторы VT4, VT5, и реле К1 срабатывает, подавая команду на остановку ленты транспортера или включая сигнализацию.

При указанных на схеме номиналах элементов интегрирующих цепей устройство обнаруживает предметы, движущиеся со скоростью более 0, 5 м/с. Чувствительность регулируют подстроечным резистором R1. Медленные колебания напряжения на входах интегрирующих цепей (скорость перемещения металлических предметов меньше указанной) не вызывают появления разности потенциалов на входах ОУ DA1, поэтому компаратор не срабатывает. Не реагирует устройство и на неподвижные металлические предметы, находящиеся поблизости от катушки L1.

Катушка L1 изготовлена в виде круглой рамки диаметром 320 мм и содержит 250 витков многожильного обмоточного провода (литцендрата) ПЭЛ 35Х0, 05. Индуктивность катушки 42 мГн, сопротивление постоянному току 32 Ом. Частота генерируемых устройством колебаний - около 23, 5 кГц.

В устройстве можно применить ОУ К553УД1А, транзисторы серий КТ315 (VT3), КТ349 (VT4), КТ608А (VT5), диоды серий Д220 (VD1-VD5) и Д223 (VD6), реле РЭС9 (паспорт РС4.524.202).




counter  ||  Хостинг Web1.0