Индикатор скрытой проводки на микросхемах

Главная сайтаНачало разделаЭлектроника в промышленностиДатчики и индикаторы → Индикатор скрытой проводки на микросхемах

Индикатор скрытой проводки на микросхемах

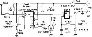
Он состоит из двух узлов - усилителя напряжения переменного тока, основой которого служит микромощный операционный усилитель DA1, и генератора колебаний звуковой частоты, собранного на инвертирующем триггере Шмитта DD1.1 микросхемы К561ТЛ1, частотозадающей цепи R7C2 и пьезоизлучателе BF1.
При расположении антенны WA1 вблизи от токонесущего провода электросети наводка ЭДС промышленной частоты 50 Гц усиливается микросхемой DA1, в результате чего зажигается светодиод HL1. Это же выходное напряжение операционного усилителя, пульсирующее с частотой 50 Гц, запускает генератор звуковой частоты.
Ток, потребляемый микросхемами прибора при питании их от источника напряжением 9 В, не превышает 2 мА, а при включении светодиода HL1 - б...7 мА. Источником питания может быть батарея 7 Д-0, 125, <Корунд> или аналогичная зарубежного производства.
Иногда, особенно когда искомая электропроводка расположена высоко, наблюдать за свечением индикатора HL1 затруднительно и вполне достаточно звуковой сигнализации. В таком случае светодиод может быть отключен, что повысит экономичность прибора. Все постоянные резисторы - МЛТ-0, 125, подстроенный резистор R2 - типа СПЗ-38Б, конденсатор С1 - К50-6. Антенной WA1 служит площадка фольги на плате размером примерно 55х12 мм. Монтажную плату размещают в корпусе из диэлектрического материала так, чтобы антенна оказалась в головной части и была максимально удалена от руки оператора. На лицевой стороне корпуса располагают выключатель питания SA1, светодиод HL1 и звукоизлучатель BF1 Начальную чувствительность прибора устанавливают подстроечным резистором R2 Безошибочно смонтированный прибор в налаживании не нуждается




counter  ||  Хостинг Web1.0