Датчик препятствия ик бампер

Главная сайтаНачало разделаЭлектроника в промышленностиДатчики и индикаторы → Датчик препятствия ик бампер

Датчик препятствия ик бампер

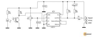
Сразу к делу, иначе речи быть не может! lm311 это компаратор (Стоимость 9-10 рублей , распространенный). Компаратор сравнивает 2 входящие величины. На схеме одна входящая величина это "идеальное напряжение" которое выставляется переменным резистором, вторая величина - величина проходящая через фото транзистор на второй вход компаратора. Сравнивая величины компаратор делает вывод. Если луч светодиода светит на фото транзистор (или отображается от поверхности) то на выходе Signal устанавливается логический ноль. Если же луч не отображается и не попадает на фототранзистор то загорается светодиод...

Нами были проверенны фотодиоды, фототранзисторы, ик реле. И был сделан вывод. Наилучшими датчиками в данной схеме явлдяются: Фотодиоды 5 мм. И Фототранзисторы 3мм. Существует множество различных фото устройств и возможно вы сами что то подберете под Вас.
Начинающим предпочтительно изготовление на макетной плате.

Вместо резисторов 330 Ом возможно поставить резисторы около 91-100 Ом.
Потребление платы минимальное.
Дальность действия:
При организации фото барьера - расстояние достигает метра - при условии точной настройки светодиода и фотоприемника.
При организации датчика определения линии или препятствия расстояние достигало 2-15 сантиметров.

Датчик изготовлен , работает , тест прошел, работоспособность доказана!
Ваши вопросы в комментарии.
Датчик был применен вместе в микроконтроллером не имеющим встроенного Ацп и компаратора.





counter  ||  Хостинг Web1.0