Датчик колебаний кузова

Главная сайтаНачало разделаЭлектроника в промышленностиДатчики и индикаторы → Датчик колебаний кузова

Датчик колебаний кузова

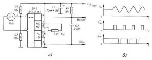
Принципиальная схема одного из них показана на рис. 1, а. Здесь РА1 - микроамперметр М476/1 с утяжеленной стрелкой - чувствительный элемент датчика: при колебаниях стрелки на рамке прибора, перемещающейся в магнитном поле, возникает электрическое напряжение.

Корпус микроамперметра вскрывают по склейке острым лезвием. На конец стрелки надевают и аккуратно обжимают плоскогубцами небольшой груз - отрезок трубчатого припоя длиной 3...5 мм и диаметром 3 мм. На концы шкалы наклеивают демпферы-ограничители - кубики 5х5х5 мм, вырезанные из поролона. Проделав все это, склейку восстанавливают и микроамперметр готов к работе в новом своем качестве.

В автомобиле микроамперметр-датчик. крепят так, чтобы ось качания стрелки была расположена вдоль автомобиля, ее утяжеленный конец «смотрел» вниз.

Для усиления сигнала, снимаемого с рамки микроамперметра и приведения его к цифровому стандарту, служит аналого-цифровой компаратор DA1. Пороговое напряжение на нем выставляют резистором R3. Это делается для того, чтобы исключить реакцию датчика на малые колебания кузова, не имеющие криминальной первопричины. В зависимости от положения движка резистора R3 относительно точки максимальной чувствительности датчика компаратор будет реагировать на входной сигнал по-разному (см. осциллограммы U0вых и U1вых на рис. 1, б).

Ток, потребляемый датчиком при +Uпит=5 В, не превышает 1, 5 мА. По энергоэкономичности предпочтительнее режим, соответствующий осциллограмме U1вых.




counter  ||  Хостинг Web1.0