Эхолот

Главная сайтаНачало разделаХобби и развлеченияЭлектроника на рыбалке → Эхолот

Эхолот

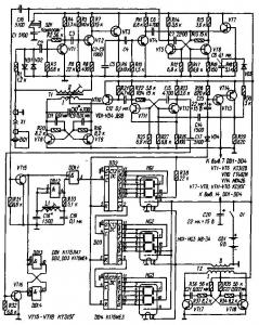
Принципиальная схема эхолота с пределом измерения глубины до 59, 9 м изображена на рис. 2. Его передатчик представляет собой двухтактный генератор на транзисторах VT8, VT9 с настроенным на рабочую частоту трансформатором Т1. Необходимую для самовозбуждения генератора положительную обратную связь создают цепи R19C9 и R20C11.' Генератор формирует импульсы длительностью 40 мкс с радиочастотным заполнением. Работой передатчика управляет модулятор, состоящий из одновибратора на транзисторах VT11, VT12, формирующего модулирующий импульс длительностью 40 мкс, и усилителя на транзисторе VT10. Модулятор работает в ждущем режиме, запускающие тактовые импульсы поступают через конденсатор С14.

Приемник эхолота собран по схеме прямого усиления. Транзисторы VT1, VT2 усиливают принятый излучателем-датчиком BQ1 эхосигнал, транзистор VT3 использован а амплитудном детекторе, транзистор VT4 усиливает продетектированный сигнал. На транзисторах VT5, VT6 собран одновибратор, обеспечивающий постоянство параметров выходных импульсов и порога чувствительности приемника. От импульса передатчика приемник защищают диодный ограничитель (VD1, VD2) и резистор R1.

В приемнике применено принудительное выключение одновибратора приемника с помощью транзистора VT7. На его базу через диод VD3 поступает положительный тактовый импульс и заряжает конденсатор С8. Открываясь, транзистор VT7 соединяет базу транзистора VT5 одновибратора приемника с положительным проводом питания, предотвращая тем самым возможность его срабатывания от приходящих импульсов. По окончании тактового импульса конденсатор С8 разряжается через резистор R18, транзистор VT7 постепенно закрывается, и одновибратор приемника обретает нормальную чувствительность. Цифровая часть эхолота собрана на микросхемах DD1-DD4. В ее состав входит ключ на элементе DD1.1, управляемый RS-триггером на элементах DD1.3, DD1.4. Импульс начала счета поступает на триггер от модулятора передатчика через транзистор VT16, окончания - с выхода приемника через транзистор VT15.

Генератор импульсов с образцовой частотой повторения (7500 Гц) собран на элементе DD1.2. Из резистора R33 и катушки L1 составлена цепь отрицательной обратной связи, выводящей элемент на линейный участок характеристики. Это создает условия для самовозбуждения на частоте, определяемой параметрами контура L1C18. Точно на заданную частоту генератор настраивают подстроечником катушки.

Сигнал образцовой частоты через ключ поступает на трехразрядный счетчик DD2-DD4. В нулевое состояние его устанавливает фронт тактового импульса, поступающего через диод VD4 на входы R микросхем.

Тактовый генератор, управляющий работой эхолота, собран на транзисторах разной структуры VT13, VT14. Частота следования импульсов определена постоянной времени цепи R28C15.

Катоды индикаторов HG1-HG3 питает генератор на транзисторах VT17, VT18 [2].

Кнопка SB1 ("Контроль") служит для проверки работоспособности устройства. При нажатии на нее на ключ VT15 поступает закрывающий импульс и индикаторы эхолота высвечивают случайное число. Через некоторое время тактовый импульс переключает счетчик, и индикаторы должны высветить число 888, что свидетельствует об исправности эхолота.

Эхолот смонтирован в коробке, склеенной из ударопрочного полистирола. Большинство деталей размещено на трех печатных платах из фольгированного стеклотекстолита толщиной 1, 5 мм. На одной из них (рис. 3) смонтирован передатчик, на другой (рис. 4) - приемник, на третьей (рис. 5 - цифровая часть эхолота. Платы закреплены на дюралюминиевой пластине размерами 172Х72 мм, вложенной в крышку коробки. В пластине и крышке просверлены отверстия под выключатель питания Q1 (МТ-1), кнопку SB1 (КМ1-1) и гнездо ВР-74-Ф коаксиального разъема XI, а также вырезано окно для цифровых индикаторов.

В эхолоте применены резисторы МЛТ, конденсаторы КЛС, КТК и К53-1. Транзисторы КТ312В и ГТ402И можно заменить на любые другие транзисторы этих серий, МП42Б - на МП25, КТ315Г-на КТ315В. Микросхемы серии К176 заменимы соответствующими аналогами серии К561, вместо микросхемы К176ИЕЗ (DD4) можно применить К176ИЕ4. Если эхолот будет использован на глубине не более 10 м, счетчик DD4 и индикатор HG3 можно не устанавливать.

Обмотки трансформатора Т1 намотаны проводом ПЭЛШО 0, 15 на каркасе диаметром 8 мм с фер-ритовым (600НН) подстроечником диаметром 6 мм. Длина намотки - 20 мм. Обмотка I содержит 80 витков с отводом от середины, обмотка II - 160 витков. Трансформатор Т2 выполнен на ферритовом (3000НМ) кольце типоразмера К16Х10Х4, 5. Обмотка I содержит 2Х 180 витков провода ПЭВ-2, 0, 12, обмотка 11-16 витков провода ПЭВ-2, 0, 39. Катушка L1 (1500 витков провода ПЭВ-2 0, 07) намотана между щечками на каркасе диаметром 6 мм из органического стекла. Диаметр щечек - 15, расстояние между ними - 9 мм. Подстроечник - от броневого магнитопровода СБ-1а из карбонильного железа.

Ультразвуковой излучатель-датчик эхолота изготовляют на основе круглой пластины диаметром 40 и толщиной 10 мм из титаната бария. К ее посеребренным плоскостям сплавом Вуда припаивают тонкие (диаметром 0, 2 мм) проводники-выводы. Датчик собирают в алюминиевом стакане от оксидного конденсатора диаметром 45...50 мм (высоту - 23...25 мм - уточняют при сборке). В центре дна стакана сверлят отверстие под штуцер, через который будет входить коаксиальный кабель (РК-75-4-16, длина 1...2, 5 м), соединяющий датчик с эхолотом. Пластину датчика приклеивают клеем 88-Н к диску из мягкой микропористой резины толщиной 10 мм.

При монтаже оплетку кабеля припаивают к штуцеру, центральный проводник - к выводу обкладки датчика, приклеенной к резиновому диску, вывод другой обкладки - к оплетке кабеля. После этого диск с пластиной вдвигают в стакан, пропуская кабель в отверстие штуцера, и закрепляют штуцер гайкой. Поверхность тита-натовой пластины должна быть углублена в стакан на 2 мм ниже его кромки. Стакан закрепляют строго вертикально и заливают до края эпоксидной смолой. После затвердевания смолы поверхность датчика шлифуют мелкозернистой наждачной бумагой до получения гладкой плоскости. К свободному концу кабеля припаивают ответную часть разъема XI.

Для налаживания эхолота необходимы осциллограф, цифровой частотомер и блок питания напряжением 9 В. Включив питание, проверяют работоспособность счетного устройства: если оно исправно, то индикаторы должны высвечивать число 88, 8. При нажатии на кнопку SB1 должно появляться случайное число, которое с приходом очередного тактового импульса должно вновь сменяться числом 88, 8.

Далее налаживают передатчик. Для этого к эхолоту подключают датчик, а осциллограф, работающий в режиме ждущей развертки,- к обмотке 11 трансформатора Т1. На экране осциллографа с приходом каждого тактового импульса должен появляться импульс с радиочастотным заполнением. Подстроечником трансформатора Т1 (если необходимо, подбирают конденсатор С10) добиваются максимальной амплитуды импульса, которая должна быть не менее 70 В.

Следующий этап - налаживание генератора импульсов образцовой частоты. Для этого частотомер через резистор сопротивлением 5, 1 кОм присоединяют к выводу 4 микросхемы DD1. На частоту 7500 Гц генератор настраивают подстроечником катушки L1. Если при этом подстроечник занимает положение, далекое от среднего, подбирают конденсатор С18.

Приемник (а также модулятор) лучше всего настраивать по эхо-сигналам, как это описано в [i]. Для этого датчик прикрепляют резиновым жгутом к торцевой стенке пластмассовой коробки размерами 300Х100Х100 мм (с целью устранения воздушного зазора между датчиком и стенкой ее смазывают техническим вазелином). Затем коробку заполняют водой, выпаивают из приемника диод VD3 и присоединяют к выходу приемника осциллограф. Критерием правильной настройки приемника, модулятора передатчика, а также качества ультразвукового датчика является число наблюдаемых на экране эхосигналов, возникающих вследствие многократных отражений ультразвукового импульса от торцевых стенок коробки. Для увеличения видимого числа импульсов подбирают резисторы R2 и R7 в приемнике, конденсатор С13 в модуляторе передатчика и изменяют положение подстроечника трансформатора Т1.

Для регулировки устройства задержки включения приемника впаивают на место диод VD3, заменяют резистор R18 переменным (сопротивлением 10 кОм) и с его помощью добиваются исчезновения двух первых эхосигналов на экране осциллографа. Измерив сопротивление введенной части переменного резистора, его заменяют постоянным такого же сопротивления. После настройки число эхосигналов на экране осциллографа должно быть не менее 20.

Для измерения глубины водоема датчик лучше всего закрепить на поплавке с таким расчетом, чтобы нижняя его часть была погружена в воду на 10...20 мм. Можно прикрепить датчик к шесту, с помощью которого его погружают в воду кратковременно, на время измерения глубины. При использовании эхолота в плоскодонной алюминиевой лодке для измерения небольших глубин (до 2 м) датчик можно приклеить к днищу внутри лодки.




counter  ||  Хостинг Web1.0