"Полицейская" мигалка

Главная сайтаНачало разделаХобби и развлеченияЭлектронные игрушки → "Полицейская" мигалка

"Полицейская" мигалка

Конечно же, это игрушка, а не настоящий проблесковый маяк, для установки которого требуется масса разрешений и согласований. Её можно установить как сигнальное устрой­ство на каком-то объекте с напряжением 12- 15V. Очень эффектна установка внутри сало­на в верхней части ветрового стекла (там где можно клеить тонировку). Если светодиоды действительно сверхяркие и расположены двумя-четырьмя компактными группами, то эффект получается интересный и очень яркий даже днем. Организовав питание от сетевого источника напряжением 12V и током не ниже 1А, можно использовать данную мигалку и как элемент оформления диско­теки, новогодней ёлки, витрины магазина автозапчастей, офиса автозаправки, придо­рожного кафе... А скорость мигания может изменяться, например, при входе посетителя или покупателя, конечно, при наличии соот­ветствующего датчика положения двери или прохода.

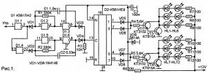
Работает мигалка таким образом. Две основные группы светодиодов - красная и синяя. В каждой группе по шесть свето­диодов, так что можно сделать и четыре или шесть групп, чередующихся цветов. Но это дело уже дизайна. Цикл состоит из чередую­щихся двукратных вспыхиваний каждой из двух основных групп. То есть, - два раза мигнули синие, затем два раза мигнули красные, затем опять два раза синие... Кроме этого можно изменять скорость мига­ния в двух положениях. Ну, можно сказать, что при соответствующем подключении, при включенном двигателе мигание быстрее, а при выключенном - медленнее. В общем, переключение скорости мигания выполняют изменением логического уровня на управ­ляющем входе.Схема состоит из двух переключаемых муль­тивибраторов, двоично-десятичного счетчика и выходных ключей, нагруженных светодиодами. Два мультивибратора нужны чтобы проще (изменением логического уровня) можно было изменять частоту импульсов, приходя­щих на вход «С» счетчика. Мультивибратор D1.2-D1.3 настроен на более низкую частоту, а мультивибратор D1.5-D1.6 - на более вы­сокую. Частоты лучше всего установить при налаживании, уточнением сопротивлений резисторов R1 и R2, контролируя зрительно восприятие светового эффекта. Для разных типов светодиодов, а так же, разных вариан­тов дизайна оптимальные частоты, обес­печивающие наилучшее зрительное восприя­тие, могут существенно отличаться.

Выходы мультивибраторов объединены через диоды VD3 и VD4 и резистор R3 и импульсы поданы на вход «С» счетчика D2. Переключение мультивибраторов произво­дится переключением блокировки их. При блокировке вход первого инвертора мульти­вибратора замыкается прямым сопротивле­нием диода на общий минус. При этом гене­рация срывается, а на выходе второго инвер­тора мультивибратора будет логический ноль. Соответствующий диод VD3 или VD4 при этом будет закрыт и выход заблокиро­ванного мультивибратора окажется практи­чески отключенным от входа счетчика. Импульсы на счетчик будут поступать от незаблокированного мультивибратора.

Для работы в медленном режиме нужно чтобы на вход D1 поступал управляющий низкий уровень (логический ноль). При этом мультивибратор D1.2-D1.3 будет работать, а D1.5-D1.6 будет заблокирован. Для перехода в быстрый режим нужно на управляющий вход подать высокий логический уровень (единица на входе D1.1). При этом будет заблокирован мультивибратор D1.2-D1.3, а мультивибратор D1.5-D1.6 будет работать. Так логическим уровнем на входе D1.1 можно переключать скорость мигания. Если ско­рость мигания менять не нужно, то можно ограничиться одним мультивибратором на любых двух логических инверторах КМОП. При этом варианте диоды VD1-VD4 не нужны, - импульсы с выхода мультивибрато­ра подавать прямо на вход «С» D2.

Счетчик D2 задает «программу» работы схемы. Фактически начало отсчета может быть любым случайным, но, предположим, с нуля. В нулевом положении D2 ни на одном из его используемых выходах высокого уров­ня нет, поэтому ключи VT1-VT4 закрыты и светодиоды выключены. В положении «1» горят HL1-HL6. В положении «2» они гаснут, и снова зажигаются в положении «3». В положении «4» опять гас­нут. В положении «5» зажига­ются светодиоды HL7-HL12, а положении «6» они гаснут, и снова зажигаются в положении «7». Это циклически повторяется. Диоды VD5-VD8 нужны чтобы входом одного ключа можно было управлять с двух выходов счетчика, и эти выходы не влияли друг на друга. Стаби­литрон VD9 стабилизирует пита­ние микросхем.

В схеме можно применить любые сверхяркие, суперяркие или ультраяркие светодиоды. Резисторы R7-R12 ограничивают ток через них. Если известен оптимальный ток для исполь­зуемых светодиодов, то этими резисторами можно его уста­новить как надо.

Микросхемы можно заменить аналогами серий К176, CD40. Вместо счетчика К561ИЕ9 (или аналога) можно использовать счетчик К561ИЕ8 (или аналог). Но чтобы ограничить счет до 8-и нужно восьмой выход счетчика К561ИЕ8 соединить с его же входом обнуления (R).




counter  ||  Хостинг Web1.0