Оптовыключатель модели железной дороги

Главная сайтаНачало разделаХобби и развлеченияЭлектронные игрушки → Оптовыключатель модели железной дороги

Оптовыключатель модели железной дороги

Как известно, реклама - двигатель торгов­ли. А её главная задача привлекать внима­ние потенциального покупателя к продукту, а лучше всего это сделать показав товар в действии. Вот пример, - ru.all.biz/igrushechnye-zheleznye-dorogi-bgg1056715" target="_blank">игрушечная модель железной дороги. Макет рельефа местности, железнодорожное полотно, стрелки, и паро­возик с электроприводом и составом из трех вагонов. Эффектнее всего это выглядит в действии. Но гонять игрушку весь рабочий день, даже когда нет покупателей, - не очень разумно с экономической точки зрения. А вот если бы игрушка включалась и работала только при наличии зрителя? Вот это пра­вильно. Подходит человек к витрине и игрушка включается. Отошел, - поезд закон­чит кольцо и остановится на стартовой позиции.

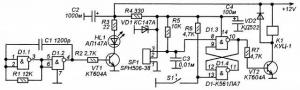
Чтобы это организовать на самом деле не потребовалось никаких сложных схемных решений, - всего то одна микросхема КМОП и оптопара из ИК-светодиода и фотоприем­ника от системы дистанционного управления телевизором.

Схема состоит из оптического датчика и триггера. Мультивибратор D1.1-D1.2 генерирует импульсы частотой около 38 кГц (во время налаживания эта частота устанавливается точнее подбором сопротивления R1). Эти импульсы проходят на транзисторный ключ на VT1, на выходе которого есть инфракрас­ный светодиод HL1 ток через который огра­ничен резистором R3. При работе схемы HL1 излучает вспышки ИК-излучения с частотой повторения 38 кГц. Фотоприемник SF1 - стандартный фото­приемник от системы ДУ телевизора. Он на частоту 38 кГц (число «38» в макеровке). При попадании на него ИК-света от HL1 на его выходе открывается транзисторный ключ и напряжение падает до нуля. Если импульсы ИК-света на SF1 не поступают, - ключ закрыт и на его выходе единица (подтянута через резистор R5).

ИК-светодиод и фотоприемник расположе­ны в одном месте и направлены в одну сто­рону, - на посетителя магазина, остановив­шегося перед витриной с игрушечной желез­ной дорогой. Причем, между ними имеется непрозрачная перегородка. Лучше всего просто в качестве этой перегородки использовать столешницу стола на котором расположена модель железной дороги. Светодиод можно расположить на столешнице, а фотоприемник под ней, или наоборот. Важно чтобы свет от светодиода не попадал напрямую на фотоприемник, а только по пути отражения от человека, стоящего перед этим столом. Вообще, настройку пространственного расположения HL1 и FS1 нужно делать под конкретные условия, выбирая оптимальное положение. А так же, можно изменять ток через светодиод подбором сопротивления R3 (при этом меняется чувствительность датчика на дальность действия). Результатом этой кропотливой работы должно быть то, что при отсутствии человека или нахождении его на расстоянии более полутора метра от витрины на выходе SF1 должна быть единица, а при приближении человека на расстояние в полтора метра и ближе к витрине на выходе SF1 должен быть ноль. Это расстояние (полтора метра) тоже можно выбрать другим, в основном это оно зависит от сопротивления резистора R3.

И так, человек подходит к витрине, ИК-свет излучаемый HL1 отражается от него и попа­дает на светочувствительную поверхность SF1. На выходе SF1 открывается ключ и напряжение на выводе 8 D1.3 падает до нуля. На элементах D1.3 и D1.4 сделан RS- триггер, переключаемый логическими нуля­ми. Как только на выходе SF1 появляется ноль, это переключает триггер в состояние при котором на выходе элемента D1.3 есть единица. Причем, это состояние приоритет­ное, то есть, пока на выводе 8 есть ноль, нулем на выводе 13 триггер переключить в обратное состояние нельзя.

Таким образом, когда человек подходит к витрине триггер переключается и на выходе D1.3 появляется единица. Транзистор VT2 открывается и реле К1 включает питание электросхемы модели железной дороги. Паровозик дает гудок и состав движется.

В исходной точке, то есть в месте начала- конца пути, есть контактный датчик S1, который замыкается тогда, когда состав находится на этой исходной точке или при­ближается к ней. Этот датчик обозначает один полный круг по замкнутой железной дороге. Пока человек стоит перед витриной схема триггера никак не реагирует на этот датчик и состав двигается по кольцу бес­конечно. Но если человек уйдет, и больше зрителей нет, то на выводе 8 D1.3 устанав­ливается логическая единица. Теперь триг­гер может отреагировать на датчик S1, и при очередном проходе состава через этот датчик триггер переключается в противопо­ложное положение. Теперь на выходе D1.3 - логический ноль. Транзистор VT2 закрыт, реле К1 выключает электросхему модели железной дороги.

В принципе, на первый взгляд, можно бы обойтись и без триггера и без датчика. Просто приспособить ключ с реле на выходе SF1. Но, в таком случае система работает очень нестабильно. Ведь человек не обяза­тельно должен стоять неподвижно. А в ре­зультате его движения отражение ИК-света может прерываться, и при каждом из этих прерываний будет отключаться питание игрушки. К тому же, желательно чтобы даже после ухода зрителя состав закончил один круг и остановился на исходной позиции. Вот для этого и нужен датчик и триггер. Хотя, если управлять нужно чем-то другим, и тре­буется моментальная реакция на нарушение оптической связи, - можно просто замкнуть датчик S1 перемычкой. Теперь реле будет сразу выключатся при отсутствии отражения.

Детали. Инфракрасный светодиод и фото­приемник можно взять практически любые для дистанционного управления телевизо­рами или другой бытовой техники, - выбор просто огромен. Но нужно учесть то, что фотоприемник должен быть именно интегральным и с встроенным фильтром. В принципе, это все относительно современ­ные фотоприемники. А вот блок от старого телевизора 3-УСЦТ не подойдет.

Реле использовано очень старое, от старого телевизора с разборки, но вполне можно применить и более современный вариант, например, реле для автосигнализации или другое. Сейчас в продаже обычно есть много реле с обмоткой на 12V.

По транзисторам, - согласен на все возможные замечания, да, КТ604А здесь не совсем уместен. Ведь это высоковольтный транзистор средней мощности, то есть, мощ­ность то у него достаточна, а вот макси­мальный ток маловат. Лучше поставить КТ815 или КТ817, просто поставлены такие транзисторы какие были в наличии, хотя это и не лучший вариант.

Монтаж сейчас проще всего сделать на макетной печатной плате. Сейчас эти платы не редкость в продаже, да и по цене не на много дороже куска текстолита такого же размера. Фотоприемник установлен на плате, а светодиод вынесен на двухпроводном кабеле на отдельной плате. В платах просверлены отверстия для привинчивания их шурупами к деревянной поверхности.

Частоту мультивибратора D1.1-D1.2 лучше всего установить при помощи частотомера. По маркировке (или справочным данным) фотоприемника определяете резонансную частоту настройки его встроенного фильтра (обычно она лежит в пределах 33-38 кГц, но бывают фотоприемники и с частотами на 27 кГц и на 48 кГц). Затем, заменяете резистор R1 переменным с сопротивлением с запасом (где-то 20 кОм). Устанавливаете его в положение максимального сопротивления, подключаете к выходу мультивибратора частотомер, включаете питание, и регули­ровкой этого резистора устанавливаете нужную частоту.

Остальное налаживаете сводится только к выбору пространственного положения платы с фотоприемником и платы с светодиодом, а так же, в регулировке чувствительности датчика подбором сопротивления R3.

Рисунок печати - "трассировка печатной платы" - (см. рис. 3) мо­жет быть перенесен на медную фольгу методом термопереноса [2] или переведен при помощи копир­ки и обведен кислотостойкими пер­манентными маркерами.

Перед пайкой радиодеталей, в печатную плату следует впаять 6 монтажных перемычек в термостой­кой изоляции. Перемычки жела­тельно выполнить из медного одно­жильного провода в термостойкой изоляции диаметром 0, 25...0, 5 мм.

Пайку радиоэлектронных ком­понентов следует вести заземлен­ным жалом паяльника. Обойтись без заземления можно, применив для ИМС и полевого транзистора специальные розетки, и установив в них "полевые структуры" по окон­чании пайки остальных деталей.

Схема расположения составных частей ИЗЗ в прямоугольной пла­стмассовой мыльнице с габаритны­ми размерами 100x60x30 мм при­ведена на рис. 4 в масштабе 1:1. Светодиоды HL2...HL11 впаивают­ся непосредственно в печатную плату, a HL1 (с укороченными до 5...10 мм выводами) припаивается к плате гибкими монтажными мно­гожильными проводниками и кре­пится в передней панели корпуса на трении. Мигающий СДИ HL1 с уси­лием вставляется в отверстие на корпусе диаметром на 0, 2...0, 3 мм меньшем, чем диаметр СДИ. При необходимости отверстие осторож­но растачивается вращательными (а не поступательными) движения­ми круглого надфиля. Зуммер НА1 (осторожно, исключая даже легкую деформацию корпуса) приклеивает­ся или крепится металлическим фланцем к внутренней части пере­дней стенки корпуса.




counter  ||  Хостинг Web1.0