Семисегментный индикатор

Главная сайтаНачало разделаНачинающимТеория конструирования → Семисегментный индикатор

Приборы и материалы

Внимание! Микросхема 4511 является КМОП-прибором, а, следовательно, чувствительна к статическому электричеству!

ПРИНЦИПИАЛЬНАЯ СХЕМА

Семисегментный индикатор

РИСУНОК

Семисегментный индикатор

ИНСТРУКЦИИ

В ходе данного эксперимента вы познакомитесь с одним из вариантов использования микросхемы 4511 – декодера/драйвера семисегментного индикатора. Поскольку семисегментные индикаторы являются чрезвычайно распространённым компонентом цифровых устройств, очень полезно понимать принцип работы управляющих ими схем, а микросхема 4511 – типичное устройство управления семисегментными индикаторами.

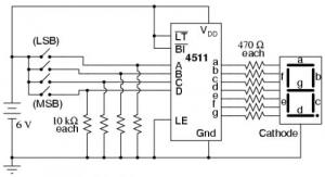
На вход такой микросхемы подаётся четырёхразрядное двоично-кодированное десятичное число, и затем сигналы подаются на соответствующие выходные линии для отображения на семисегментном индикаторе той или иной десятичной цифры. Разряды двоично-кодированного числа, от младшего к старшему, обозначаются как A, B, C и D. Выходы обозначаются латинскими буквами a, b, c, d, e, f и g, причём каждая буква соответствует стандартному обозначению сегментов индикатора. Поскольку для каждого светодиодного сегмента требуется отдельный гасящий резистор, в схеме необходимо использовать семь резисторов 470 Ом, включаемых последовательно между выводами микросхемы 4511 и соответствующими выводами индикатора.

Во многих семисегментных индикаторах также имеется десятичная запятая (иногда даже две) с отдельным светодиодом и выводом. В обычном светодиодном индикаторе девять выводов: один идёт к катодам всех сегментов, и остальные восемь — к аноду каждого из сегментов, — так называемая схема «схема с общим катодом». Существует также вариант схемы индикатора с общим анодом. При использовании микросхемы 4511 требуется семисегментный индикатор с общим катодом.

После сборки схемы и подачи питания создавайте с помощью 4 переключателей последовательность двоичных чисел (0000 — 1111), и наблюдайте за работой семисегментного индикатора. В случае двоичной комбинации 0000 индикатор будет отображать цифру «0», в случае комбинации 0001 будет отображаться цифра «1», и так далее до 1001 (десятичная цифра «9»). Что же будет происходить в случае двоичных чисел 1010 (10) – 1111 (15)? Если вы ознакомитесь с листком технических данных на микросхему 4511, то узнаете, какие функции назначены производителем для входных значений, превышающих десятичное число «9». В двоично-десятичной системе кодирования не предусмотрены значения для двоичных чисел 1010, 1011, 1100, 1101, 1110 и 1111. Эти двоичные значения лежат вне диапазона одного десятичного разряда, поэтому и не используются в двоично-десятичном кодировании.

Три входа чипа 4511 соединены с Vdd или землёй: «Lamp Test," „Blanking Input," и „Latch Enable“ («контроль свечения индикатора“, «последовательное гашение сегментов» и «режим защёлки» соответственно). Для того чтобы понять работу этих выводов схемы, необходимо удалить короткие перемычки, соединяющие выводы с шиной питания (одну за один раз!), и заменить их более длинными перемычками для соединения с другой шиной питания. Например, удалите перемычку, соединяющую с землёй вывод № 5 («Latch enable»), и замените её длинной перемычкой, чтобы соединить его с питанием Vdd . Подавайте на этот вход высокий или низкий уровень, и пронаблюдайте результат на семисегментном индикаторе. После того как вы поняли функцию этого входа, соедините его вновь с шиной питания, и приступите к эксперименту со следующим входом («Lamp Test» или «Blanking Input»).

Обратите внимание, что над сокращениями входов «Lamp Test» (LT) и «Blanking Input» (BI) имеется чёрточка — символ операции булева дополнения. Эти чёрточки обозначают, что входы возбуждаются низким уровнем сигнала, то есть для их активации необходимо подать напряжение низкого логического уровня. При подаче на эти входы напряжения высокого логического уровня они будут находиться в «пассивном состоянии», то есть их функции не будут задействованы. Над сокращением входа «Latch Enable» (LE) чёрточка дополнения отсутствует, и соответственно, для удерживания функции в пассивном состоянии этот вход соединён с землёй. Этот вход возбуждается высоким уровнем сигнала, то есть для активации его функции он должен быть соединён с цепью Vdd.





counter  ||  Хостинг Web1.0