НЕОБХОДИМЫЕ МАТЕРИАЛЫ
Две 6-вольтовых батарейки
Два NPN-транзистора -- рекомендуется модель 2N2222 или 2N3403 (каталожный номер Radio Shack 276-1617, набор из пятнадцати транзисторов )
Два однооборотных потенциометра 10 кОм с линейной функциональной характеристикой (каталожный номер Radio Shack 271-1715)
Два резистора 22 кОм
Два резистора 10 кОм
Один резистор 100 кОм
Один резистор 1, 5 кОм
Номиналы резисторов не должны идеально соответствовать указанным выше, однако были выбраны для обеспечения высокого коэффициента усиления по напряжению дифференциального усилителя, работающего в режиме "компаратора".
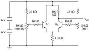
ПРИНЦИПИАЛЬНАЯ СХЕМА
РИСУНОК
ИНСТРУКЦИИ
Схема представляет собой главную часть большинства операционных усилителей: дифференциальный каскад на паре транзисторов. На схеме изображён простейший тип дифференциального усилителя, и что касается соотношения параметров выходного и входного напряжений, то он отличается значительной нелинейностью и несимметричностью. Несмотря на высокий коэффициент усиления по напряжению, создаваемый с помощью высокого отношения номиналов резисторов коллектор/эмиттер (100 кОм/1, 5 кОм), в первую очередь усилитель работает как компаратор: выходное напряжение особенно чувствительно к изменением в том случае, когда уровни двух входных сигналов практически равны.
Проведите несколько измерений выходного напряжения (напряжение на коллекторе транзистора Q2 по отношению к земле) при разных значениях входного напряжения. Пронаблюдайте, как два потенциометра оказывают различное воздействие на выходное напряжение: при вращении одного из потенциометров напряжение будет увеличиваться, а при вращении другого - уменьшаться. Таково главное свойстводифференциального усилителя: два дополняющих друг друга входа, оказывающих противоположное воздействие на выходной сигнал. В идеале, выходное напряжение подобного усилителя находится в строгой зависимости от разности двух входных сигналов. Эта схема далека от идеала, что можно продемонстрировать с помощью несложного испытания.
Работа идеального усилителя не зависит от синфазного напряжения. Например, если напряжение на инвертирующем входе равно 3 В, а на неинвертирующем - 2, 5 В, то дифференциальное напряжение будет составлять 0, 5 В (3 - 2, 5), а синфазное напряжение будет составлять 2, 5 В, поскольку это будет наименьший уровень входного сигнала. В идеале, усилитель должен давать на выходе такое же напряжение, как если бы входные сигналы были равны 3, 5 В и 3 В соответственно (дифференциальное напряжение 0, 5 В; синфазное напряжение 3 В). Однако, мы не получим одинакового результата при двух вышеописанных вариантах значений входных сигналов. Другими словами, выходное напряжение представленного усилителя зависит как от дифференциального, так и от синфазного напряжения.
При всём несовершенстве усилителя, его характеристики могли бы быть ещё хуже. Обратите внимание на то, что диапазон регулирования потенциометров входных сигналов ограничен (0 - 4 В) посредством резисторов 22 кОм, - при напряжении питания 12 вольт. Если вы хотите посмотреть на работу схемы без ограничения сигнала, "обойдите" резисторы 22 кОм проволочными перемычками, при этом вам станет доступен полный диапазон напряжения от 1 до 12 вольт.
Не стоит беспокоиться по поводу чрезмерного количества тепла, возникающего при регулировке напряжения потенциометрами! В отличие от схемы токового зеркала настоящая схема защищена резистором эмиттера (1.5 кОм).