Если номиналы резисторов R1 и R2 равны, а напряжение Vвх. составляет 6 В, то на выходе операционного усилителя будет напряжение, необходимое для обеспечения падения напряжения на 6 В на резисторе R1 (чтобы напряжение на инвертирующем входе было равно 6 В, а также, для поддержания разности напряжения между двумя входами равной нулю). В случае делителя напряжения 2:1 (посредством резисторов R1 и R2) напряжение на выходе ОУ должно составлять 12 вольт.
Другой способ анализа данной схемы заключается в том, чтобы провести расчёт амплитуды и направления тока на резисторе R1, зная напряжение на обеих сторонах (и, следовательно, путём вычитания, напряжение на резисторе R1) и сопротивление R1. Так как левая сторона R1 соединена с землёй (0 вольт), а потенциал правой стороны равен 6 В (в связи с тем, что отрицательная обратная связь удерживает его на уровне Vвх. ), мы можем видеть, что напряжение на R1 составляет 6 В. Следовательно, ток на резисторе R1 равен 6 мА. Поскольку нам известно, что оба входа ОУ имеют чрезвычайно высокое полное сопротивление, можно смело предположить, что они не будут добавлять или вычитать никакого тока через делитель. Иными словами, мы можем рассматривать резисторы R 1 и Р 2 как включённые последовательно: все электроны, протекающие через R 1 должны проходить и через R2 . Зная ток на резисторе R2 и сопротивление R2 , мы можем вычислить напряжение на R2 (6 В), а также его полярность. Подсчитывая напряжения начиная от потенциала земли (0 В) до правой стороны резистора R2 мы получаем 12 В на выходе.
Изучив последнюю схему, можно задаться вопросом: «Куда уходят эти 6 мА? ». На последнем рисунке не отображён полный путь тока, но на самом деле он движется от отрицательной линии источника постоянного тока, через землю, через R1, через R 2, через выход ОУ, а затем к положительному выводу источника постоянного тока через выходной(ые) транзистор(ы) операционного усилителя. Если использовать модель нуль-детектор/потенциометр, то путь тока выглядел бы следующим образом.
Источника сигнала (6 В) не должен подавать в цепь никакого тока: он просто отдаёт усилителю команду о необходимости сбалансировать напряжение между инвертирующим (-) и неинвертирующим (+) входами, что обеспечит выходное напряжение в два раза превосходящее входное, что обусловлено эффектом деления двумя резисторами 1 кОм.
Коэффициент усиления по напряжению данной схемы можно изменить посредством простого изменения номиналов резисторов R1 и R2(изменение выходного напряжения, подаваемого на инвертирующий вход). Коэффициент усиления может быть подсчитан по следующей формуле:
Обратите внимание, что коэффициент усиления по напряжению в усилителе подобной конфигурации никогда не может быть меньше единицы. Если бы мы уменьшили R2 до нуля ом, то наша схема стала бы идентичной повторителю напряжения, в котором выход соединён непосредственно с инвертирующим входом. Поскольку коэффициент усиления повторителя напряжения равен единице, он и будет являться нижним пределом усиления неинвертирующего усилителя. Тем не менее, коэффициент усиления может быть гораздо больше единицы при увеличении номинала R2 по отношению к номиналу R1.
Также следует обратить внимание на то, что полярность на выходе соответствует полярности на входе, как и в случае повторителя напряжения. Положительное напряжение на входе даёт положительное напряжение на выходе, и наоборот (по отношению к земле). По этой причине, эта схема называется неинвертирующим усилителем .
Как и в случае повторителя напряжения, мы видим, что дифференциальный коэффициент усиления ОУ не имеет никакого значения, до тех пор пока он очень высок. Напряжения и токи этой схемы вряд ли бы изменились, если коэффициент усиления по напряжению был бы равен 250000 вместо 200000. Здесь наглядно проявляется разительный контраст со схемами усилителей на одном транзисторе, где на общий коэффициент усилителя оказывает существенное влияние коэффициент «бета» отдельного транзистора. При наличии отрицательной обратной связи мы получаем саморегулирующуюся систему, усиливающую напряжение в соответствии с номиналами резисторов обратной связи, а не коэффициентом усиления ОУ.
Давайте посмотрим, что произойдет, если мы сохраним отрицательную обратную связь через делитель напряжения, но будем при этом прикладывать входное напряжение к другой точке:
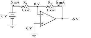
При заземлении неинвертирующего входа отрицательная обратная связь будет также удерживать напряжение на инвертирующем входе на уровне 0 В. По этой причине, инвертирующий вход называется в этой схемевиртуальной землёй, поскольку на ней удерживается потенциал земли (0 вольт) посредством обратной связи, хотя она не связана непосредственно с землёй. Входное напряжение в этот раз прикладывается к левой стороне делителя напряжения (R1 = R2 = 1 kОм), поэтому выходное напряжение будет изменяться до -6 В с тем чтобы сбалансировать среднюю точку на потенциале земли (0 В). Эту схему мы можем также проанализировать путём определения текущей амплитуды и направлений, начиная с резистора R1, и вплоть до определения выходного напряжения.
Коэффициент усиления по напряжению данной схемы можно изменить посредством простого изменения номиналов резисторов R1 и R2(изменение выходного напряжения, подаваемого на инвертирующий вход). Коэффициент усиления может быть подсчитан по следующей формуле:
Обратите внимание, что усиление по напряжению в данной схемеможет быть меньше единицы, в зависимости от соотношения номиналов резисторов R2 в R1. Также отметим, что полярность выходного напряжения всегда противоположна полярности входного напряжения. Положительное напряжение на входе даёт отрицательное напряжение на выходе, и наоборот (по отношению к земле). По этой причине, эта схема называется инвертирующим усилителем . Иногда в формуле для подсчёта коэффициента усиления содержится знак «минус" (перед дробью R2/R1), что позволяет отразить это обращение полярности.
Представленные схемы усилителей служат для умножения или деления величины сигнала входного напряжения. Именно таким образом, как правило, обрабатываются в аналоговых схемах математические операции умножения и деления.
РЕЗЮМЕ:
Путём соединения инвертирующего (-) входа операционного усилителя непосредственно с выходом мы получаем отрицательную обратную связь и схему повторителя напряжения. Путём включения в эту цепь отрицательной обратной связи делителя напряжения (то есть на инвертирующий вход подаётся лишь часть выходного напряжения), выходное напряжение становится кратным входному напряжению.
Операционный усилитель с петлёй отрицательной обратной связи, в котором входной сигнал подаётся на неинвертирующий (+) вход называется неинвертирующим усилителем. Полярность выходного напряжения будет соответствовать полярности напряжения на входе. Коэффициент усиления определяется по следующей формуле: AV = (R2/R1) + 1
Операционный усилитель с петлёй отрицательной обратной связи, в котором входной сигнал подаётся на «нижнюю" часть резистивного делителя напряжения, а неинвертирующий (+) вход заземлён, называется инвертирующим усилителем. Полярность его выходного напряжения будет противоположной полярности входного сигнала. Коэффициент усиления определяется по следующей формуле: AV = -R2/R1