Программируемый синтезатор частоты

Главная сайтаНачало разделаУстройстваПрименение микросхем → Программируемый синтезатор частоты

Управление синтезатором частоты при любом изменении параметров происходит формирование и передача кода в синтезатор частоты в соответствии с диаграммой на рис. 5.

Программируемый синтезатор частоты

Puc.5

Имеется клавиша режима передачи ("Реж. пер."), которая определяет алгоритм вычисления кода на синтезатор (см. табл. 3); когда клавиша нажата - действует режим 2.

Программируемый синтезатор частоты

Puc.6

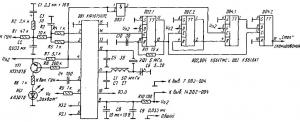
Включение микросхемы синтезатора DD1 показано на рис. 6. С выводов 2, 3 DD1 сигнал управления через фильтры R4R5C3 и R3C2 подается на варикапы ГУНа. Его выходное напряжение ВЧ подано на вывод 5 DD1. При "захвате" частоты происходит гашение индикатора HL1. Подстроечный конденсатор в цепи кварцевого резонатора необходим для установки точного значения синтезированной частоты. Микросхемы DD2-DD4 формируют сигнал запрета сканирования при наличии импульсов рассогласования на выводе 4 DD1. Наличие резистора в цепи питания DD1 (вывод 9) обязательно.

Программируемый синтезатор частоты

Puc.7

Питается устройство от двух стабилизаторов напряжения +5 В; их схема приведена на рис. 7. Транзистор VT1 (с параметрами иотс=0, 55 В, Iс=150 мкА) ограничивает ток транзисторов VT2 и VT3 на уровне 50 мА. Транзистор VT4 (при Uотс=2, 5 В и Iс=100 мкА) является стабилизатором опорного напряжения +2, 5 В. В случае снижения входного напряжения стабилизаторов до +6, 5 В микросхема DA1 выходит из режима стабилизации. При напряжении на выводе 6 ОА1, равном +4 В, транзистором VT5 формируется сигнал "микропотребление" низкого уровня. Конденсатор С5 стабилизатора (с малым током утечки) поддерживает Uп1 при отключении входного напряжения до перехода в режим микропотребления от аккумулятора или гальванического элемента QB1. Нижний порог Uп1 в этом режиме должен быть +0, 5 В.

Программируемый синтезатор частоты работает в двух основных режимах:

- поддержания установленной (текущей) частоты (индикатор "номер строки" погашен);

- обзора памяти фиксированных значений частоты (индикатор "номер строки" показывает номер рабочей "строки" памяти).

Переход в режим текущей частоты производится клавишей "Тек.", а в режим обращения к памяти частот - клавишей "Память*. Повторное нажатие клавиши "Память" осуществляет переход на нулевую "строку" памяти. В режиме текущей частоты сканирование (переход на частоту выше или ниже текущей) происходит по кольцу между начальной и конечной частотами сканирования (Н.ск. и К.ск.) с шагом, заданным параметром Сетка.

В режиме обзора памяти зафиксированные значения частоты сканируются по кольцу между начальной и конечной "строками" памяти (Н.ск. и К.ск.). Управление сканированием осуществляется клавишей "Скан.". При однократном нажатии на клавишу длительностью менее 0, 5 с происходит переход на один шаг, а после длительного нажатия (более 0, 5 с) контроллер переходит в режим непрерывного сканирования. В этом режиме при наличии сигнала от шумоподавителя приемника произойдет временная остановка сканирования на 5 с; при сигнале "стоп сканирования" происходит остановка сканирования. Его возобновление производят повторным нажатием на клавишу "Скан.".

После включения питания устройство устанавливается в режим текущей частоты при следующих значениях параметров:

- Сетка - 000001; - КД - 10; - ПЧ -000000;

- Расстр. - 000000;

- Текущая частота - 000992;

- Н.ск. и К.ск. для сканирования по частоте - 000000;

- Частота "строки 0" памяти - 000992 (остальные "строки" памяти - 000000);

- Н.ск. и К.ск. для сканирования по "строкам" памяти - 00.

Эти начальные значения параметров могут быть изменены в соответствии с областью использования синтезатора. Рекомендуемый порядок работы:

Выбираем значения параметров Сетка и КД из следующих соображений:

1. Сетка задает шаг перехода с частоты на частоту и ее значение должно быть целым числом. Этот параметр задается в тысячах или сотнях Гц (не индицируются три или две младшие значащие цифры абсолютного значения частоты), при этом остальные частотные параметры вводятся в соответствующих такому условию единицах измерения.

2. Текущее значение частоты, деленное на величину значения Сетки, должно быть в пределах 992-131071.

3. Частота кварцевого генератора синтезатора равна значению КД, умноженному на шаг Сетки.

4. КД может принимать значения: 10, 20, 40, 100, 200, 400, 800 и 1000. Изменение или ввод параметров производят с помощью клавиш цифрового набора, начиная со старшей цифры. Ошибочно набранную цифру отменяют клавишей "Зевой". Кнопкой "Сброс" достигается возврат к установленным ранее начальным параметрам. Индикация ошибки (знак "Е") обозначает невозможность правильного вычисления кода по введенным параметрам.

Параметры Сетка, КД, ПЧ и Расстр. контролируются и изменяются независимо от режима работы при нажатой соответствующей клавише. Нужное значение КД выбирают клавишей "+/-". Параметры ПЧ и Расстр. имеют знак, изменение которого производят клавишей "+/-", причем индикация знака *-* соответствует нажатой клавише.

Для контроля и изменения текущей частоты пользуются прямым набором в режиме текущей частоты. Ввод начальной и конечной частот для сканирования по частоте происходит при нажатой клавише •Иск." и Хек.1' соответственно.

Контроль и изменение частоты в памяти осуществляется в соответствующем режиме, при этом номер контролируемой "строки" памяти отражается на индикаторе. Вводимая частота записывается в следующую "строку". Например, для записи в "строку 0" на индикаторе должен быть номер "09". Очистка "строки О", т.е. запись 000000, запрещена. Переход на следующую или предыдущую "строку" производят с помощью клавиши "Скан." в соответствии с начальной и конечной "строками" для сканирования по памяти, при этом чистые (пустые) "строки" игнорируются.

Контроль и изменение начальной и конечной "строк" памяти происходят при нажатой клавише "Н.ск." и "К.ск." соответственно, при этом индицируется номер "строки" и записанная в ней частота. Таким образом можно просмотреть все "строки" памяти. Изменение направления сканирования производят клавишей "+/-" (индицируется только знак "-*).

Расстройка включается и отключается с помощью клавиши "Бл. реестр.", при этом индицируемый знак "М" обозначает, что расстройки нет. В этом случае контроллер вычисляет код для синтезатора без учета параметра "Расстр.".

Для перехода из режима "Прием" в режим "Передача" нажимают на клавишу "Пр./Пер.". При этом происходит запись кода в синтезатор, и через 21 мс формируется сигнал низкого уровня для включения передатчика (вывод РЗ.5), ток нагрузки - менее 10 мА.

В режиме непрерывного сканирования индикация частоты и номера "строки" памяти выключается.

При падении напряжения питания ниже +5 В контроллер входит в режим микропотребления. При вновь включенном питании по сигналу RST контроллер возвращается в режим работы, предшествовавший переходу в режим микропотребления тока.

Конструкция программируемого синтезатора в значительной степени определяется областью его применения: стационарной аппаратурой или носимой, диапазоном рабочих частот, использованием внешней памяти. В любом случае следует иметь в виду, что монтаж устройства должен быть компактным и отвечать требованиям к быстродействующим цифровым устройствам. Высокочастотные узлы выполняют в соответствии с минимумом паразитных связей и емкостей монтажа. В стационарной аппаратуре большие микросхемы лучше устанавливать в панельки.

В устройстве можно использовать клавиатуру и индикаторы от восьмиразрядных микрокалькуляторов. В конструкции применены резисторы МЛТ-0, 125 и точные резисторы С2-29В. Полярные конденсаторы - типа К53-1 или аналогичные, неполярные конденсаторы - керамические, малогабаритные, например К10-17.

Область применения предложенного синтезатора достаточно широка, поэтому конкретная схема ГУН не приведена: варианты его построения зависят от диапазона рабочих частот, от элементов, которыми располагает радиолюбитель. Практически на любой диапазон ГУН можно построить по схеме одного из задающих генераторов широкополосного СВЧ генератора, описанного в "Радио", № 8 и 9 за 1992 г.

Наименьшее значение рабочей частоты синтезатора может быть и ниже 50 МГц, это зависит от конкретного экземпляра микросхемы КФ1015ПЛ2. Возможны изменения программы контроллера с учетом его конкретного применения.

B. СЕМЕНОВ, В. ШЛЕКТАРЕВ, г. Пущина Московской обл.

(Р 10/97)




counter  ||  Хостинг Web1.0