Применение микросхемы К174ПС1

Главная сайтаНачало разделаУстройстваПрименение микросхем → Применение микросхемы К174ПС1 В. БОНДАРЕВ, А. РУКАВИШНИКОВ

г. Москва

Широкое внедрение микросхем в радиоустройства позволило существенно улучшить их параметры, уменьшить габариты, упростить монтаж. Особенно удобны универсальные микросхемы, которые можно использовать в самых различных узлах радиоаппаратуры. К ним относятся, например, ОУ широкого применения, с успехом работающие в низкочастотной аппаратуре и устройствах автоматики. Такой же универсальностью, по мнению авторов, обладает функциональная микросхема К174ПС1. Поскольку она может работать в широком диапазоне частот, ее можно использовать не только в низкочастотной радиоаппаратуре, но и в радиовещательных и телевизионных устройствах.

В публикуемой статье вниманию читателей предлагаются некоторые из возможных вариантов применения этой микросхемы. Электрическая схема К174ПС1 показана на рис. 1.


Применение микросхемы К174ПС1

Она представляет собой балансный смеситель, обладающий следующими основ ными техническими характеристиками.

Крутизна преобразования, мА/В, не менее....... 4, 5
Коэффициент шума, дБ, не более . . . . . 8
Напряжение стабилизации, В, не более ... 1
Входное напряжение, В, не более ..... 1
Верхняя частота входного сигнала, МГц, не менее .... 200
Напряжение питания, В 9±10 %
Потребляемый ток, мА, не более ..... 2, 5
Предельные допустимые напряжения питания. В,
при токе нагрузки, мА:
2, 5, не менее . . . 4, 5
4, 5, не более. . . . 15
Масса в корпусе 201.141, S г, не более, . . . . 1, 5

Применение микросхемы К174ПС1

На рис. 2 показана схема дифференциального усилителя с регулируемыми полосой пропускания и коэффициентом усиления. При подаче максимального (~10 В) управляющего напряжения через делитель R3R2 на базу транзистора VTI протекающий через него коллекторный ток полностью закрывает транзистор VT5 микросхемы DA1 (см. рис. 1 ) и исключает из ее усилительного тракта дифференциальный каскад на транзисторах VT4, VT6. В таком режиме микросхема DA1 имеет максимальный (не менее 20 дБ) коэффициент передачи. По мере снижения регулирующего напряжения коллекторный ток транзистора VT1 будет уменьшаться, транзистор VT5 микросхемы начнет открываться и постепенно включать в работу дифференциальный каскад на транзисторах VT4, VT6. Работая в противофазе с каскадом на транзисторах VT1, VT3, этот каскад будет снижать коэффициент передачи микросхемы DA1. При регулирующем напряжении менее 0, 6 В транзистор VT1 полностью закроется, коллекторные токи транзисторса VT2 и VT5 микросхемы DA1 уравняются и коэффициент ее передачи станет равным нулю. Описанное усилительное устройство может выполнять функции высокоскоростных усилителей 3Ч, усилителей РЧ и АРУ радиоприемников, регуляторов громкости. Глубина регулировки коэффициента усиления не менее 40 дБ, Полосу пропускания можно регулировать резистором R3, причем наиболее широкой (200 МГц) полосе соответствует верхнее (по схеме) положение движка этого резистора.

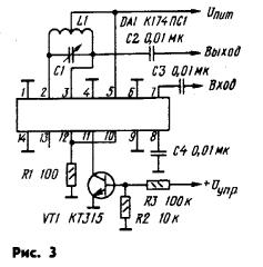
Применение микросхемы К174ПС1

На рис. 3 изображена схема резонансного усилителя РЧ, коэффициент его передачи около 20 дБ, частота кастройки в пределах 160 кГц...230 МГц изменяется конденсатором переменной емкости С1, входящим в контур L1C1. Коэффициент передачи усилителя зависит от режима работы каскада на транзисторе VT1, что позволяет ввести в усилитель АРУ с глубиной регулировки до 40 дБ,

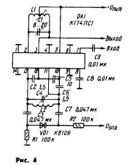
Применение микросхемы К174ПС1

На рис. 4 показано применение микросхемы К174ПС1 в преобразователе частоты радиовещательного приемника. Контур L1C1 настроен на промежуточную частоту, настройка гетеродина определяется контуром L2C3C4C7VD1. При отсутствии варикапа элементы СЗ, С7, R1, R2 можно исключить и настраивать контур гетеродина конденсатором переменной емкости, включенным параллельно катушке индуктивности L2.

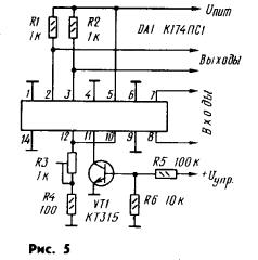
Применение микросхемы К174ПС1

Микросхему К174ПС1 с успехом можно использовать и для детектирования балансномодулированных сигналов в синхронных детекторах декодеров цвета телевизионных систем ПАЛ и НТСЦ. Схема такого детектора приведена на рис. 5. На вход 1 подают сигнал цветовой поднесущей, а на вход 2 - сигнал с кварцевого генератора декодера. Противофазные продетектированные сигналы снимаются с резисторов R1 и R2. На выходе такого детектора получается один из цветоразностных сигналов. Для другого сигнала нужен второй детектор. Данное устройство может быть и удвоителем частоты, для чего необходимо объединить входы 1 и 2. Тогда с выходов можно снимать сигналы с удвоенной частотой.

Применение микросхемы К174ПС1

Авторами статьи была опробована также работа микросхемы К174ПС1 в качестве кварцевого генератора с ФАПЧ декодера цветности системы ПАЛ (рис. 6). Кварцевый генератор собран на транзисторах VT2, VT5, а фазовый детектор на транзисторах VT1, VT3, VT4, VT6 микросхемы (рис. 1). На вход генератора через конденсатор С9 подается сигнал вспышки цветовой поднесущей. Напряжение ошибки фазы сигналов вспышки цветовой поднесущей и кварцевого генератора интегрируется элементами R4, R5, СЗ, С4, усиливается дифференциальным каскадом на транзисторах VT1, VT2, затем снова интегрируется цепью C1C2R1 с большим временем интеграции и подается на варикап VD1, обеспечивая таким образом подстройку кварцевого генератора. На выходах 10 и 12 микросхемы присутствуют два сигнала поднесущей частоты, сдвинутые один относительно другого на 180°. На синхронный детектор "красного" цветоразностного сигнала сигнал снимается непосредственно с вывода 12, а на синхронный детектор "синего" цветоразностного сигнала - после цепочки R7C11, сдвигающей фазу сигнала поднесущей частоты на 90°.

РАДИО № 2-89г., с.55-56




counter  ||  Хостинг Web1.0