Антирадиошпион (анализатор спектра в диапазоне частот 65-410 МГц.)

Главная сайтаНачало разделаУстройстваОхранные устройства → Антирадиошпион (анализатор спектра в диапазоне частот 65-410 МГц.) Устройство предназначено для обнаружения электронных закладок в диапазоне частот 65-410 МГц, ориентировочного определения их рабочей частоты и прослушивания на стандартный и FM - приемник (88-108 МГц).

Обычно устройства контроля радиозакладок имеют очень широкую полосу контроля, составляющую сотни мегагерц, что снижает их чувствительность и дальность обнаружения до нескольких десятков сантиметров. Предлагаемое устройство имеет сравнительно узкую сканирующую по диапазону частот АЧХ, что на порядок повышает его чувствительность по сравнению с широкополосными устройствами, и имеет возможность прослушивания на "подозрительных" частотах.

Принцип работы основан на индикации уровня напряженности электрического поля закладок при удалении или приближении устройства обнаружения к ним. Уровень излучения радиозакладок оценивается по встроенному индикатору.

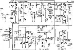
Устройство обнаружения состоит из двух усилителей, один из которых совместно с фильтром обеспечивает контроль в первом поддиапазоне 65-155 МГц, а другой от 155 МГц до 410 МГц во втором поддиапазоне. Первый усилитель собран на транзисторе VT1 с входным фильтром C1, L1, C2 (рис.1), обеспечивающим фильтрацию зеркальных частот выше 155 МГц. Оба усилителя подключены к смесителю на транзисторе VT2 и могут работать только поочередно - каждый со своим гетеродином. Гетеродин, работающий с первым усилителем, собран на транзисторе VT8. Он перекрывает диапазон частот от 155 до 245 МГц.

Антирадиошпион (анализатор спектра в диапазоне частот 65-410 МГц.)

Второй гетеродин собран на транзисторе VT7. Он работает совместное усилителем на транзисторе VT6 и перекрывает диапазон от 345 до 500 МГц.

Смеситель на транзисторе VT2 нагружен на полосовой фильтр С12, L2, С13, L3 с промежуточной частотой (90±5) МГц. Таким образом, за счет первого гетеродина обеспечивается контроль в первом поддиапазоне частот от 65 до 155 МГц, а второго - во втором поддиапазоне от 155 до 410 МГц. Чувствительность устройства регулируется резистором R15. Аттенюатор на транзисторе VT4 обеспечивает регулировку уровня более чем на 25 дБ. Продетектированный детектором VD1, VD2 сигнал подается на операционный усилитель DA1 и далее на индикатор уровня. Антенный вход приемника подключен через резистор R24, снижающий чувствительность, к коллектору VT5.

Шкала переменного резистора R23 градуируется как для первого, так и для второго поддиапазонов по генератору высоких частот.

Все детали устройства малогабаритные. Катушка L1-бескаркасная, с внутренним диаметром 6 мм, имеет 5 витков провода ПЭВ 0, 7 мм. Катушки L2, L3 намотаны на полистироловых каркасах с подстроенными сердечниками из феррита 100НН диаметром 2, 8 мм и длиной 14 мм, имеют по 10 витков провода ПЭЛШО 0, 15мм. Катушки L4, L5-бескаркасные, с внутренним диаметром 6 мм и шагом намотки 1 мм, имеют: L4 -4 витка и L5 - 6 витков провода ПЭВ 0, 7 мм. Катушка L6 намотана поверх L5, имеет 2 витка провода ПЭВ 0, 5 мм.

Устройство настраивают с использованием прибора для измерения АЧХ, например Х1-42. Первоначально настраивают полосовой фильтр С12, L2, С13, L3 на центральную частоту 90 МГц с полосой ориентировочно равной 5 МГц. Если в вашей местности есть радиостанции, имеющие существенный уровень сигнала в данном диапазоне, то лучше выбрать другую центральную частоту в диапазоне 88 -108 МГц или сузить полосу фильтра.

Далее настраиваются первый и второй гетеродины. Изменяя параметры катушек и режимы работы транзисторов по постоянному току, добиваются, чтобы АЧХ фильтра плавно перемещалась в первом диапазоне от 65 МГц до 155 МГц, а во втором диапазоне от 155 МГц до 410 МГц. Последним настраивают фильтр С1, L1, C2 так, чтобы уровень сигналов зеркального канала был на 15 - 20 ДБ меньше основного канала.

Работа с прибором сводится к следующему. Первоначально резистором R15 устанавливается максимальный порог чувствительности "антишпиона". Далее, плавно вращая ручку резистора R23, контролируют по индикатору РА1 уровень сигналов сначала в первом, а затем во втором поддиапазоне. Если работает радиостанция или "жучок", то стрелка индикатора отклонится. Далее, меняя положение прибора в помещении, следят за изменением показаний индикатора уровня. Если работает радиозакладка, то показания будут существенно зависеть от пространственной ориентации. Более точный контроль осуществляется приемником, который подстраивается в пределах промежуточной частоты прибора (90±2, 5) МГц.




counter  ||  Хостинг Web1.0