Мощная широкополосная антенна

Главная сайтаНачало разделаТелевидение и телефонияАнтенны для эфирного ТВ → Мощная широкополосная антенна

Мощная широкополосная антенна

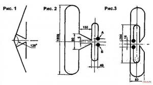
Мощная широкополосная антенна Вниманию читателей предлагается простая широкополосная антенна, ра ботающая в метровом диапазоне на 3...12 каналах и в дециметровом - на 24...41 каналах. У нас в городе веща ние на метровом диапазоне ведется с вертикальной, а на дециметровом - с горизонтальной поляризацией волн. Антенна состоит из двух вибраторов. Вибратор метрового диапазона согнут под углом 120°. Перед ним расположен вибратор дециметрового диапазона (рис.1). Развертка полотна антенны по казана на рис.2. Вибраторы сгибаются под углом 90° друг к другу. Вид антен ны спереди показан на рис.3, общий вид - на рис.4. Антенна вертикальной по ляризации метрового и горизонтальной дециметрового диапазонов показана на рис.5, 6. Полотно антенны изготавлива ется из любого материала (трубки, прут ка, проволоки, шины силового кабеля) диаметром 8...20 мм. Вибраторы антен ны можно-изготовить отдельно и соеди нить сваркой или винтами. Кабель сни жения подключается в точках А и В. Вариант крепления к мачте и допол нение антенны траверсой с директорами дециметрового диапазона показан на рис.6.




counter  ||  Хостинг Web1.0